Foram encontradas 2.008 questões.
O esquema abaixo representa a cadeia cinemática planificada de uma caixa de engrenagens.

Essa cadeia apresenta
Provas
Um motor de rotação igual a 1785 rpm e 10 CV de potência acoplado ao eixo I, é usado no acionamento do redutor abaixo.

Desconsiderando as perdas do sistema, pode-se afirmar que
Provas
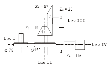
No esquema de transmissão abaixo, os eixos I e III estão alinhados.

A relação de transmissão do par de engrenagens 1 e 2 é igual a 2,0. Admitindo o mesmo módulo para todas as engrenagens e, sabendo-se que z1 = 1,5 z3 (z = número de dentes), a relação do par de engrenagens 3 e 4 será igual a
Provas
- Lei de Responsabilidade FiscalPlanejamento: PPA, LDO e LOA (arts. 3º ao 10)
- Lei de Responsabilidade FiscalReceita Pública (arts. 11 ao 14)
Segundo a Lei da Responsabilidade Fiscal, se verificando ao final de um (I), que a realização da receita poderá não comportar o cumprimento das metas de resultado (II) estabelecidas no Anexo de Metas Fiscais, os Poderes e o Ministério Público promoverão, por ato próprio e nos montantes necessários, nos trinta dias subsequentes, (III) de empenho e movimentação financeira, segundo os critérios fixados pela lei (IV)
Preenchem respectiva e corretamente as lacunas de I a IV:
Provas
- Estatística DescritivaMedidas de DispersãoVariância
- Estatística DescritivaMedidas de Tendência CentralMédias
A amostra 0,3; 1,2; 1,1; 0,9; 0,8; 0,5; procede de uma população com função densidade f(x) = 1/θ, 0 < x < θ. Os estimadores de máxima verossimilhança da média e da variância da população são, respectivamente,
Provas
A análise fatorial tem como objetivo principal descrever a variabilidade original de um vetor aleatório X com m componentes
Provas
Assinale a alternativa correta.
Provas
- Distribuições de ProbabilidadeDistribuições DiscretasUniforme Discreta
- Estatística DescritivaMedidas de Tendência CentralMédias
Se retirarmos uma amostra aleatória de 1200 observações de uma população com distribuição uniforme no intervalo [17, 29], a distribuição da média amostral
será, aproximadamente,
Provas
Uma moeda não viciada é lançada n vezes. Seja
proporção de caras nos n lançamentos da moeda. O valor de n, obtido através da desigualdade de Tchebyshev, tal que P(0,4≤
≤ 0,6) ≥ 0,90 é
Provas
Suponha que uma série temporal sofra uma intervenção. Na sua manifestação essa intervenção pode ser de dois tipos:
Provas
Caderno Container