Foram encontradas 2.308 questões.

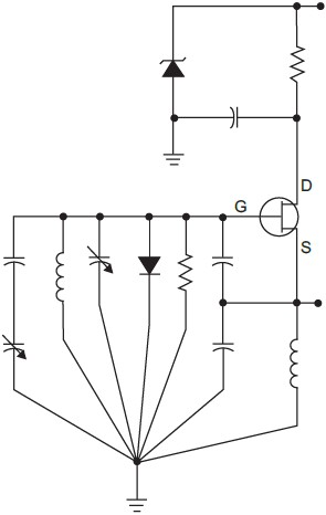
No circuito de RF ilustrado na figura acima, três dos tipos de componentes eletrônicos que estão presentes são:
Provas

O circuito eletrônico mostrado na figura apresenta dois sinais na entrada e um sinal resultante na saída. Este circuito é conhecido como
Provas
Símbolos
I - ![]()
II - ![]()
III - ![]()
Identificação
P - sinal elétrico binário
Q - sinal eletromagnético ou sônico
R - sinal pneumático
Acima, estão ilustrados os símbolos de três tipos de sinais em linhas de transmissão e suas possíveis identificações. A associação correta é:
Provas

A figura acima representa o fluxograma de parte de um determinado processo industrial. A respeito desse fluxograma, é correto afirmar que a
Provas
As causas de falhas decorrentes de problemas de montagem de um determinado conjunto mecânico obedecem às seguintes probabilidades:
- vibração excessiva, probabilidade de 0,60;
- folga excessiva, probabilidade de 0,32;
- outras, probabilidade de 0,08.
Considere que a probabilidade de ocorrência de falha não associada com problemas de montagem seja de 0,85. Levando-se em conta qualquer tipo de falha, a probabilidade de ocorrer uma falha de montagem decorrente de vibração excessiva é
Provas

A figura acima ilustra o emprego de um termopar no registro de temperatura de um reator. Assinale a opção que apresenta as características do termopar a ser utilizado.
| Termopar |
Fio A | Fio B |
Provas

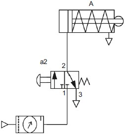
O diagrama na figura acima mostra, segundo as normas da ABNT, um sistema de atuação pneumática. A unidade de condicionamento apresenta um
Provas

Na figura acima são apresentadas as simbologias de identificação de três tipos de válvulas. A respeito das válvulas A, B e C, é correto afirmar que se tratam, respectivamente, de válvulas de controle
Provas

A figura acima apresenta o gráfico do sinal X0 e o programa de um CLP em linguagem Ladder, contendo um temporizador acumulador, onde E representa o sinal de enable e R, o de reset. A bobina de saída Y1 comanda o acendimento de uma lâmpada. Considerando que a execução do programa foi iniciada em t = 0, tendo o temporizador sofrido reset neste instante, o tempo total aproximado, em segundos, que a lâmpada permanecerá acesa no intervalo de tempo entre 0s e 250s é
Provas
De acordo com a norma ANSI/ISA-S.5.1-1984 (R.1992), elaborada pela Instrument Society of América, a primeira letra de identificação de um instrumento em uma planta industrial indica o(a)
Provas
Caderno Container