Foram encontradas 2.308 questões.
Em sistemas de aterramento, é muito importante saber a resistividade do solo. Um dos métodos utilizados para se estimar a resistividade do solo é o Método de Wenner, que consiste em colocar quatro eletrodos de teste de um megger em linha, dois de potenciais e dois de corrente, enterrados a uma profundidade de aproximadamente 20 cm. Supondo que os eletrodos de potenciais são designados por P1 e P2, e os de corrente por C1 e C2, a ligação correta dos eletrodos do aparelho, de acordo com o Método de Wenner, é
Provas

A figura ilustra um circuito de comando, responsável por conectar um banco de capacitores na entrada de energia elétrica de determinada fábrica para ajustar o fator de potência, através do acionamento da chave contatora C1. A fábrica é aberta às 6 horas da manhã, quando, então, um funcionário fecha a chave CH. O temporizador, previamente programado, passa a fornecer os sinais S1 e S2 apresentados nos gráficos, cujos pulsos possuem duração aproximada de 2 minutos. Com relação ao funcionamento do sistema, analise as afirmativas a seguir.
I - O relé K1 é acionado por cerca de 4 minutos durante o expediente da fábrica, de 6h até 20h.
II - A função do relé K1 é permitir o acionamento da chave contatora C1.
III - O banco de capacitores permanece conectado por aproximadamente 5 horas desde o momento que a fábrica é aberta até às 20h.
É(São) correta(s) a(s) afirmativa(s)
Provas
Em uma dada instalação elétrica ocorreu a queima de vários equipamentos que estavam sendo alimentados por circuitos ligados a uma determinada fase. Um técnico constatou que o fio neutro do alimentador do quadro dos circuitos terminais estava rompido. Assim, possível causa da queima dos equipamentos foi o surgimento de
Provas
Um galpão industrial de 11m x 30m e altura de 7m deve ter um iluminamento médio no plano de trabalho de 500 lux. Deseja-se iluminar o galpão com projetores utilizando lâmpadas a vapor de mercúrio de 400 W, que têm fluxo luminoso inicial de 22.000 lúmens. Sabe-se que cada projetor comporta apenas uma lâmpada e que o fator de utilização do recinto e o fator de depreciação da luminária são iguais e valem !$ \dfrac {\sqrt{2}} 2 !$. De acordo com o método dos lúmens, quantos projetores serão necessários para iluminar o galpão?
Provas

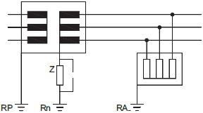
De acordo com a NBR-14.039, que trata de Instalações Elétricas de Média Tensão, de 1,0kV a 36,2kV, o esquema de aterramento apresentado na figura acima é o
Provas
Os esquemas de aterramento previstos na norma que regula os procedimentos em instalações elétricas de baixa tensão (NBR 5.410) são: TN-S, TN-C, TN-C-S, TT e IT. Com relação a esses esquemas de aterramento, analise as afirmativas abaixo.
I - Para o esquema TN-C, as cargas são aterradas em um ponto diferente da fonte.
II - Para o esquema IT, é obrigatória a utilização de DR em todos os circuitos terminais.
III - Para o esquema TN-S, os quadros de distribuição de circuitos terminais são dotados de barramentos de terra, onde não podem ser conectados os condutores de neutro.
É(São) correta(s) APENAS a(s) afirmativa(s)
Provas

Utilizando-se a configuração acima para a ligação de dois wattímetros, é possível realizar a medição das potências ativa e reativa em uma carga trifásica. Sabendo-se que as medições dos wattímetros são W1 e W2, a soma de W1 e W2 é igual à potência
Provas
O banco de baterias de um sistema no-break, cuja tensão nominal é 120V, foi projetado para fornecer uma corrente média de 25A durante um período de 8 horas. Sabe-se que o rendimento do inversor é de 75%. Supondo um caso hipotético em que não haja limite de corrente e que a tensão do banco seja sempre constante, qual será o tempo de autonomia do sistema se uma carga de 12kW for conectada na saída do inversor?
Provas
Um painel elétrico de baixa tensão será instalado em uma subestação localizada próxima a uma mina de ferro, que se encontra abaixo do nível do mar. Já foram relatados casos em que houve inundação dentro da subestação. Por este motivo, deseja-se que o painel seja totalmente protegido contra poeira e também contra uma possível imersão temporária. Assim, o Índice de Proteção (IP) deste painel deve ser, no mínimo,
Provas

A figura acima mostra um ohmímetro série, alimentado por uma pilha de 1,5 V, que usa um galvanômetro de bobina móvel com escala linear, cuja resistência interna da bobina é de 50!$ \Omega !$. A corrente de fundo de escala é de 100!$ \mu !$A. O ajuste zero é feito através do potenciômetro Rp cujo valor ajustado foi de 3,5k!$ \Omega !$.
Qual o valor do resistor Rx se, após o ajuste zero e durante a medida, o ponteiro se posicionar a 75% do fundo da escala?
Provas
Caderno Container