Foram encontradas 2.308 questões.

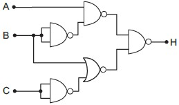
Analisando o diagrama elétrico apresentado na figura acima, conclui-se que
Provas

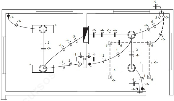
A figura ilustra a planta elétrica do corredor de uma residência. Em função do grande comprimento do corredor, o proprietário solicitou ao projetista elétrico que fossem previstos quatro interruptores de luz ao longo do corredor e que, a partir de cada um deles, fosse possível acender ou apagar as lâmpadas existentes.
Para que a instalação atenda o que foi solicitado pelo proprietário, os condutores que deverão passar pelo eletroduto E1 são
Provas

A figura ilustra a planta elétrica do corredor de uma residência. Em função do grande comprimento do corredor, o proprietário solicitou ao projetista elétrico que fossem previstos quatro interruptores de luz ao longo do corredor e que, a partir de cada um deles, fosse possível acender ou apagar as lâmpadas existentes.
Qual o tipo de interruptor que deverá ser utilizado no ponto I1, dentro da caixa tracejada na figura?
Provas
Os condutores elétricos que normalmente são utilizados em instalações elétricas de baixa tensão têm como isolações o PVC, o EPR e o XLPE. Sabe-se ainda que o EPR e o XLPE suportam uma temperatura maior que o PVC. A respeito desses materiais de isolação, afirma-se que
I - a temperatura que cada tipo de isolação suporta não determina a capacidade de condução elétrica dos condutores, mas somente a bitola do fio;
II - a existência desses diversos tipos de isolações deve-se, entre outros, ao fato de haver ambientes com diversas gradações de temperaturas;
III - condutores de mesmas bitolas com isolação de EPR ou XLPE possuem uma capacidade de condução elétrica maior que aqueles com isolação de PVC.
Está(ão), correta(s) a(s) afirmação(ões)
Provas
Disciplina: Segurança e Saúde no Trabalho (SST)
Banca: CESGRANRIO
Orgão: Petrobrás
Segundo a NR-10, que trata da Segurança em instalações e serviços em eletricidade, é INCORRETO afirmar que
Provas
Disciplina: Segurança e Saúde no Trabalho (SST)
Banca: CESGRANRIO
Orgão: Petrobrás
Assinale a opção em que TODOS os equipamentos são de PROTEÇÃO COLETIVA.
Provas
|
CAUSA BÁSICA |
EXEMPLOS |
|
I - Ato Inseguro II - Condição Insegura |
P - Ventilação imprópria Q - Operação de máquina em velocidade inadequada R - Equipamento sem proteção S - Processo produtivo inseguro T - Uso inadequado de equipamento de proteção |
O quadro acima contém as causas básicas de acidentes de trabalho e alguns de seus exemplos. A correta associação da causa básica com os exemplos apresentados é:
Provas
Os protocolos TCP, RS-232, IP e HDLC são comumente empregados em redes de computadores. Tais protocolos, na seqüência acima, estão associados aos seguintes níveis do modelo OSI:
Provas

A figura ilustra um circuito combinacional digital, onde A, B e C são os sinais de entrada e H, o sinal de saída. A expressão booleana correspondente do sinal H em função de A, B e C é
Provas
Considere os números a seguir apresentados, cujos subscritos representam as respectivas bases numéricas. O resultado da soma de 1011001010012 com 5A3C16 é:
Provas
Caderno Container