Foram encontradas 100 questões.
- Modelo TCP/IPIntrodução ao Modelo TCP/IP
- Modelo TCP/IPModelo TCP/IP: Camada de Rede
- Modelo TCP/IPModelo TCP/IP: Camada de Transporte
- Modelo TCP/IPModelo TCP/IP: Camada de Aplicação
O modelo TCP/IP de camadas tem como base o modelo OSI de sete camadas. Nessa perspectiva, analise as afirmativas a seguir.
I - A camada de aplicação é onde residem aplicações de redes e seus protocolos, tais como HTTP, FTP e SMTP.
II - Os protocolos de transporte da Internet, TCP e UDP, proveem serviços orientados para conexão a suas aplicações.
III - A camada de transporte da Internet transporta mensagens da camada de aplicação entre os lados do cliente e do servidor de uma aplicação.
IV - A camada de rede da Internet roteia um datagrama por meio de uma série de comutadores de pacotes entre a origem e o destino.
São corretas APENAS as afirmativas
Provas
As redes de campo são muito empregadas em nível de chão da fábrica. Diversos protocolos foram desenvolvidos para interligar os dispositivos de campo com os demais dispositivos. Nessa perspectiva, analise as afirmativas a seguir.
I - O protocolo Foundation Fieldbus tipo H1 possui uma taxa de transmissão de 31,25 kbits/s.
II - O protocolo HART utiliza meio físico RS485 para sua comunicação.
III - O protocolo Modbus RTU utiliza a forma serial de transmissão de dados.
IV - Mensagem do tipo broadcast é quando um dispositivo mestre envia requisições diretamente para um único dispositivo escravo.
São corretas APENAS as afirmativas
Provas

No quadro acima são apresentadas algumas das representações de válvulas utilizadas para o desenho isométrico de tubulações industriais. Cada uma dessas válvulas corresponde a
| I | II | III | IV | V |
Provas

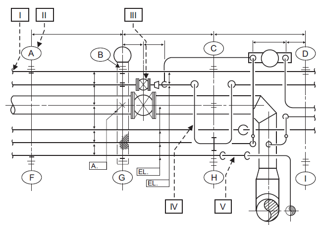
Os 5 elementos identificados na planta de tubulações ilustrada acima são:
| I | II | III | IV | V |
Provas
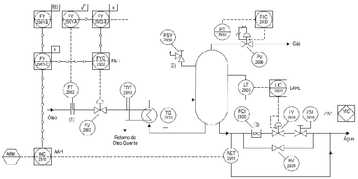
Trata-se do diagrama P&I que representa um sistema de controle industrial com base em um vaso vertical pressurizado.

Dentre os instrumentos ou funções de sistema de controle abaixo, representados no diagrama, está INCORRETA a designação da(o)
Provas
Trata-se do diagrama P&I que representa um sistema de controle industrial com base em um vaso vertical pressurizado.

Examinando o diagrama, constata-se que os dispositivos 1, 2 e 3, correspondem, respectivamente, a
Provas
A proposta da norma técnica ANSI/ISA-5.1-1984 (R1992) é estabelecer um padrão uniforme de designação de instrumentos e sistemas de instrumentação, usado para medição e controle em processos industriais. Nesse contexto, é apresentado um sistema de designação que inclui símbolos e um código de identificação, onde cada instrumento ou função a ser identificado é designado por meio de um código alfanumérico, de acordo com a seguinte tabela de identificação:
|
1º Grupo de Letras |
2º Grupo de Letras |
|||
|
Variável |
Modificadora |
Função passiva ou de informação |
Função ativa ou de saída |
Modificadora |
Nesse caso, uma regra INCORRETA de aplicação da norma técnica é
Provas
De acordo com a norma técnica ANSI/ISA-5.1-1984 (R1992), considere os seguintes símbolos de linha para instrumentação:

Os símbolos 1, 2, 3, 4 e 5 representam, respectivamente,
Provas
De acordo com a norma técnica ANSI/ISA-5.1-1984 (R1992), os símbolos gerais para instrumentação ou funções programadas são representados de acordo com o tipo e a localização, assim descritos:
• Tipo: instrumentos compartilhados, instrumentos discretos, controlador lógico programável, computador de processo;
• Localização: locação principal (normalmente acessível), locação auxiliar (normalmente acessível), montado no campo (normalmente inacessível ou atrás do painel).
Com base nessas informações, associe os símbolos aos respectivos tipos/localização.
I - 
II - 
III - 
P - Computador de processo montado no campo
Q - Instrumento discreto normalmente inacessível
R - Instrumento compartilhado em locação auxiliar
S - Controlador lógico programável em locação principal
Estão corretas as associações
Provas
A simplificação da expressão booleana S = !$ overline{ABC} !$+ A!$ overline{BC} !$+ A!$ overline{B} !$C+ AB!$ overline{C} !$+ ABC é dada por
Provas
Caderno Container