Magna Concursos

Foram encontradas 100 questões.

2880953 Ano: 2010
Disciplina: Engenharia Elétrica
Banca: CESGRANRIO
Orgão: Petrobrás

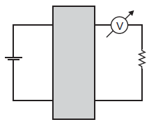
Deseja-se medir a tensão em um resistor. Dentre as representações abaixo, a forma correta de ligar o voltímetro é dada por

 

Provas

Questão presente nas seguintes provas
2880952 Ano: 2010
Disciplina: Engenharia Elétrica
Banca: CESGRANRIO
Orgão: Petrobrás

Deseja-se medir o período de um sinal senoidal de amplitude de 1V na saída de um circuito. Para isto foi utilizado um osciloscópio que apresentou o seguinte gráfico em sua tela:

Enunciado 3091005-1

Para medir o período, deve-se fazer a seguinte regulagem no osciloscópio:

 

Provas

Questão presente nas seguintes provas
2880951 Ano: 2010
Disciplina: Engenharia Elétrica
Banca: CESGRANRIO
Orgão: Petrobrás

Enunciado 3091002-1

Considerando o amplificador operacional ideal, a tensão de saída Vo no circuito acima é dada por

 

Provas

Questão presente nas seguintes provas
2880950 Ano: 2010
Disciplina: Engenharia Elétrica
Banca: CESGRANRIO
Orgão: Petrobrás

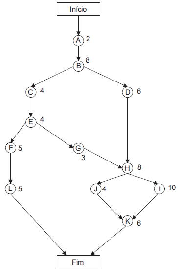
Para a realização de um projeto, foi construída a rede da figura abaixo, que mostra as atividades, o tempo de realização de cada atividade, em dias, e a relação de precedência.

Enunciado 3090996-1

A partir da análise da rede da figura, conclui-se que o comprimento do caminho crítico é dado por

 

Provas

Questão presente nas seguintes provas
2880949 Ano: 2010
Disciplina: Engenharia Elétrica
Banca: CESGRANRIO
Orgão: Petrobrás

Enunciado 3090974-1

A medida indicada no goniômetro ilustrado acima, de resolução 5’, é

 

Provas

Questão presente nas seguintes provas
2880948 Ano: 2010
Disciplina: Engenharia Elétrica
Banca: CESGRANRIO
Orgão: Petrobrás

Para determinar o volume de um cubo, um técnico fez a medição de cada um de seus lados utilizando um paquímetro de nônio igual a 0,02 mm. Considerando que o nível de confiança do paquímetro seja de 90%, que o fator de abrangência seja igual a 2 e que a incerteza padronizada combinada para a medição seja de 10 mm3 para um valor nominal do volume de 100 mm3, o volume do cubo é

 

Provas

Questão presente nas seguintes provas
2880947 Ano: 2010
Disciplina: Engenharia Elétrica
Banca: CESGRANRIO
Orgão: Petrobrás

Enunciado 3090972-1

Para determinar a massa específica de um paralelepípedo maciço, foram feitas 10 medições de massa e 10 medições de comprimento para cada um dos seus três lados. Tomando como base os dados da tabela acima e sabendo- se que o valor calculado para a variância da massa específica é de 0,0004, a massa específica do paralelepípedo é

 

Provas

Questão presente nas seguintes provas
2880032 Ano: 2010
Disciplina: Física
Banca: CESGRANRIO
Orgão: Petrobrás

Por um canal escoa água com uma profundidade de 4 m e velocidade de 2 m/s. A seguir, a água desce uma rampa para outro canal, onde a profundidade passa a ser de 2 m e a velocidade de 10 m/s. Se o escoamento se dá sem atrito, as velocidades são uniformes nas seções transversais e as pressões são hidrostáticas, qual a diferença de cotas entre os fundos dos canais? Considere: Aceleração da gravidade = 10 m/s2

 

Provas

Questão presente nas seguintes provas
2879951 Ano: 2010
Disciplina: Matemática
Banca: CESGRANRIO
Orgão: Petrobrás
Provas:

Leonardo pegou um baralho com 52 cartas (13 de cada naipe), embaralhou-as e, em seguida, fez, sem olhar, um monte com as 52 cartas dispostas para baixo. Se Leonardo retirar a primeira carta desse monte, qual a probabilidade de que esta não seja vermelha e nem apresente um número par?

 

Provas

Questão presente nas seguintes provas
2879950 Ano: 2010
Disciplina: Estatística
Banca: CESGRANRIO
Orgão: Petrobrás
Provas:

O gráfico abaixo apresenta os percentuais de acerto dos candidatos do concurso Z ao responderem às 5 questões de uma prova, todas de múltipla escolha.

Enunciado 3089996-1

Sabendo-se que 24.000 candidatos acertaram mais da metade das questões, mas não gabaritaram a prova, quantos candidatos há no concurso Z?

 

Provas

Questão presente nas seguintes provas