Foram encontradas 2.648 questões.
Um fluido escoa em regime laminar por uma tubulação com coeficiente de atrito igual a 0,04. O número de Reynolds desse escoamento é
Provas
Questão presente nas seguintes provas

Um técnico de manutenção está lendo a planta de tubulação de uma instalação industrial e nota a figura acima, que define uma válvula do tipo
Provas
Questão presente nas seguintes provas

Um técnico de manutenção está lendo o desenho isométrico de uma instalação industrial e observa a figura acima, que define um flange
Provas
Questão presente nas seguintes provas

Um técnico de manutenção está lendo o fluxograma de uma instalação industrial quando se depara com a figura acima. Sabendo-se que o fluxograma foi realizado com base na Norma ISA 5.1, esse é um instrumento de medição e registro de
Provas
Questão presente nas seguintes provas
Um desenhista técnico, operando o programa AutoCAD, ao digitar uma coordenada para marcação de um ponto, utilizou o símbolo @, que significa
Provas
Questão presente nas seguintes provas
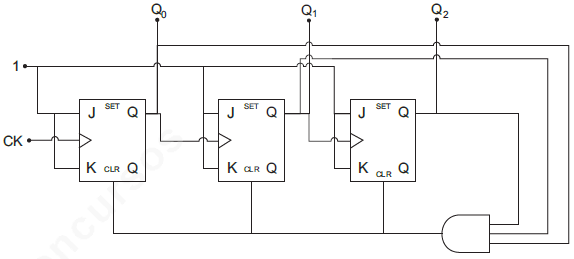
Considere o circuito abaixo, no qual as entradas CLR dos FLIP-FLOPS são acionados com nível lógico 1 e a mudança de estados dos FLI-FLOPS ocorrem na transição de descida do clock.

Com base nesses dados, este circuito implementa um
Provas
Questão presente nas seguintes provas
O galvanômetro do circuito abaixo possui resistência RG=100!$ Ω !$ e sensibilidade S=0,1K!$ Ω !$/v.

Esse circuito implementa um
Provas
Questão presente nas seguintes provas
Em relação ao ohmímetro, analise as afirmações abaixo.
I - Deve ser utilizado em série ao componente cuja resistência se deseja medir.
II - Deve ser utilizado em paralelo ao componente cuja resistência se deseja medir.
III - O componente que está sendo medido deve estar obrigatoriamente ligado ao restante do circuito.
IV - Utiliza correntes de baixo valor (μA-mA), de modo a minimizar a potência dissipada na resistência medida, enquanto a corrente aplicada depende da escala utilizada.
Está correto APENAS o que se afirma em
Provas
Questão presente nas seguintes provas
O diagrama de tempos abaixo mostra o clock e a variação da entrada de um FLIP-FLOP tipo T mestre-escravo, acionado na transição de descida do clock.

Em relação à saída Q não invertida do FLIP-FLOP, analise as afirmações a seguir.
I - A saída acompanhará o nível lógico da entrada T.
II - Se Q=0 no instante inicial, então Q=1 entre 2 e 4 segundos.
III - Se Q=0 no instante inicial, então Q=0 acima de 9 segundos.
IV - Se Q=1 no instante inicial, então Q=0 acima de 6 segundos.
Está correto APENAS o que se afirma em
Provas
Questão presente nas seguintes provas

Considerando-se 5V como nível lógico 1 e os diodos ideais, o circuito acima implementa uma porta
Provas
Questão presente nas seguintes provas
Cadernos
Caderno Container