Foram encontradas 2.648 questões.

A expressão booleana que corresponde ao circuito acima é
Provas
Questão presente nas seguintes provas
A expressão booleana mais simples corresponde à expressão !$ S=\overline{A}\, \overline{B} \, \overline{C} \, \overline{D}+\, A \, \overline{B}\, \overline{C}\, \overline{D}+\, \overline{A}\, \overline{B}C\, \overline{D}+A \, \overline{B} C \, \overline{D}+\, \overline{A}BC\, \overline{D}+ABC\, \overline{D} !$, é
Provas
Questão presente nas seguintes provas

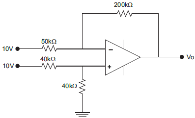
Considerando-se o amplificador operacional ideal, a tensão de saída Vo do circuito acima é
Provas
Questão presente nas seguintes provas

Dado que o transistor tem ganho de corrente !$ \beta !$ =100, os valores aproximados das impedâncias de entrada e saída e do ganho de tensão do circuito acima são, respectivamente,
Provas
Questão presente nas seguintes provas

O transistor do circuito acima tem tensão de condução base-emissor Vbe=0,7V e ganho de corrente !$ \beta !$ = 100. Nessas condições, as correntes de base e de coletor e a tensão de coletor valem, respectivamente,
Provas
Questão presente nas seguintes provas
Um sistema em malha aberta apresenta erro de estado estacionário ess=0.1 para uma entrada do tipo degrau unitário. A configuração em malha fechada que, certamente, instabiliza o sistema é
Provas
Questão presente nas seguintes provas
A resposta ao degrau de um sistema apresenta tempo de subida tr = 1.4 s, tempo de pico tp = 3.3 s, tempo de acomodação ts = 7.9 s (critério de 5%) e sobrepasso de 31%. Dentre os gráficos abaixo, o que corresponde à resposta ao degrau do sistema é
Provas
Questão presente nas seguintes provas

A fonte CA do circuito acima possui tensão de pico Vp=12V. Considerando-se os diodos ideais, o valor de pico e a frequência da tensão no resistor RL são, respectivamente,
Provas
Questão presente nas seguintes provas

Dado o circuito acima, a corrente I e a tensão Vo valem, respectivamente,
Provas
Questão presente nas seguintes provas
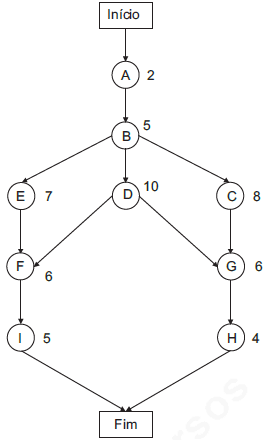
Para a realização de um projeto, foi construída a rede da figura abaixo, que mostra as atividades, o tempo de realização de cada atividade, em dias, e a relação de precedência.

A partir da análise da rede da figura, conclui-se que o tempo inicial mais cedo ESG, o tempo final mais cedo EFG, o tempo inicial mais tarde LSG, o tempo final mais tarde LFG e a folga SG da atividade G são, respectivamente,
Provas
Questão presente nas seguintes provas
Cadernos
Caderno Container