Foram encontradas 1.925 questões.

No circuito da figura acima, a fonte Vcc é positiva e constante, enquanto que Vs aplica uma tensão cuja forma de onda é esboçada na própria figura.
Dessa forma, a melhor representação para a forma de onda da tensão v0 é
Provas
Questão presente nas seguintes provas
Considere a seguinte função booleana:
!$ Y=A(\overline{B+\bar{C})}+(A \bar{B}+\bar{A}B)\bar{C} !$
Essa função é expressa na forma de mintermos, conforme mostrado em
Provas
Questão presente nas seguintes provas

No circuito da figura acima, considere que a queda de tensão no diodo, quando o mesmo se encontra em condução, é 0,7 V.
Nessa situação, a tensão Vo, em V, vale
Provas
Questão presente nas seguintes provas

Considere que o circuito da figura acima está operando em regime permanente senoidal. Por essa razão, a expressão no tempo da tensão !$ V_o !$ vale
Provas
Questão presente nas seguintes provas

Considerando-se o esquema da instalação elétrica do corredor de um apartamento, apresentado na figura acima, verifica-se que
Provas
Questão presente nas seguintes provas

No circuito da figura acima, considere !$ R_C = 2,5 kΩ !$, !$ R_E = 4,3 kΩ !$ e que o transistor !$ Q_1 !$ apresenta !$ V_{BE} = 0,7 \,V !$ e um parâmetro !$ \beta !$ muito elevado.
Dessa forma, a tensão entre o coletor do transistor !$ Q_1 !$ e o terminal de terra, em V, será
Provas
Questão presente nas seguintes provas

No circuito da figura acima, a queda de tensão em um diodo que esteja conduzindo corrente é de 0,7 V.
Assim, o valor da tensão V0, em V, será
Provas
Questão presente nas seguintes provas

No circuito da figura acima, considerando-se os amplificadores operacionais ideais, o valor da corrente IX será, em mA,
Provas
Questão presente nas seguintes provas

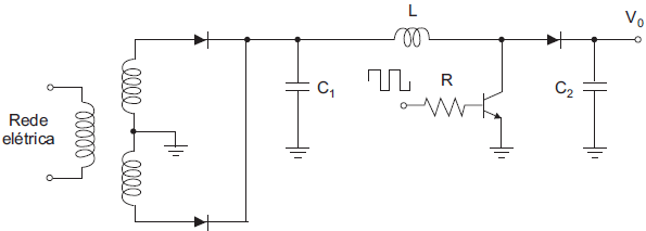
No circuito da figura acima, o sinal em onda quadrada aplicado ao circuito de base do transistor bipolar é grande o suficiente para fazer com que o transistor opere apenas em corte ou saturação.
Tal circuito é uma fonte
Provas
Questão presente nas seguintes provas

Acima são apresentados três retificadores que empregam transformadores com a mesma razão de transformação e alimentam a mesma carga RL.
Nesses retificadores, a(o)
Provas
Questão presente nas seguintes provas
Cadernos
Caderno Container