Foram encontradas 1.925 questões.
Um medidor analógico, com precisão especificada em 2%, possui 100 divisões até o fundo de escala.
Logo, o erro desse medidor equivale a quantas divisões?
Provas
Questão presente nas seguintes provas

A figura acima apresenta um circuito retificador composto por uma fonte de entrada, um transformador com tape central, dois diodos e a carga resistiva. A relação de transformação é 1:4, os diodos e o transformador são considerados ideais, e a tensão da fonte de entrada (Ventrada) é senoidal, com valor de pico de 15 V.
Para essa topologia de circuito, a tensão de saída é retificada
Provas
Questão presente nas seguintes provas
O dimensionamento correto dos condutores de uma instalação é primordial para garantir a segurança das pessoas e equipamentos, evitando o risco de incêndio. Nas instalações elétricas de baixa tensão, os condutores devem ser dimensionados pelo critério do limite de queda de tensão e pelo critério da capacidade de condução de corrente dos condutores.
São dados utilizados para o dimensionamento de condutores pelo critério da capacidade de condução de corrente:
Provas
Questão presente nas seguintes provas
Um motor que aciona a esteira de uma fábrica apresenta problemas de isolamento. O técnico de manutenção precisa realizar medições da resistência de isolamento entre a carcaça da máquina e as bobinas.
Para realizar essa tarefa, o profissional deve usar um
Provas
Questão presente nas seguintes provas

A um técnico foi solicitado determinar o fator de potência de uma carga. Ele dispunha de três equipamentos de medição para realizar tal tarefa. A conexão dos equipamentos no circuito está disposta na figura acima.
Para que as medições aferidas fossem capazes de determinar o fator de potência da carga Z, os equipamentos P, Q e R são, respectivamente,
Provas
Questão presente nas seguintes provas

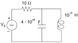
Considere os parâmetros elétricos do circuito RLC mostrado na figura acima, onde !$ V_S !$ é uma fonte de tensão senoidal.
A frequência de ressonância desse circuito, em rad/s, é
Provas
Questão presente nas seguintes provas
Em instalações e serviços em eletricidade, deve ser adotada sinalização adequada de segurança. Cada cor tem seu significado específico e deve ser bem interpretada a fim de evitar acidentes.
A esse respeito, analise as afirmativas abaixo.
I - O vermelho é usado para assinalar perigo.
II - O verde é a cor que caracteriza “segurança”.
III - O preto é empregado para indicar as canalizações de inflamáveis e combustíveis de alta viscosidade.
Está correto o que se afirma em
Provas
Questão presente nas seguintes provas
Um técnico deve fazer a especificação de um motor síncrono para operação em um pátio industrial. O motor deve ser trifásico, com frequência de alimentação de 60 Hz, e a carga que será conectada a esse motor deve operar em regime permanente com velocidade de 900 rpm para obter condição de melhor desempenho.
Quantos polos deve ter o motor para operar nessa condição?
Provas
Questão presente nas seguintes provas

O transformador da figura acima é ideal, e N1 e N2 são os números de espiras dos respectivos enrolamentos.
De acordo com as informações contidas na figura, o valor da relação !$ \large{N_1 \over N_2} !$ é
Provas
Questão presente nas seguintes provas

A figura acima mostra parte da curva Torque x Velocidade de um motor de indução. Na região apresentada no gráfico, a curva pode ser aproximada pela função Torque !$ =-{\large{4 \over 3}}n+1.200 \, N \cdot m !$, em que n é a velocidade de rotação do rotor em rpm.
Sabendo-se que esse motor é acoplado a uma carga cujo torque resistente é de 60 !$ N\cdot m !$, então, o valor percentual do escorregamento do rotor do motor é
Provas
Questão presente nas seguintes provas
Cadernos
Caderno Container