Foram encontradas 70 questões.
Ao final de uma expansão isotérmica, onde T = 100 K, uma quantidade de um gás ideal correspondente a !$ n= \dfrac {1} {8,3} !$ moles quadruplica seu volume, que inicialmente era Vi = 10 litros.
Qual o calor absorvido pelo gás ideal durante essa expansão?
Dados:
• ln 2 = 0,69
• Constante dos gases R = 8,3 J/(K.mol)
Provas
Questão presente nas seguintes provas

Um fluido ideal, incompressível e sem viscosidade, é conduzido por um tubo horizontal fino (plano horizontal xy) que se bifurca, como mostrado na figura acima. As seções retas antes e depois da bifurcação são idênticas. A velocidade do fluido na posição de v1 é igual a 2,0 m/s.
Qual a diferença de pressão ΔP = P1 – P2 (em Pa) entre a posição de v1 e v2 (ou v3)?
Dados:
• Aceleração da gravidade g = 10 m/s2
• Densidade do fluido ρ = 1,0 × 103 kg/m3
• As pressões e velocidades nas posições de v2 e v3 são idênticas
Provas
Questão presente nas seguintes provas

Seja o processo cíclico por que passa um gás ideal, operando como substância de trabalho de uma máquina térmica, determinado pelo diagrama T × S da figura acima, onde as unidades são todas SI.
Sendo assim, o rendimento r do processo é
Provas
Questão presente nas seguintes provas
Considere as informações a seguir para responder à questão.

Leve em conta a planta de controle cujo modelo de malha aberta, em função de transferência no domínio de Laplace, é dado por: !$ F(s)= \dfrac {K} {s^3 + 9s^2 + 23s + 15}. !$
Para um certo valor do ganho K, foi traçado o esboço aproximado do diagrama de Bode, em amplitude e fase, da função G(s), representado na figura acima.
Com base na curva de amplitude, para que valor do ganho K esse diagrama foi traçado?
Provas
Questão presente nas seguintes provas
Considere as informações a seguir para responder à questão.

Leve em conta a planta de controle cujo modelo de malha aberta, em função de transferência no domínio de Laplace, é dado por: !$ F(s)= \dfrac {K} {s^3 + 9s^2 + 23s + 15}. !$
Para um certo valor do ganho K, foi traçado o esboço aproximado do diagrama de Bode, em amplitude e fase, da função G(s), representado na figura acima.
Analisando-se o diagrama de Bode para estabelecer a condição de estabilidade dessa planta em malha fechada com realimentação de saída, o sistema malha fechada será
Provas
Questão presente nas seguintes provas

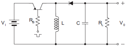
Na figura acima, é apresentado o circuito de um conversor CC-CC do tipo Buck-boost.
Sobre esse conversor, considere as afirmativas a seguir.
I - A tensão na saída V0 apresenta uma polaridade invertida em relação à tensão na entrada VI do conversor.
II - O módulo da tensão na saída V0 será menor que o da tensão na entrada VI , como ocorre em um conversor Buck, apenas quando o conversor Buck-boost estiver operando em modo descontínuo.
III - O módulo da tensão na saída V0 será maior que o da tensão na entrada VI , como ocorre em um conversor Boost, apenas quando o conversor Buck-boost estiver operando em modo contínuo.
Está correto o que se afirma em
Provas
Questão presente nas seguintes provas
Na figura abaixo, é apresentado um retificador controlado a tiristor (SCR), alimentando uma carga resistiva RL = 20 Ω. Na mesma figura, são apresentadas as formas de onda da tensão senoidal VR no primário do transformador e do sinal VG aplicado ao gate do tiristor.

Sabendo-se que a razão de transformação do transformador é !$ \dfrac {N_1} {N_2}=5 !$ , a potência média, em watts, dissipada na carga RL será de
Provas
Questão presente nas seguintes provas
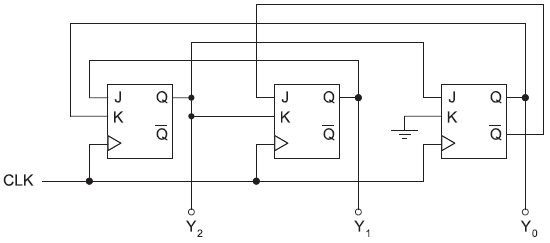
Na figura abaixo, é apresentado o diagrama esquemático de um circuito lógico sequencial constituído apenas por flip-flops JK, comandado por um sinal de clock (CLK) periódico.

Considerando-se que o circuito inicia sua operação a partir do estado Y2Y1Y0 = 000, sabe-se que o
Provas
Questão presente nas seguintes provas

No circuito da figura acima, considere que ambos os transistores possuem um parâmetro β muito elevado, de maneira que a corrente de base pode ser considerada desprezível em comparação com a corrente de coletor. Além disso, considere VBE = 0,7 V para ambos os transistores quando a junção base-emissor estiver diretamente polarizada.
Dessa forma, verifica-se que
Provas
Questão presente nas seguintes provas
No circuito da figura abaixo, o amplificador operacional é ideal, e o transistor apresenta um parâmetro β elevado o suficiente para que a corrente de base seja considerada desprezível em comparação com a corrente de coletor.

A partir do gráfico apresentado na figura com a forma de onda da tensão aplicada à entrada Vi do circuito, qual seria o gráfico da forma de onda da tensão na saída v0?
Provas
Questão presente nas seguintes provas
Cadernos
Caderno Container