Foram encontradas 70 questões.

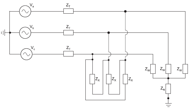
No circuito da figura acima, a impedância de sequência zero vista a partir da fonte de tensão é
Provas
Questão presente nas seguintes provas
Uma linha de transmissão trifásica é idealmente transposta, sendo as impedâncias próprias das fases iguais a Zp , e as impedâncias mútuas entre as fases todas iguais a Zm . Essas impedâncias já levam em consideração o efeito do solo.
As impedâncias de sequência positiva e de sequência zero dessa linha são j3 Ω e j9 Ω, respectivamente. De acordo com essas informações, os valores, em ohm, das impedâncias Zp e Zm , respectivamente, são
Provas
Questão presente nas seguintes provas

Uma árvore cai sobre uma linha de transmissão provocando um curto-circuito entre as três fases e o terra. A impedância de falta, entre o ponto de curto-circuito e o terra, é ZA , conforme indicado na figura acima.
Para essa condição, a impedância de sequência zero, vista pela fonte, é
Provas
Questão presente nas seguintes provas
Um transformador trifásico de 200 MVA, 138 kV/400 kV, tem uma reatância de dispersão de 10%.
Supondo-se que os valores de base do sistema, no lado de maior tensão, sejam 500 kV e 100 MVA, o valor por unidade da reatância do transformador na base do sistema é
Provas
Questão presente nas seguintes provas
O torque induzido em um motor de corrente contínua, com excitação de campo independente, operando em regime permanente, é de 300 Nm. A velocidade de rotação do eixo do motor é igual a 1.000 rpm.
Sabendo-se que a tensão interna gerada é de 250 V, então, para essa condição, o valor, em ampères, da corrente de armadura da máquina é
Dado: π = 3,14
Provas
Questão presente nas seguintes provas

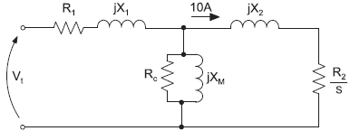
A figura acima mostra o modelo equivalente por fase de um motor de indução trifásico, com os parâmetros refletidos para o lado do estator. Os parâmetros com subíndices “2” são referentes ao rotor do motor. O valor da resistência R2 é igual a 0,1 Ω. Para uma dada condição de operação, o escorregamento do motor é de 0,04, e a corrente por fase induzida no rotor, refletida para o estator, é de 10 A.
De acordo com essas informações, o valor, em watts, da potência mecânica desenvolvida no eixo do rotor é
Provas
Questão presente nas seguintes provas
A tensão de rotor-bloqueado induzida no rotor de um motor de indução de rotor bobinado, na frequência nominal, é de 90 V.
Sabendo-se que, para uma determinada carga, o escorregamento do rotor é de 5%, então, nessa condição de operação, o valor, em volts, da tensão induzida no rotor é
Provas
Questão presente nas seguintes provas
Um motor de indução de quatro polos aciona as pás de um misturador industrial. O misturador contém um líquido, cuja viscosidade é proporcional à velocidade de rotação que, por sua vez, reflete no torque mecânico. Esse torque mecânico, para a região em torno do ponto de operação, pode ser aproximado pela função Torque = 0,3 n [Nm], em que n é a velocidade de rotação em rpm.
Sabendo-se que o motor é alimentado por uma rede elétrica de 60 Hz e que o seu escorregamento é de 2%, então, o valor, em Nm, do torque resistente da carga é
Provas
Questão presente nas seguintes provas
Um motor síncrono trifásico, ligado em Y, é conectado a uma fonte de tensão trifásica ideal, cujas tensão de fase e frequência são 220 V e 60 Hz, respectivamente. A reatância síncrona do motor é igual a 5 Ω, e a tensão interna por fase gerada é de 250 V.
Desconsiderando-se qualquer tipo de perdas, o valor, em kW, da máxima potência que esse motor pode fornecer é
Provas
Questão presente nas seguintes provas
Para se determinar a resistência de armadura de um motor síncrono trifásico de 150 kVA/380 V, conectado em triângulo, aplicou-se uma tensão contínua de 10 V entre dois terminais da máquina em repouso, e a corrente medida foi de 50 A.
De acordo com essas informações, o valor, em ohm, da resistência de armadura por fase da máquina é de
Provas
Questão presente nas seguintes provas
Cadernos
Caderno Container