Foram encontradas 70 questões.

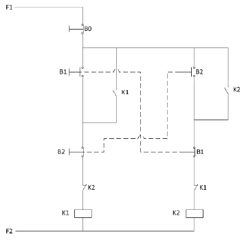
A figura acima ilustra um diagrama auxiliar de comando de reversão de um motor trifásico. Esse diagrama é utilizado em um simulador de defeitos para análise e interpretação de esquemas de comandos elétricos. Considere o tempo de abertura e fechamento dos contatos desprezível.
Associe a alteração do diagrama auxiliar produzida pelo simulador aos defeitos ocorridos no acionamento do motor.
| ALTERAÇÃO DO DIAGRAMA | DEFEITOS |
|
I - Inversão dos contatos normalmente abertos de K1 e K2 II - Inversão dos contatos normalmente fechados de B1 e B2 III - Inversão dos contatos normalmente fechados de K1 e K2 |
P - As contatoras K1 e K2 são energizadas de forma intermitente ao pressionar os botões de impulso B1 e B2, respectivamente. Q - As contatoras K1 e K2 não se mantêm energizadas após acionamento dos botões de impulso B1 e B2, respectivamente. R - As contatoras K1 e K2 são energizadas simultaneamente ao acionar os botões de impulso B1 ou B2. S - As contatoras K1 e K2 não são energizadas em nenhum momento, mesmo com o acionamento dos botões de impulso B1 e B2. |
Estão corretas as associações:
Provas
Questão presente nas seguintes provas
O relé de gás é um dispositivo de proteção empregado normalmente em transformadores de força. Esse relé também recebe o nome de relé Buchholz.
Uma das finalidades desse relé é proteger o transformador contra
Provas
Questão presente nas seguintes provas
Considere as informações a seguir para responder à questão.

A figura acima apresenta um circuito auxiliar para comando de três motores elétricos em uma montadora automotiva. Os motores, nomeados M1, M2 e M3, são acionados em partida direta através das contatoras K1, K2 e K3, respectivamente. O circuito auxiliar utiliza, além das contatoras já descritas, dois relés auxiliares (KA1 e KA2), dois relés de tempo (KT1 e KT2) e três botões de impulso (B0, B1 e B2). O ajuste dos temporizadores dos relés de tempo KT1 e KT2 é de 1 segundo para ambos os relés.
Considere o circuito inicialmente em repouso. O acionamento do botão de impulso B2 energiza o relé auxiliar KA2.
Nessa situação, o(a)
Provas
Questão presente nas seguintes provas
Considere as informações a seguir para responder à questão.

A figura acima apresenta um circuito auxiliar para comando de três motores elétricos em uma montadora automotiva. Os motores, nomeados M1, M2 e M3, são acionados em partida direta através das contatoras K1, K2 e K3, respectivamente. O circuito auxiliar utiliza, além das contatoras já descritas, dois relés auxiliares (KA1 e KA2), dois relés de tempo (KT1 e KT2) e três botões de impulso (B0, B1 e B2). O ajuste dos temporizadores dos relés de tempo KT1 e KT2 é de 1 segundo para ambos os relés.
Considere o circuito inicialmente em repouso.
Considere o circuito inicialmente em repouso.
Para o acionamento apenas do botão de impulso B1 no instante de tempo t = 0 s, qual a ordem de energização dos motores M1, M2 e M3, durante os períodos 0s < t <1s, 1s < t < 2s e t > 2s?
| 0s < t <1s | 1s < t < 2s | t > 2s |
Provas
Questão presente nas seguintes provas

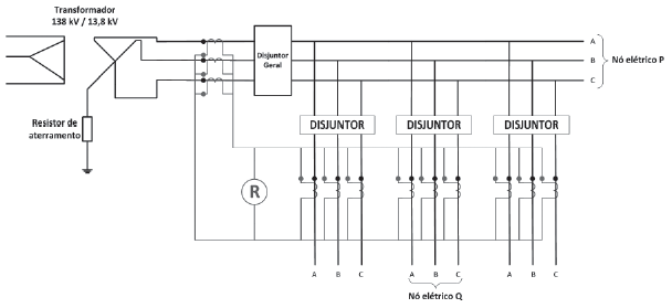
A figura acima ilustra a proteção diferencial de um barramento de 13,8 kV. Os TCs estão com as polaridades indicadas, e o relé R é um relé de sobrecorrente monofásico (F.87BN). O nó elétrico P está situado entre o disjuntor geral, e os disjuntores dos alimentadores, conforme indicado na figura. O nó elétrico Q está à jusante dos TCs do disjuntor de um dos alimentadores, conforme indicado na figura.
A esse respeito, considere as afirmativas abaixo.
I - Um curto-circuito fase-terra no nó elétrico P faz atuar a proteção através do acionamento do relé R.
II - Um curto-circuito fase-fase no nó elétrico P faz atuar a proteção através do acionamento do relé R.
III - Um curto-circuito fase-terra no nó elétrico Q faz atuar a proteção através do acionamento do relé R.
IV - Um curto-circuito fase-fase no nó elétrico Q faz atuar a proteção através do acionamento do relé R.
Está correto o que se afirma em
Provas
Questão presente nas seguintes provas
A NBR 5410:2004 estabelece as prescrições de aterramento e a equipotencialização por razões funcionais. Entendem-se razões funcionais com o sentido de garantir o bom funcionamento dos circuitos de sinal e a compatibilidade eletromagnética.
A esse respeito, considere as afirmativas abaixo.
I - Um mesmo condutor não pode ser utilizado simultaneamente para fi ns de condutor de proteção e condutor de aterramento funcional.
II - O aterramento funcional deve ser sempre separado do barramento de equipotencialização principal da edificação.
III - Condutores de aterramento de dispositivos de proteção contra sobretensão podem ser ligados ao barramento de equipotencialização funcional.
Está correto APENAS o que se afirma em
Provas
Questão presente nas seguintes provas
| Queda de tensão em V/A.km | 16,9 | 10,6 | 7,07 | 4,23 | 2,68 |
| Seção nominal em mm² | 2,5 | 4 | 6 | 10 | 16 |
Considere a tabela apresentada acima para dimensionamento de condutores pelo critério do limite de queda de tensão. A tabela já está de acordo com o tipo de isolação do condutor, o modo de instalação, o material do eletroduto, o tipo de circuito e com o fator de potência do circuito. Suponha que o limite da queda de tensão admitida seja de 4% para o trecho da instalação, o comprimento do circuito seja de 40 metros, a corrente de projeto do circuito seja de 20 ampères, e a tensão de alimentação seja de 220 volts.
Qual a menor seção nominal do condutor, em mm², que deve ser adotada para o seu dimensionamento, de acordo com o critério do limite de queda de tensão?
Provas
Questão presente nas seguintes provas
Seja uma linha de transmissão simétrica representada por parâmetros concentrados, segundo o modelo Pi.
O quadripolo do modelo é dado por:
!$ \begin{bmatrix} V_s \\ I_s \end{bmatrix} = \begin{bmatrix} 0,8&& j8\Omega \\ j4,5.10^{-2}S && 0,8 \end{bmatrix} \begin{bmatrix} V_r \\ I_r \end{bmatrix} !$, onde
Vs e Vr são as tensões nos terminais emissor e receptor, respectivamente, assim como Is e Ir são as correntes nos terminais emissor e receptor, respectivamente.
Possuindo a linha de transmissão um comprimento de 500 km, quais são a impedância z e a admitância y, de sequência positiva por unidade de comprimento?
Provas
Questão presente nas seguintes provas

A figura acima apresenta a configuração geométrica de um condutor composto em uma linha de transmissão. Considere todos os fios cilíndricos, em paralelo e com a corrente da fase igualmente distribuída entre eles. Os fios externos estão igualmente espaçados em um quadrado de lado d, e o fio interno está no centro do mesmo quadrado. Considere o raio efetivo de cada fio igual a r.
Qual a expressão que determina o RMG – Raio Médio Geométrico (ou DMG própria – Distância Média Geométrica própria) do condutor composto?
Provas
Questão presente nas seguintes provas
Para medir a resistência interna da bateria de 12 V de um automóvel, um técnico usou um multímetro e uma lâmpada do farol desse automóvel. Verificou que a lâmpada era especificada para operar com 12 V e 30 W. Mediu primeiramente a tensão nominal nos bornes da bateria em aberto e obteve 12,72 V. Em seguida, acendeu a lâmpada ligando-a aos bornes da bateria, verificando que, com a lâmpada ligada, a tensão medida nos bornes caía para 11,52V.
Qual o valor aproximado da resistência interna dessa bateria?
Provas
Questão presente nas seguintes provas
Cadernos
Caderno Container