Foram encontradas 70 questões.

Na figura acima, a carga é alimentada pela fonte através do transformador, o qual está representado por seus parâmetros refletidos para o lado de maior tensão. As perdas no núcleo e a corrente de magnetização do transformador são desprezíveis.
De acordo com as informações apresentadas, o valor percentual da regulação de tensão do transformador, para essa condição, é
Provas
Questão presente nas seguintes provas

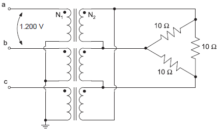
No circuito da figura acima, os transformadores monofásicos são idênticos e ideais. O sistema é alimentado por uma fonte balanceada, cujo valor rms da tensão fase-fase é de 1.200 V.
Sabendo-se que a potência total dissipada no banco de resistores é de 3 kW, o valor da relação N1/N2 é
Provas
Questão presente nas seguintes provas

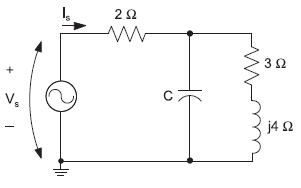
No circuito da figura acima, a frequência da tensão da fonte Vs é 60 Hz.
Para que a fase da corrente Is seja igual à fase da tensão Vs , o valor, em farad, da capacitância C deve ser
Provas
Questão presente nas seguintes provas

Na figura acima, uma lâmpada incandescente, que se supõe acender para qualquer diferença de potencial, é conectada aos neutros da fonte e da carga, ambas trifásicas. A carga é balanceada, e as tensões da fonte são senoides, cujos números complexos representativos (fasores) são Va , Vb e Vc.
Para que a lâmpada acenda, os valores de Va , Vb e Vc, em volts, devem ser, respectivamente,
| Va | Vb | Vc |
Provas
Questão presente nas seguintes provas

No circuito da figura acima, a fonte trifásica é ideal e balanceada.
A impedância equivalente por fase desse circuito, em função de !$ Z_\Delta !$ e !$ Z_Y !$ , é
Provas
Questão presente nas seguintes provas
No arranjo da figura abaixo, é apresentado um trilho formado por duas barras condutoras paralelas muito longas, dispostas verticalmente em relação ao solo, sobre as quais uma barra móvel condutora de comprimento L = 2 m e massa M = 100 g pode movimentar-se livremente, sem atrito e sem perder o contato com o trilho. Um campo magnético uniforme B = 0,5 T é aplicado a esse arranjo, conforme mostra a figura.

Considere que a aceleração da gravidade vale g = 10 m/s2 e que o valor das resistências elétricas da barra e do trilho é desprezível em comparação com o resistor R.
Dessa forma, o valor da resistência R que permite que a barra caia com velocidade constante v = 10 m/s é
Provas
Questão presente nas seguintes provas

O circuito da figura acima deve ser equacionado pelo método de tensões sobre os nós, para a solução através de uma equação matricial linear. Devem-se considerar as tensões sobre os nós V1 e V2 , a fonte de alimentação e as impedâncias presentes no circuito. A análise feita na estrutura resultou na seguinte equação matricial
!$ M \begin{bmatrix} V_1 \\ V_2 \end{bmatrix} = \begin{bmatrix} Z_2 \quad V_f \\ 0 \end{bmatrix} !$
Provas
Questão presente nas seguintes provas

Considere que um capacitor se descarrega após cinco constantes de tempo e que o capacitor do circuito, mostrado na figura acima, encontra-se carregado com uma tensão V0 , no instante de tempo inicial (t=0). Com a chave ch aberta, o capacitor leva um tempo T1 para se descarregar. Com a chave ch fechada, ele leva T2 para se descarregar.
Qual a relação !$ \dfrac {T_1} {T_2} !$ ?
Provas
Questão presente nas seguintes provas

Duas superfícies cilíndricas, coaxiais, condutoras e infinitamente longas têm raios a [m] e b [m], conforme mostra a figura acima. A região entre os cilindros é preenchida por um dielétrico homogêneo, sem perda, com permissividade constante !$ \varepsilon: !$ [F/m], e as superfícies condutoras dos cilindros têm espessuras desprezíveis. Considere que a superfície interna está no potencial elétrico de +50 V e a externa no potencial de 0 V.
Com base nos dados fornecidos, qual a expressão do raio r de uma superfície equipotencial, cilíndrica, no interior do dielétrico, que está com potencial de +10 V?
Provas
Questão presente nas seguintes provas
Text I
A Day in the Life of the Women of O&G
by Jaime Kammerzell From Rigzone Contributor. Tuesday, February 14, 2012
Although far fewer women work in the oil and gas (O&G) industry compared to men, many women find rewarding careers in the industry. Five women were asked the same questions regarding their career choices in the oil and gas industry.
Question 1: Why did you choose the oil and gas industry?
Woman 1: Cool technology, applying science and money.
Woman 2: It seemed interesting and the pay was good.
Woman 3: They offered me a job! I couldn’t turn down the great starting salary and a chance to live in New Orleans.
Woman 4: I did not really choose the oil and gas industry as much as it chose me.
Woman 5: I chose the oil and gas industry because of the challenging projects, and I want to be part of our country’s energy solution.
Question 2: How did you get your start in the oil and gas industry?
Woman 1: I went to a university that all major oil companies recruit. I received a summer internship with Texaco before my last year of my Master’s degree.
Woman 2: I was recruited at a Texas Tech Engineering Job Fair.
Woman 3: At the time, campus recruiters came to the geosciences department of my university annually and they sponsored scholarships for graduate students to help complete their research. Even though my Master’s thesis was more geared toward environmental studies, as a recipient of one of these scholarships, my graduate advisor strongly encouraged me to participate when the time came for O&G Industry interviews.
Woman 4: I was working for a company in another state where oil and gas was not its primary business. When the company sold its division in the state where I was working, they offered me a position at the company’s headquarters in Houston managing the aftermarket sales for the company’s largest region. Aftermarket sales supported the on-highway, construction, industrial, agricultural and the oil and gas markets. After one year, the company asked me to take the position of managing their marine and offshore power products division. I held that position for three years. I left that company to join a new startup company where I hold the position of president.
Woman 5: My first job in the oil and gas industry was an internship with Mobil Oil Corp., in New Orleans.I worked with a lot of smart, focused and talented geoscientists and engineers.
Question 3: Describe your typical day.
Woman 1: Tough one to describe a typical day. I generally read email, go to a couple of meetings and work with the field’s earth model or look at seismic.
Woman 2: I talk with clients, help prepare bids and work on getting projects out the door. My days are never the same, which is what I love about the job I have.
Woman 3: I usually work from 7:30 a.m. – 6:30 p.m. (although the official day is shorter). We call the field every morning for an update on operations, security, construction, facilities and production engineering activities. I work with my team leads on short-term and long-term projects to enhance production (a lot of emails and Powerpoint). I usually have 2-3 meetings per day to discuss/prioritize/review ongoing or upcoming work (production optimization, simulation modeling, drilling plans, geologic interpretation, workovers, etc.). Beyond our team, I also participate in a number of broader business initiatives and leadership teams.
Woman 4: A typical day is a hectic day for me. My day usually starts well before 8 a.m. with phone calls and emails with our facility in Norway, as well as other business relationships abroad. At the office, I am involved in the daily business operations and also stay closely involved in the projects and the sales efforts. On any given day I am working on budgets and finance, attending project meetings, attending engineering meetings, reviewing drawings and technical specifications, meeting with clients and prospective clients, reviewing sales proposals, evaluating new business opportunities and making a lot of decisions.
Woman 5: On most days I work on my computer to complete my projects. I interpret logs, create maps, research local and regional geology or write documents. I go to project meetings almost every day. I typically work only during business hours, but there are times when I get calls at night or on weekends from a rig or other geologists for assistance with a technical problem.
Adapted from URL: <http://www.rigzone.com/news/article.asp?a_id=11508>. Retrieved on February 14, 2012. 11
Text II
How To Start A Career In The Oil And Gas Industry:
What Employers Say
By Katie Weir
From Talent Acquisition Specialist, Campus
Talisman Energy
From Talent Acquisition Specialist, Campus
Talisman Energy
How to start your career, step by step
Fix up your resumé – take it to your career centre at your university and they’ll help you.
Write a compelling cover letter that speaks to your best qualities – save the pretentious language for your English papers.
Join a professional association and attend their events – if you feel uncomfortable attending alone, try volunteering at them. By having a job to do, it gives you an excuse to interact with the attendees, and an easy way to start up a conversation the next time you see them.
Do your research – I can’t stress this enough. I want students to apply to Talisman, not because we have open jobs, but because they actually have an interest in what we’re doing, and want to be a part of it.
Be confident, but stay humble – it’s important to communicate your abilities effectively, but it’s also important to be conscious of the phrase: “sense of entitlement.” This generation entering the workforce has already been branded with the word “entitlement,” so students will need to fight against this bias from the very beginning of any relationship with people in the industry – be aware that you will need to roll up your sleeves and work hard for the first couple years, and you will be rewarded in the end.
Retrieved and adapted from URL: <http://talentegg.ca/incubator/2010/11/29/how-to-start-a-career-in-the-oil-and-gas-industry -what-employers-say/>. Acess on: February 14, 2012.
Provas
Questão presente nas seguintes provas
Cadernos
Caderno Container