Foram encontradas 410 questões.
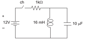
O circuito mostrado na Figura abaixo é composto por uma fonte de corrente contínua, uma chave liga/desliga (ch), um resistor, um indutor e um capacitor, todos considerados ideais e com os respectivos valores impressos.

O circuito acima definido entrará em regime permanente se a chave for mantida fechada por um longo tempo.
Ao atingir o regime permanente, qual será o valor da corrente elétrica, em mA, fornecida pela fonte?
Provas
- EletrotécnicaCircuitos Elétricos em Eletricidade
- EletrotécnicaCircuitos de Corrente Contínua e de Corrente Alternada
- Chaves Seccionadoras
O circuito mostrado na Figura abaixo é composto por uma fonte de corrente contínua, uma chave liga/desliga (ch), um resistor, um indutor e um capacitor, todos considerados ideais e com os respectivos valores impressos.

Após o fechamento da chave no instante t=0 e durante o regime transitório, uma corrente elétrica alternada será fornecida pela fonte aos componentes desse circuito.
O sinal senoidal amortecido dessa corrente vai oscilar numa frequência angular, em rad/s, de valor próximo a
Provas

O dispositivo ilustrado no diagrama da Figura mostrada acima é denominado
Provas
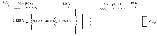
A Figura a seguir mostra o circuito equivalente de um transformador monofásico, indicando numericamente os componentes e os valores eficazes das correntes.

Diante do exposto, o valor das perdas do núcleo do transformador, em W, é
Provas
A Figura a seguir apresenta um traçado elétrico de um ambiente residencial, onde a luminária pode ter seu estado mudado por qualquer um dos interruptores.

Os fios do circuito que passam pelas linhas 1, 2 e 3 são, respectivamente:
Provas
Provas
Dispositivos de proteção estão presentes nas instalações elétricas de baixa tensão e se diferenciam quanto aos tipos de proteção aos quais se aplicam.
Os Dispositivos de Proteção contra Surtos — DPS — têm aplicação na proteção contra
Provas
A utilização de equipamentos eletrônicos nas instalações elétricas pode aumentar a presença de correntes harmônicas nos condutores.
Para projetos de instalações elétricas de baixa tensão, qual é a consequência no projeto do condutor neutro em respeito à presença ou não de correntes de terceira harmônica em um determinado circuito?
Provas
Provas
Fez-se a experiência de fechar uma chave ligando uma fonte de tensão contínua a um capacitor, inicialmente descarregado, através de um resistor. É de praxe admitir que o capacitor atinge a carga plena depois de 5(cinco) constantes de tempo, contadas a partir do fechamento da chave.
Operando-se com um capacitor de 100 μF e um resistor de 4 kΩ, o tempo aproximado, em segundos, para o capacitor atingir a sua carga plena será de
Provas
Caderno Container