Foram encontradas 410 questões.
O diagrama lógico apresentado a seguir tem as entradas X, Y e Z e a saída W.

A saída W assume o estado lógico alto quando a entrada
Provas
- EletrotécnicaCircuitos Elétricos em Eletricidade
- EletrotécnicaCircuitos de Corrente Contínua e de Corrente Alternada
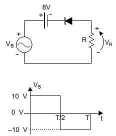
O circuito eletrônico da Figura é composto pela fonte de tensão alternada VS, pela fonte de tensão contínua de 8 V, por um diodo ideal e por uma carga R. A forma de onda da tensão VS é periódica e está representada na Figura abaixo por apenas um período, de 0 a T.

Qual o valor médio, em volts, da tensão VR na carga?
Provas
A Figura abaixo representa um esquema de potência e de comando de um quadro elétrico a relé.

PRUDENTE, Francesco. Automação Industrial - PLC: Teoria e Aplicações, Curso Básico. LTC. 2ª ed. Adaptado.
No sistema representado na Figura acima, observa-se que a(o)
Provas
- EletrotécnicaCircuitos Elétricos em Eletricidade
- EletrotécnicaCircuitos de Corrente Contínua e de Corrente Alternada
Um retificador do tipo ponte a diodo completa foi montado de forma errada, pois se substituiu um dos diodos por uma resistência de valor igual ao da carga. O retificador está mostrado na Figura abaixo, assim como a forma de onda da fonte que o alimenta.

De acordo com a polaridade indicada e considerando-se os diodos ideais, qual será a forma de onda na tensão da carga?
Provas
A Figura abaixo mostra a tela de um osciloscópio medindo um sinal de tensão puramente senoidal e mostra também a linha de 0 volts com a grade de divisões (div) de amplitude e a base de tempo.

As escalas nas linhas de grade da tela do osciloscópio informam 10 volts/div em amplitude e 20 μs/div na base de tempo.
Provas
- EletrotécnicaCircuitos Elétricos em Eletricidade
- EletrotécnicaCircuitos de Corrente Contínua e de Corrente Alternada

Um amperímetro opera com um resistor shunt (Rshunt) e um galvanômetro com corrente máxima igual a 10 mA e resistência interna de 5 Ω. Valores de Rshunt devem ser calculados para que o amperímetro possa ser ajustado a operar nas escalas de 1 A, 5 A, 10 A, 20 A e 50 A.
Para efetuar a leitura da corrente no resistor de 6 Ω do circuito acima, o maior valor de Rshunt , em mΩ, é:
Provas
- EletrotécnicaCircuitos Elétricos em Eletricidade
- EletrotécnicaCircuitos de Corrente Contínua e de Corrente Alternada
A Figura a seguir mostra uma aplicação hipotética de um circuito retificador para carregamento de uma bateria. Ele consiste em uma fonte senoidal vs , um diodo ideal e um modelo de bateria representado por uma indutância L em série com uma fonte de tensão contínua e constante E. Uma corrente i circula no circuito durante seu funcionamento.

Analisando-se o funcionamento desse circuito, em regime permanente, verifica-se que a(o)
Provas
- EletrotécnicaCircuitos Elétricos em Eletricidade
- EletrotécnicaCircuitos de Corrente Contínua e de Corrente Alternada
Para que haja a equivalência elétrica nos terminais A, B e C dos circuitos Delta e Estrela abaixo, quais são, respectivamente, os valores das resistências RA, RB e RC do circuito Estrela?

Provas
A planta abaixo apresenta o esquema unifilar do projeto de instalação elétrica de um cômodo.

Nesse projeto, constata-se que o circuito
Provas
- EletrotécnicaCircuitos Elétricos em Eletricidade
- EletrotécnicaCircuitos de Corrente Contínua e de Corrente Alternada
No circuito resistivo de corrente contínua, mostrado na Figura a seguir, todos os componentes são considerados ideais.

Qual a tensão, em volts, medida entre os pontos a e b desse circuito?
Provas
Caderno Container