Foram encontradas 2.276 questões.
Disciplina: Engenharia Eletrônica
Banca: CESPE / CEBRASPE
Orgão: Petrobrás

Em muitas situações, o técnico de instrumentação deverá analisar diagramas de montagem de sistemas industriais que seguem alguma simbologia de representação dos instrumentos. Alguns desses símbolos de instrumentos de automação industrial estão representados nas figuras acima, feitas de acordo com a norma NBR-8190 da ABNT. Com referência a esses símbolos e aos instrumentos por eles representados, julgue a associação proposta no item seguinte.
I — tubo Pitot
Provas
Disciplina: Engenharia Eletrônica
Banca: CESPE / CEBRASPE
Orgão: Petrobrás
Os controladores lógicos programáveis (CLPs) são utilizados para automatizar uma série de procedimentos em um processo industrial. O CLP torna a planta industrial flexível, pois pode ser reprogramado quando ocorre uma modificação no processo.
A respeito de CLP, julgue o item que se segue.
Quando são utilizados módulos de entradas digitais para CLP, os sinais são convertidos para a forma analógica para processamento.
Provas
Disciplina: Engenharia Eletrônica
Banca: CESPE / CEBRASPE
Orgão: Petrobrás
Os controladores lógicos programáveis (CLPs) são utilizados para automatizar uma série de procedimentos em um processo industrial. O CLP torna a planta industrial flexível, pois pode ser reprogramado quando ocorre uma modificação no processo.
A respeito de CLP, julgue o item que se segue.
O CLP possui o inconveniente de ser programado apenas em linguagem de baixo nível.
Provas
Disciplina: Engenharia Eletrônica
Banca: CESPE / CEBRASPE
Orgão: Petrobrás
Acerca do conhecimento dos materiais e ferramentas apropriados para a instalação de equipamentos de instrumentação industrial, julgue o seguinte item.
Em geral, os tubos de materiais plásticos apresentam como características uma alta resistência à corrosão e uma baixa condutividade térmica e elétrica.
Provas
Disciplina: Engenharia Eletrônica
Banca: CESPE / CEBRASPE
Orgão: Petrobrás
De acordo com os conceitos básicos de Metrologia, julgue o item que segue.
Um reservatório de água com capacidade para 4,0 m3 comporta um volume de água inferior a 4.500.000,0 cm3.
Provas
Disciplina: Engenharia Eletrônica
Banca: CESPE / CEBRASPE
Orgão: Petrobrás
Na automação de dutos de condução de petróleo, as válvulas são os elementos finais de controle mais comumente utilizados. Nesse sentido, julgue o item a seguir, que tratam de conceitos relacionados às válvulas de controle.
Para válvulas cujo acionamento requeira uma elevada força motriz, pode-se optar por um atuador eletroidráulico.
Provas
Com relação aos dispositivos semicondutores, julgue o item seguinte.
O diodo Shockley é um dispositivo da família pnpn com apenas dois terminais externos. A curva característica desse dispositivo (tensão × corrente) é idêntica a do SCR para qualquer valor de corrente de porta. O diodo Shockley pode substituir o SCR em aplicações como controle de relés, circuitos de retardo de tempo, fontes de potência reguladas, chaves estáticas, controle de motor, inversores e carregadores de bateria entre outras.
Provas
Um sistema de controle visa fazer que certa variável de saída do processo acompanhe uma entrada de referência. Para isso, é necessária uma comparação entre a saída e o sinal de referência, por meio de um procedimento de realimentação. Também, geralmente, é necessária uma ação de controle adequada. A respeito do controle dinâmico de processos, julgue o item que se segue.
Se a variável de entrada em um controlador proporcional for uma onda quadrada e o controlador estiver operando em sua faixa linear, a saída desse controlador deverá ser uma variável com forma de onda triangular.
Provas

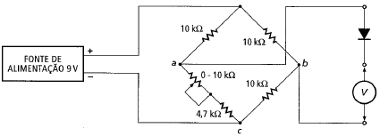
João Michel Andrey. Eletrônica básica: teoria e prática.
São Paulo: Rideel, 1999, p. 109 (com adaptações).
Com relação à figura acima, que mostra o diagrama esquemático de um circuito elétrico, julgue o item em seguida.
A fonte de alimentação fornece tensão CC igual a 9 V.
Provas

Com relação ao circuito digital combinacional com entradas A, B e C e saída X apresentado na figura acima, julgue o item a seguir.
Uma expressão booleana correspondente à saída é !$ X=(\overline{\overline{A}+\overline{B}}) \cdot B \cdot C !$.
Provas
Caderno Container