Foram encontradas 2.276 questões.

O sistema mostrado acima faz parte de uma linha de alimentação de óleo combustível para uma caldeira. Nesse fluxograma de processo, alguns instrumentos conectados à rede são ilustrados. Julgue o item a seguir, com relação a esses instrumentos e suas formas de controlar o processo.
O FR-4102-T é um instrumento transmissor da variável do processo.
Provas
Julgue o item abaixo quanto à correta associação entre a grandeza a ser medida e o nome de um instrumento que pode ser usado para esse fim.
Para a medição de vazão, pode-se usar o tubo de Venturi.
Provas
O almoxarifado de uma empresa montadora recebeu um lote de peças de materiais diferentes para uma rede de ar para instrumentação. Os certificados dos materiais informavam tratar-se do API 5L Gr.B para tubos com costura galvanizados e do ASTM A105 para flanges. As válvulas vieram com o corpo em bronze e a sede em material AISI 410 e as uniões em ASTM A197 com sede em latão. As juntas chegaram em papelão hidráulico e em metal maciço. Julgue o item seguinte quanto ao tipo, classe, propriedades e fabricação dos materiais recebidos pelo almoxarifado.
O API 5L Gr.B é um aço carbono similar ao aço carbono ASTM A53 Gr.B.
Provas
O almoxarifado de uma empresa montadora recebeu um lote de peças de materiais diferentes para uma rede de ar para instrumentação. Os certificados dos materiais informavam tratar-se do API 5L Gr.B para tubos com costura galvanizados e do ASTM A105 para flanges. As válvulas vieram com o corpo em bronze e a sede em material AISI 410 e as uniões em ASTM A197 com sede em latão. As juntas chegaram em papelão hidráulico e em metal maciço. Julgue o item seguinte quanto ao tipo, classe, propriedades e fabricação dos materiais recebidos pelo almoxarifado.
O bronze é uma liga de cobre com antimônio.
Provas

O sistema mostrado acima faz parte de uma linha de alimentação de óleo combustível para uma caldeira. Nesse fluxograma de processo, alguns instrumentos conectados à rede são ilustrados. Julgue o item a seguir, com relação a esses instrumentos e suas formas de controlar o processo.
O sistema registra o fluxo de combustível e utiliza um venturi como elemento de medição.
Provas
Com relação a códigos utilizados na área de eletrônica digital, julgue o item seguinte.
No código 2 em 5, cada dígito decimal é representado por 5 dígitos, sendo que exatamente dois deles são sempre iguais a 0.
Provas
O almoxarifado de uma empresa montadora recebeu um lote de peças de materiais diferentes para uma rede de ar para instrumentação. Os certificados dos materiais informavam tratar-se do API 5L Gr.B para tubos com costura galvanizados e do ASTM A105 para flanges. As válvulas vieram com o corpo em bronze e a sede em material AISI 410 e as uniões em ASTM A197 com sede em latão. As juntas chegaram em papelão hidráulico e em metal maciço. Julgue o item seguinte quanto ao tipo, classe, propriedades e fabricação dos materiais recebidos pelo almoxarifado.
Os tubos com costura galvanizados devem ter sido fabricados por soldagem de topo, pelo processo a arco elétrico eletrodo revestido, e passados em um banho de cádmio a quente.
Provas
Para a implementação de uma tubulação, são necessários diversos elementos acessórios. A respeito desses acessórios, julgue o item em seguida.
Quanto à classificação por finalidade, a cruzeta é um acessório que serve para fazer derivação em tubulação.
Provas
As modernas plantas industriais automatizadas utilizam controladores lógico-programáveis (CLPs). Esses equipamentos digitais de processamento são flexíveis, devido ao fato de possuírem hardware modular e trabalharem sob supervisão de programas que podem ser alterados conforme as necessidades do processo de produção. A respeito de CLPs, julgue o item a seguir.
Uma vez lidas as variáveis de entrada, os dados correspondentes são armazenados na memória-imagem do CLP.
Provas
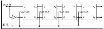
Com relação a circuitos seqüenciais e a flip-flops, julgue o item subseqüente.
O circuito mostrado a seguir corresponde a um contador assíncrono.

Provas
Caderno Container