Magna Concursos

Foram encontradas 3.167 questões.

2659237 Ano: 2007
Disciplina: Engenharia Mecânica
Banca: CESPE / CEBRASPE
Orgão: Petrobrás

Com relação ao uso de sensores de temperatura, julgue o item seguinte.

Em alguns sensores de temperatura resistivos, como os RTDs e os termistores, é importante que uma corrente elétrica passe pelo sensor, de forma a gerar tensão mensurável. Essa corrente deve ser sempre a maior possível, até o ponto em que o sensor alcance o ponto de fusão, de forma a aumentar a sensitividade do mesmo e a minimizar o efeito do auto-aquecimento.

 

Provas

Questão presente nas seguintes provas
2659236 Ano: 2007
Disciplina: Engenharia Mecânica
Banca: CESPE / CEBRASPE
Orgão: Petrobrás

As máquinas que dispõem de lubrificação a óleo precisam de retentores, de forma a se evitarem vazamentos e a entrada de impurezas. Aspecto fundamental a ser considerado na escolha dos retentores é o de verificar se o seu material é compatível com o fluido a ser vedado e com a temperatura de trabalho. Considerando um motor que utiliza óleo derivado de petróleo em seu sistema de lubrificação, julgue o item subseqüente.

Os retentores utilizados no sistema de lubrificação deverão ser produzidos, preferencialmente, em borracha nitrílica (NBR).

 

Provas

Questão presente nas seguintes provas
2659235 Ano: 2007
Disciplina: Engenharia Mecânica
Banca: CESPE / CEBRASPE
Orgão: Petrobrás

Operações de soldagem e corte envolvem riscos de incêndios, explosões, queimaduras, choque elétrico etc. Práticas de segurança são obrigatórias em galpões de fabricação e na montagem de campo. Acerca desse assunto, julgue o item que se segue.

O vidro escuro da máscara de solda usada na soldagem a arco elétrico deve filtrar 100% dos raios infravermelhos e 100% dos raios ultravioleta.

 

Provas

Questão presente nas seguintes provas
2659234 Ano: 2007
Disciplina: Engenharia Mecânica
Banca: CESPE / CEBRASPE
Orgão: Petrobrás

Enunciado 3139618-1

Considere que um técnico tenha medido, com osciloscópio analógico, uma onda senoidal, e que a figura acima ilustre de forma acurada a medida obtida. Considere também que o eixo dos tempos esteja ajustado para 1 milisegundo por divisão e que a escala vertical esteja ajustada para 0,5 volt por divisão. Nessa situação, julgue o item que se segue.

A freqüência da onda senoidal é inferior a 300 Hz.

 

Provas

Questão presente nas seguintes provas
2659233 Ano: 2007
Disciplina: Engenharia Mecânica
Banca: CESPE / CEBRASPE
Orgão: Petrobrás

Considere que um técnico tenha medido, com osciloscópio analógico, uma onda senoidal, e que a figura acima ilustre de forma acurada a medida obtida. Considere também que o eixo dos tempos esteja ajustado para 1 milisegundo por divisão e que a escala vertical esteja ajustada para 0,5 volt por divisão. Nessa situação, julgue o item que se segue.

A amplitude da onda senoidal é igual a 3 volts de pico a pico.

 

Provas

Questão presente nas seguintes provas
2659232 Ano: 2007
Disciplina: Engenharia Mecânica
Banca: CESPE / CEBRASPE
Orgão: Petrobrás

Considere que determinada fábrica utilize, em suas instalações, os quatro tipos de manutenção planejada: a preventiva, a preditiva, a TPM (Total Productive Maintenance) e a terotecnologia. No contexto da manutenção dessa fábrica, julgue o item que se segue.

O ato de trocar o rolamento de um torno de precisão de dois em dois anos caracteriza uma manutenção preditiva.

 

Provas

Questão presente nas seguintes provas
2659231 Ano: 2007
Disciplina: Engenharia Mecânica
Banca: CESPE / CEBRASPE
Orgão: Petrobrás

Enunciado 3121426-1

A figura acima mostra uma viga de alumínio (E = 70 GPa, !$ \nu !$ = 0,3) apoiada por um pino em uma extremidade e por um apoio deslizante a !$ \dfrac{2}{3} !$ do seu comprimento. A viga, com comprimento total de 1,2 m e secção quadrada com lado de 80 mm, está submetida a uma carga vertical de 4,0 kN na metade do comprimento e a uma carga horizontal de 1 kN na extremidade livre (ponto D). Considerando essa situação, julgue o item subseqüente.

A figura a seguir representa o diagrama de momento fletor correto do sistema considerado.

Enunciado 3121426-2

 

Provas

Questão presente nas seguintes provas
2659230 Ano: 2007
Disciplina: Engenharia Mecânica
Banca: CESPE / CEBRASPE
Orgão: Petrobrás
Provas:

Enunciado 3093094-1

A figura acima mostra o fluxograma de uma estação de redução de pressão em um sistema de água potável. Sabendo que as ligações entre os acessórios, tubos e válvulas desse sistema são rosqueadas, julgue o item que se segue.

A válvula redutora de pressão é uma válvula automática que regula, sem intervenção de qualquer ação externa, a pressão a jusante da válvula, por intermédio de molas de tensão regulável.

 

Provas

Questão presente nas seguintes provas
2659229 Ano: 2007
Disciplina: Engenharia Mecânica
Banca: CESPE / CEBRASPE
Orgão: Petrobrás

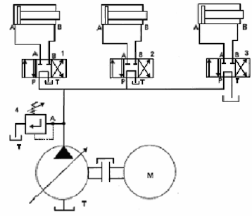
Enunciado 3092951-1

A partir da interpretação do circuito pneumático mostrado acima, julgue o próximo item.

A válvula 4 desempenha uma função de segurança, por meio do acionamento de uma linha piloto, que abre a válvula em caso de sobrepressão.

 

Provas

Questão presente nas seguintes provas
2659228 Ano: 2007
Disciplina: Engenharia Mecânica
Banca: CESPE / CEBRASPE
Orgão: Petrobrás
Provas:

A figura abaixo mostra um esquema representativo de uma máquina de ensaio de tração, um gráfico de tensão versus deformação e um corpo de prova (CP) em aço-carbono utilizado em um ensaio. Esse tipo de ensaio é muito utilizado com o objetivo de se avaliar as propriedades mecânicas do material que será empregado na construção de estruturas, máquinas e equipamentos. Trata-se de uma tarefa de fundamental importância e de grande responsabilidade do mecânico de oficina, sendo que todos os procedimentos normalizados devem ser rigorosamente seguidos e, além disso, devem ser, também, de amplo conhecimento do operador da máquina universal de ensaios de tração.

Enunciado 3058248-1

Considerando os procedimentos normalizados, os resultados (raio inicial do CP = 5 mm e raio final do CP = 2,5 mm), a manipulação do equipamento de ensaio e os procedimentos corretivos, julgue o item seguinte.

Se o resultado aferido para a tensão de ruptura, no ensaio de um corpo de prova de aço-carbono, for de 420 Mpa, esse resultado, em N/mm2 também será igual a 420.

 

Provas

Questão presente nas seguintes provas