Foram encontradas 820 questões.
Texto para as questões de 68 a 71
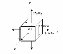
Considere as tensões no ponto Q de um material isotrópico, representadas pelo elemento de tensão mostrado na figura seguinte.

A máxima tensão cisalhante
, em MPa, é igual a
Provas
Texto para as questões de 68 a 71
Considere as tensões no ponto Q de um material isotrópico, representadas pelo elemento de tensão mostrado na figura seguinte.

As tensões principais,
, em MPa, valem, respectivamente
Provas
Texto para as questões 66 e 67
Considere o escoamento de um óleo (D = 900 kg/m 3 , : µ= 0,1 kg/m.s) em um duto com 50 mm de diâmetro, longo e reto, ocorra à velocidade média de 2,0 m/s.
A perda de carga nesse caso, em kPa,
Provas
Texto para as questões 56 e 57
Com relação aos ciclos termodinâmicos das máquinas mencionadas no texto, assinale a opção correta.
Provas
Texto para as questões de 53 a 55
Durante o ciclo descrito no texto, o sistema realiza um trabalho líquido, em kJ, igual a
Provas
Atualmente, parte da instrumentação conectada por cabos está sendo substituída por dispositivos wireless, ou seja, sem fios. Isso vem ocorrendo graças à tecnologia digital, que consegue, por meio de tratamento de dados, resolver parte dos problemas que interferem nos sinais. Considerando a velocidade da luz no ar igual a 300.000 km/s e que esses dispositivos wireless funcionem com uma freqüência de 2,4 GHz, julgue os itens que se seguem.
A distância entre dois valores consecutivos do campo elétrico gerado pelo sinal emitido por esses dispositivos é inferior a 10 cm.
Provas

A figura acima ilustra uma carga de tubos sendo transportada em um caminhão. Nessa figura, as linhas grossas escuras indicam amarrações feitas com fitas de poliéster. Essas amarrações são fundamentais para minimizar a possibilidade de acidente no transporte de carga. Em relação ao movimento do caminhão e às condições de estabilidade da carga durante o transporte, julgue os próximos itens.
Se a fita que segura um dos tubos na carroceria se romper durante uma frenagem, nessa situação, a força exercida pelo tubo sobre a cinta terá sido maior que a força exercida pelo ponto de amarração da fita na carroceria.
Provas

A figura acima ilustra uma carga de tubos sendo transportada em um caminhão. Nessa figura, as linhas grossas escuras indicam amarrações feitas com fitas de poliéster. Essas amarrações são fundamentais para minimizar a possibilidade de acidente no transporte de carga. Em relação ao movimento do caminhão e às condições de estabilidade da carga durante o transporte, julgue os próximos itens.
O deslocamento da carga em uma curva é provocado pela inércia da própria carga.
Provas

A figura acima ilustra uma carga de tubos sendo transportada em um caminhão. Nessa figura, as linhas grossas escuras indicam amarrações feitas com fitas de poliéster. Essas amarrações são fundamentais para minimizar a possibilidade de acidente no transporte de carga. Em relação ao movimento do caminhão e às condições de estabilidade da carga durante o transporte, julgue os próximos itens.
A distância percorrida pelo caminhão durante uma frenagem com aceleração negativa constante é proporcional ao quadrado da sua velocidade inicial; portanto, se a velocidade inicial do caminhão for dobrada, a distância de frenagem será quadruplicada.
Provas
- Química InorgânicaSoluções e Substâncias Inorgânicas
- Química InorgânicaSubstância e mistura: substância simples, substância composta e mistura. Alotropia

Com relação às informações do texto acima, julgue os itens que se seguem.
Infere-se do texto que os hidrocarbonetos presentes na gasolina, chamados BTEX, são mais solúveis em uma mistura água-álcool que em água pura. Isso ocorre porque a mistura água-álcool tem caráter mais apolar que a água pura.
Provas
Caderno Container