Foram encontradas 120 questões.
Acerca do processo de escoamento, julgue o item subsequente.
O escoamento turbulento ocorre, geralmente, em fluidos com grande viscosidade e quando as partículas, em certa região, apresentam rotação em relação a um eixo qualquer.
Provas
A respeito de equilíbrio de fases, julgue o item seguinte.
O equilíbrio de fases ocorre quando o potencial químico é igual em todo o sistema.
Provas

Considerando o diagrama termodinâmico de uma máquina térmica que opera no ciclo ABCDA de temperatura T, em K, versus entropia S, em J/K, anteriormente apresentado, julgue o item subsecutivo.
O trabalho realizado pela máquina em um ciclo ABCDA é igual a !$ (T_2 - T_1) x (S_2 - S_1) !$.
Provas

Considerando o diagrama termodinâmico de uma máquina térmica que opera no ciclo ABCDA de temperatura T, em K, versus entropia S, em J/K, anteriormente apresentado, julgue o item subsecutivo.
Ocorre uma transformação adiabática no processo AB.
Provas
Quanto às propriedades termodinâmicas e às relações de Maxwell, julgue o próximo item.
O volume específico de um fluido no estado líquido é mais sensível à variação da temperatura do que à variação de pressão.
Provas
Quanto às propriedades termodinâmicas e às relações de Maxwell, julgue o próximo item.
Se a pressão aumentar em uma transformação isentrópica, a entalpia também aumentará.
Provas
As leis fundamentais da termodinâmica regem o modo como o calor se transforma em trabalho, e vice-versa. De acordo com esse princípio e considerando que 1 cal = 4,2 J, julgue o item que se segue.
Caso um motor de combustão que opera em ciclos receba 350 cal da fonte quente e realiza um trabalho de 1.470 J, o funcionamento dessa máquina contraria a segunda lei da termodinâmica.
Provas
In a world where many of us are glued to our smartphones, Dulcie Cowling is something of an anomaly — she has ditched hers. The 36-year-old decided at the end of last year that getting rid of her handset would improve her mental health. So, over Christmas she told her family and friends that she was switching to an old Nokia phone that could only make and receive calls and text messages.
She recalls that one of the pivotal moments that led to her decision was a day at the park with her two boys, aged six and three: “I was on my mobile at a playground with the kids and I looked up and every single parent — there was up to 20 — were looking at their phones, just scrolling away,” she says.
“I thought ‘when did this happen?’. Everyone is missing out on real life. I don’t think you get to your death bed and think you should have spent more time on Twitter, or reading articles online.”
Ms Cowling, who is a creative director at London-based advertising agency Hell Yeah!, adds that the idea to abandon her smartphone had built up during the covid-19 lockdowns.
“I thought about how much of my life is spent looking at the phone and what else could I do. Being constantly connected to lots of services creates a lot of distractions, and is a lot for the brain to process.”
She plans to use the time gained from quitting her smartphone to read and sleep more.
About nine out of 10 people in the UK now own a smartphone, a figure broadly replicated across the developed world. And we are glued to them — one recent study found that the average person spends 4.8 hours a day on their handset.
Yet for a small, but growing number of people, enough is enough.
Alex Dunedin binned his smartphone two years ago. “Culturally we have become addicted to these tools,” says the educational researcher and technology expert. “They are blunting cognition and impeding productivity.”
He has become happier and more productive since he stopped using a smartphone, he says.
Mr Dunedin doesn’t even have an old-fashioned mobile phone or even a landline anymore. He is instead only electronically contactable via emails to his home computer.
“It has improved my life,” he says. “My thoughts are freed up from constantly being cognitively connected to a machine that I need to feed with energy and money. I think that the danger of technologies is that they are emptying our lives.”
Yet, while some worry about how much time they spend on their handset, for millions of others they are a godsend.
“More than ever, access to healthcare, education, social services and often to our friends and family is digital, and the smartphone is an essential lifeline for people,” says a spokesperson for UK mobile network Vodafone.
“We also create resources to help people get the most from their tech, as well as to stay safe when they’re online — that’s hugely important.”
Suzanne Bearne.
The people deciding to ditch their smartphones. Internet: <www.bbc.com> (adapted).
Considering the previous text, judge the following item.
In the sentence (thirteenth paragraph) “Yet, while some worry about how much time they spend on their handset, for millions of others they are a godsend.”, the word “Yet” is synonymous with However.
Provas
Com relação ao comportamento de gases ideais, julgue o item seguinte, assumindo o valor da constante universal dos gases perfeitos como R = 0,082 atm ∙ L ∙ mol−1 ∙ K−1.
A pressão de 3 mols de um gás, à temperatura de 330 K, que ocupa um volume de 85,4 L, é superior a 0,94 atm.
Provas

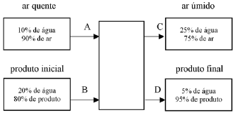
Em um processamento, deve-se secar 8.000 kg de um produto que contém 20% de água com ar quente, contendo 10% de água. O produto final apresenta 5% de água, e o ar sai com 25% de água. Todas as porcentagens citadas são em massa.
Considerando-se o diagrama desse processo e os dados apresentados, julgue o próximo item.
A massa de ar úmido resultante do balanço é inferior a 7.500 kg.
Provas
Caderno Container