Foram encontradas 730 questões.

Considerando o circuito acima, julgue o item a seguir.
No domínio da frequência, no regime permanente senoidal, ao se substituir a parte do circuito à esquerda de B por um modelo equivalente de Thévenin, a tensão equivalente de Thévenin dependerá da reatância do capacitor.
Provas
Questão presente nas seguintes provas
Julgue o item subsequente, relativo à segurança em instalações e serviços com eletricidade.
O responsável por estabelecimentos com carga instalada igual a 90 kW, além de tomar outras medidas de controle, é obrigado a manter esquemas unifilares dessa instalação atualizados, como as especificações do sistema de aterramento e dos demais equipamentos e dispositivos de proteção.
Provas
Questão presente nas seguintes provas

A figura acima ilustra o diagrama unifilar referente à ligação de um transformador de corrente (TC) a um alimentador. Os terminais secundários do TC suprem o relé R, que está associado ao disjuntor D. O TC tem relação nominal de corrente 250:5, fator térmico igual a 1,5 e limite térmico de 5 kA.
Com base nessas informações, julgue o item seguinte.
Em regime permanente, a máxima corrente que pode passar pelo alimentador sem comprometer o funcionamento do TC é superior a 300 A.
Provas
Questão presente nas seguintes provas

Considerando o circuito ilustrado na figura acima, julgue o item seguinte.
Se a tensão de excitação v1(t) for um degrau de amplitude igual a 10 V, então a tensão v0(t), em regime permanente, será igual a 10/3 V.
Provas
Questão presente nas seguintes provas

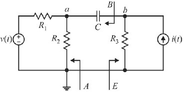
Considerando o circuito acima, julgue o item a seguir.
No domínio da frequência, se o valor da resistência R3 for infinito, então, com base no princípio da superposição, é correto afirmar que a tensão sobre o capacitor não dependerá da fonte de tensão.
Provas
Questão presente nas seguintes provas
579772
Ano: 2013
Disciplina: Ética e Regulação Profissional
Banca: CESPE / CEBRASPE
Orgão: PF
Disciplina: Ética e Regulação Profissional
Banca: CESPE / CEBRASPE
Orgão: PF
Provas:
Com relação à anotação de responsabilidade técnica (ART) de cargo ou função no âmbito do sistema CONFEA/CREA, julgue o item a seguir.
A efetivação do registro da ART de cargo ou função é feita antes do deferimento pelo CREA do vínculo entre o profissional e a empresa, visto que, nesse tipo de registro, a efetivação ocorre a partir do momento em que o profissional solicita o registro da ART.
Provas
Questão presente nas seguintes provas

A figura acima ilustra o diagrama unifilar referente à ligação de um transformador de corrente (TC) a um alimentador. Os terminais secundários do TC suprem o relé R, que está associado ao disjuntor D. O TC tem relação nominal de corrente 250:5, fator térmico igual a 1,5 e limite térmico de 5 kA.
Com base nessas informações, julgue o item seguinte.
Se, para eliminar um defeito, o tempo de abertura do disjuntor D for de 2 s, então a máxima corrente de curto-circuito simétrica admissível que poderá passar pelo enrolamento primário do TC será superior a 3 kA.
Provas
Questão presente nas seguintes provas
Em determinado ponto de uma rede elétrica trifásica, as impedâncias equivalentes para fins de cálculo de correntes de falta são assumidas como puramente reativas e a tensão em regime permanente é igual à tensão nominal. Nesse ponto, as reatâncias equivalentes de sequência zero, positiva e negativa são 0,1 pu, 0,2 pu e 0,2 pu, respectivamente. No caso de curto-circuito, as impedâncias de falta são nulas, e a tensão e a potência base no referido ponto são, respectivamente, 10 kV e 100 MVA.
Com base nas informações acima, julgue o próximo item.
No ponto em questão, a corrente de curto-circuito monofásico é 20% superior à corrente de curto-circuito trifásico.
Provas
Questão presente nas seguintes provas

A figura acima ilustra um circuito alimentado por uma fonte de tensão senoidal trifásica, equilibrada e simétrica, cujo valor eficaz de linha é igual a 100 V. As correntes de linha na carga são Ia, Ib e Ic. As impedâncias no circuito são fornecidas em ohms e !$ j=\sqrt{-1} !$.
Considerando essas informações, julgue o item subsecutivo.
O consumo total de potência ativa demandada pela carga é igual a 600 W.
Provas
Questão presente nas seguintes provas
Julgue o item seguinte, no que se refere a motores de indução monofásicos.
Um motor de indução monofásico não possui campo girante, como os motores de indução trifásicos; por esse motivo, ele utiliza um enrolamento de armadura com um enrolamento principal, o qual é ligado diretamente à rede de alimentação, e outro circuito, constituído por um enrolamento secundário em série com um capacitor, formando um ramo ligado em paralelo com o enrolamento principal.
Provas
Questão presente nas seguintes provas
Cadernos
Caderno Container