Foram encontradas 730 questões.

Considerando o circuito acima, julgue o item a seguir.
Ao se substituir a parte do circuito à esquerda de A por um modelo equivalente de Thévenin, a impedância equivalente de Thévenin será igual a R1 × R2/(R1 + R2).
Provas
Questão presente nas seguintes provas

Considerando o circuito acima, julgue o item a seguir.
Se i(t) for constante, no regime permanente a tensão no nó a será igual a R2 × v(t)/(R1 + R2).
Provas
Questão presente nas seguintes provas

A figura acima ilustra uma configuração de barra de parte de uma subestação, conhecida como barra principal e transferência, que é utilizada para suprir uma rede elétrica em alta tensão. Considerando essas informações, julgue o próximo item.
A barra I é denominada barra de transferência, e a II, barra principal.
Provas
Questão presente nas seguintes provas

Considerando o circuito ilustrado na figura acima, julgue o item seguinte.
Em regime permanente senoidal, se a frequência da excitação for 10 kHz, o módulo da reatância do indutor será igual a 0,01 Ω.
Provas
Questão presente nas seguintes provas

C. M. Franchi, Acionamentos elétricos, 2.ª ed. São Paulo: Editora Érica, 2007, p 72.
Considerando a figura acima, que ilustra os dados usuais de placa de um motor de indução trifásico, julgue o item subsecutivo.
Os dados da placa evidenciam que o motor deverá suportar continuamente 15% de sobrecarga acima de sua potência nominal.
Provas
Questão presente nas seguintes provas

A figura acima ilustra um circuito alimentado por uma fonte de tensão senoidal trifásica, equilibrada e simétrica, cujo valor eficaz de linha é igual a 100 V. As correntes de linha na carga são Ia, Ib e Ic. As impedâncias no circuito são fornecidas em ohms e !$ j=\sqrt{-1} !$.
Considerando essas informações, julgue o item subsecutivo.
O fator de potência da carga é igual a 0,6 indutivo.
Provas
Questão presente nas seguintes provas
Acerca de máquinas de corrente contínua, julgue o item a seguir.
Considere a figura abaixo, que ilustra a característica de regulação de tensão de geradores de corrente contínua, no qual Ia é a corrente de armadura, Vt é a tensão terminal e In e Vn representam dados nominais. Nessa situação, a curva I refere-se a um gerador em derivação, e a curva II é típica de gerador com excitação independente.

Provas
Questão presente nas seguintes provas

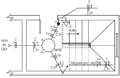
G. Cavalin e S. Cervelin. Instalações elétricas prediais. 17.ª ed. São Paulo: Editora Érica, 2007, p. 153.
A figura acima ilustra a planta baixa de uma instalação elétrica predial em baixa tensão, em que é destacada a parte do pavimento térreo de um prédio que tem um pavimento superior. Considerando essas informações, julgue o item que se segue.
No circuito, existe apenas um único tipo de tomada — tomada baixa —, que pertence ao circuito 2. Os condutores fase e neutro que conectam essa tomada possuem seção de 2,5 mm2, são dispostos em eletroduto exclusivo para ela e têm parte embutida no piso.
Provas
Questão presente nas seguintes provas

Considerando o circuito acima, julgue o item a seguir.
Como não há fonte de tensão independente à direita de E, essa parte do circuito não possui um modelo equivalente de Thévenin.
Provas
Questão presente nas seguintes provas
Acerca de máquinas de corrente contínua, julgue o item a seguir.
Enrolamentos de campo de geradores autoexcitados são típicos de ligação em série ou em paralelo com o enrolamento da armadura.
Provas
Questão presente nas seguintes provas
Cadernos
Caderno Container