Foram encontradas 895 questões.
Uma indústria farmacêutica que produz medicamentos em uma linha de produção contínua passou a realizar ações de monitoramento em seu sistema produtivo para analisar e aumentar sua confiabilidade, bem como para identificar componentes críticos. Após uma análise dos dados anteriores de paradas do processo, a equipe de manutenção observou uma grande incidência de falhas de um componente eletrônico do processador logo no início da operação. A equipe concluiu que um compressor era a causa das falhas frequentes.
Tendo como referência essa situação hipotética, julgue o item a seguir.
A confiabilidade do sistema produtivo pode ser determinada pela função confiabilidade, equivalente a uma probabilidade que varia conforme o tempo e o arranjo de componentes presentes no sistema.
Provas
Uma indústria farmacêutica que produz medicamentos em uma linha de produção contínua passou a realizar ações de monitoramento em seu sistema produtivo para analisar e aumentar sua confiabilidade, bem como para identificar componentes críticos. Após uma análise dos dados anteriores de paradas do processo, a equipe de manutenção observou uma grande incidência de falhas de um componente eletrônico do processador logo no início da operação. A equipe concluiu que um compressor era a causa das falhas frequentes.
Tendo como referência essa situação hipotética, julgue o item a seguir.
A técnica de análise de modos e efeitos de falhas (FMEA) pode ser empregada para a identificação do componente com maior incidência de falhas em uma linha de produção contínua.
Provas
Uma indústria farmacêutica que produz medicamentos em uma linha de produção contínua passou a realizar ações de monitoramento em seu sistema produtivo para analisar e aumentar sua confiabilidade, bem como para identificar componentes críticos. Após uma análise dos dados anteriores de paradas do processo, a equipe de manutenção observou uma grande incidência de falhas de um componente eletrônico do processador logo no início da operação. A equipe concluiu que um compressor era a causa das falhas frequentes.
Tendo como referência essa situação hipotética, julgue o item a seguir.
O referido componente eletrônico apresenta comportamento equivalente à primeira parte da curva da banheira, na qual a taxa de falhas decresce com o tempo.
Provas
No referente a processos de fabricação, julgue o item que se segue.
No processo de fresamento, uma ferramenta monocortante executa um movimento de avanço por translação sobre a peça com movimento rotativo.
Provas
No referente a processos de fabricação, julgue o item que se segue.
Considerando-se a figura a seguir, em que são representadas as possíveis configurações para uma operação de soldagem executada pelo processo a arco elétrico com eletrodo revestido (shielded metal arc welding – SMAW) com fonte CC, é correto afirmar que a configuração com polaridade direta (eletrodo no polo negativo) produz soldas com menor penetração, mas, como a taxa de fusão do eletrodo é alta, resulta em um cordão de solda largo e raso.

Provas
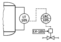
Acerca dos conceitos e princípios da metrologia e da instrumentação, julgue o item subsequente.
No diagrama a seguir, é representado um arranjo típico de instrumentação para controle de nível, o qual é formado por controlador e registrador de nível, comandando válvula de controle com transmissão elétrica, controlador no painel e transmissor local.

Provas
Acerca dos conceitos e princípios da metrologia e da instrumentação, julgue o item subsequente.
Se um medidor de temperatura, com escala de medição de −50°C a 150°C e exatidão de ±0,5%, indica que a temperatura de um processo é 50°C, então a temperatura real do processo está entre 49°C e 51°C.
Provas
Acerca dos conceitos e princípios da metrologia e da instrumentação, julgue o item subsequente.
Considerando-se o desenho a seguir, que especifica as dimensões em mm e as respectivas tolerâncias para a produção de um lote de peças que devem ser acopladas, é correto afirmar que as tolerâncias indicam que o ajuste entre eixo e furo será com interferência.

Provas
A respeito dos conceitos associados aos materiais utilizados na construção mecânica, julgue o item subsecutivo.
Ao se aplicar o processo de vulcanização à borracha natural, conforme esquematizado na figura a seguir, obtém-se melhora das propriedades físicas e mecânicas desse material, como resistência à tração, elasticidade e estabilidade térmica.

Provas
A respeito dos conceitos associados aos materiais utilizados na construção mecânica, julgue o item subsecutivo.
Entre os diversos metais empregados em engenharia cujos arranjos atômicos são organizados na forma de estruturas cristalinas no sistema cúbico, os metais com estrutura cúbica de corpo centrado (CCC) são os que apresentam planos e direções mais favoráveis ao deslizamento e, por isso, possuem maior plasticidade.
Provas
Caderno Container