Foram encontradas 441 questões.
Um paquímetro tem, na escala fixa, 1 polegada dividida em 16 partes iguais e, na escala móvel, 8 divisões. A menor dimensão que pode ser medida com esse instrumento é
Provas
Os dentes de uma engrenagem de aço de baixo teor de carbono deverão ser submetidos a um tratamento térmico que lhes proporcione um aumento de endurecimento superficial para melhor resistir ao desgaste. Para tal, será necessário realizar o tratamento denominado
Provas
Certos perfis metálicos são fabricados por intermédio de um processo de conformação mecânica em que a matéria- prima, muito plastificada e em alta temperatura, é comprimida contra uma matriz. A esse processo de conformação mecânica dá-se o nome de
Provas
Efetuou-se a medida da largura de uma peça que foi usinada num torno mecânico. A leitura da medida, em polegadas, foi realizada em um paquímetro com resolução de !$ \large{1 \over 128} !$ da polegada. Nessa leitura, foi encontrado o seguinte:
• na escala fixa, o zero do cursor ficou entre o quinto e o sexto traço, após a marca de 3 polegadas;
• no nônio, o antepenúltimo traço coincidiu com um traço da escala fixa.
Portanto, a leitura corresponde a uma medida, em polegada, de
Provas

Um espelho plano está colocado em frente de um espelho convexo a uma distância d, perpendicularmente ao eixo principal, como indica a figura acima. Uma vela é posta entre esses espelhos a uma distância d/3 do espelho convexo, cujo raio de curvatura mede d. Sabendo-se que a distância x entre as imagens do objeto formadas pelos dois espelhos é 1,12 m, a distância d, em cm, vale
Provas

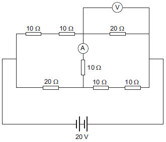
O esquema acima representa um circuito com uma bateria de 20V e resistores de 10!$ Ω !$ e 20!$ Ω !$ . Sendo V um voltímetro e A um amperímetro, ambos ideais, as respectivas leituras são
Provas
Duas amostras A e B, ambas em equilíbrio térmico com o ambiente, recebem de uma fonte térmica uma quantidade Q de calor e sofrem a mesma variação de temperatura !$ \Delta θ !$. Com base nessas informações, conclui-se que as amostras A e B
Provas

A figura acima representa um sistema fluidodinâmico em que ocorre o efeito Venturi.
O medidor está equipado com um manômetro de mercúrio, e o desnível entre as superfícies de fronteira entre o mercúrio e a água é de 20 cm. Se o diâmetro da seção transversal cilíndrica é 50 cm no ponto A e 10 cm no ponto B, o fluxo da água através do medidor, em L/s, é, aproximadamente,
Dados: considere !$ \pi !$ = 3, densidade do mercúrio !$ ρ !$Hg = 13,6 g/cm3; densidade da água !$ ρ !$H2O = 1,0 g/cm3; aceleração da gravidade local g = 10m/s2.
Provas

Duas esferas de mesmo volume, feitas de materiais diferentes, são colocadas em um tanque. Enquanto a esfera 1 afunda, a esfera 2 boia com 1/3 de seu volume submerso (Figura A). Com a intenção de manter a esfera 2 no fundo do tanque, aplica-se sobre ela uma força vertical F, dirigida para baixo (Figura B). E1 e E2 são os módulos dos empuxos que agem sobre as esferas 1 e 2, respectivamente. A respeito da situação representada na figura B, conclui-se que
Provas
O polietileno é classificado como um polímero de adição. Também são classificados como polímeros de adição o
Provas
Caderno Container