Foram encontradas 441 questões.
As sentenças abaixo referem-se a diversos tipos de manutenção.
|
I - Manutenção Corretiva (MCR), |
P - Possibilita a preparação de orçamento de manutenção mais preciso. |
|
II - Manutenção Preventiva (MPV) |
Q - Objetiva aproveitar a vida útil total dos componentes e de um equipamento. |
|
III - Manutenção Preditiva (MPD) |
R - Aumenta a vida útil dos equipamentos. |
|
S - Deve ser empregada quando a falha for imprevista. |
|
|
T - Determina, antecipadamente, a necessidade de serviços de manutenção numa peça específica de um equipamento. |
A correlação correta entre o tipo de manutenção e as sentenças é
Provas
I.

II.

III.

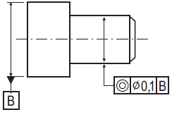
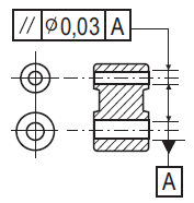
Leitura e Interpretação de Desenho Técnico. Tolerância Geométrica.
Telecurso 2000. Aula 29 (Adaptado)
Devido à dificuldade na obtenção de superfícies perfeitamente exatas em um processo de usinagem, a peça apresenta erros de forma e posição para elementos associados. Os desenhos acima apresentam simbologia de erros macrogeométricos. Os significados das simbologias, apresentadas nas figuras I, II e III, são, respectivamente,
Provas

Leitura e Interpretação de Desenho Técnico. Telecurso 2000. Aula 6 (Adaptado).
Quando se desenha uma peça para ser confeccionada, ela é representada no plano através de três vistas: frontal, superior e lateral. Antes de se iniciar a usinagem, é indispensável que o mecânico, através destas três vistas, consiga visualizar esta peça no espaço, ou seja, construir mentalmente uma vista isométrica. De acordo com as vistas ortográficas acima, o desenho em perspectiva isométrica correspondente é
Provas
Ao montar-se um eixo em um furo, o tipo de ajuste dependerá da tolerância estipulada para ambos. Esse ajuste poderá ser com folga, com interferência ou incerto. Em um furo cuja cota é de 25 ±0,012 e o eixo é de 25±0,025, têm-se o valor da tolerância para o furo, para o eixo e o valor da interferência máxima, respectivamente,
Provas
Em uma transmissão feita por engrenagens de dentes retos, há uma engrenagem condutora de 30 dentes, com módulo 2 que gira a 3800 rpm, e uma engrenagem conduzida que gira a 1000 rpm. Nesse tipo de engrenamento, o número de dentes da engrenagem conduzida e a distância entre centros são, respectivamente,
Provas
Em um conjunto mecânico, para fixar duas peças, usam-se elementos de união permanente ou elementos de união não permanente. Na união não permanente, durante o aperto, aparecem forças que atuam nos componentes. Na união de duas chapas por parafusos, atuam, logo após o aperto inicial, as tensões
Provas
Uma broca de 10 mm de diâmetro, afiada com um ângulo da ponta de 120°, está posicionada a 2 mm acima da superfície de uma placa com espessura de 50 mm, que será furada totalmente. Sabe-se que, nessa operação, será usado um avanço de trabalho de 70 mm/min. Nessas condições, qual será o tempo de usinagem, em minutos, para furar totalmente a placa a partir do ponto de posicionamento?
Provas
Para fazer a usinagem de peças cônicas, externas ou internas, o operador de um torno convencional pode lançar mão de várias técnicas, escolhendo cada uma delas de acordo com o grau de conicidade, comprimento e acabamento. O método utilizado para um torneamento cônico de uma peça de 500 mm de comprimento, com 2º de conicidade e com um acabamento superficial de 1.6Ra, é o
Provas
Para facilitar a interpretação do desenho de um projeto, o desenhista lança mão dos diversos tipos de cortes. Associe os tipos de corte, apresentados na coluna da esquerda, à respectiva utilização, entre as indicadas na coluna da direita.
|
Tipo de Corte |
Utilização |
|
I -Corte composto ou em desvio |
P - Representar, em uma única vista, elementos situados em diferentes planos de corte. |
|
II -Meio Corte |
Q - Somente em peças ou modelos simétricos longitudinal e transversalmente. |
|
III -Seção fora da vista |
R - Quando existe grande complexidade do modelo. |
|
IV- Mais de um corte no mesmo modelo |
Estão corretas as associações
Provas
Conhecer os diversos sistemas de medição é de fundamental importância para o mecânico, já que existem, no mercado, peças e acessórios cotados no sistema métrico decimal, no sistema inglês ordinário e no sistema inglês decimal. Nesse contexto, qual das medidas apresentadas abaixo representa o maior diâmetro de eixo?
Provas
Caderno Container