Magna Concursos

Foram encontradas 30 questões.

4032077 Ano: 2026
Disciplina: Eletroeletrônica
Banca: FEPESE
Orgão: Pref. Campos Novos-SC
Provas:
Assinale a alternativa correta.
 

Provas

Questão presente nas seguintes provas
4032076 Ano: 2026
Disciplina: Eletroeletrônica
Banca: FEPESE
Orgão: Pref. Campos Novos-SC
Provas:
Assinale a alternativa correta.
 

Provas

Questão presente nas seguintes provas
4032075 Ano: 2026
Disciplina: Eletroeletrônica
Banca: FEPESE
Orgão: Pref. Campos Novos-SC
Provas:
Identifique abaixo os casos em que o uso de dispositivo diferencial-residual de alta sensibilidade como proteção adicional é obrigatório:

1. Os circuitos que sirvam a pontos de utilização situados em locais contendo chuveiro.
2. Os circuitos que alimentem tomadas de corrente situadas em áreas externas à edificação.
3. Os circuitos de iluminação.
4. Os circuitos em dependências internas molhadas em uso normal ou sujeitas a lavagens.

Assinale a alternativa que indica todas os casos obrigatórios.
 

Provas

Questão presente nas seguintes provas
4032074 Ano: 2026
Disciplina: Eletroeletrônica
Banca: FEPESE
Orgão: Pref. Campos Novos-SC
Provas:
A figura abaixo mostra um diagrama trifilar de uma instalação elétrica.

Enunciado 4513987-1

Fonte: Adaptado de Instalações elétricas / Hélio Creder - Rio de Janeiro: LTC, 2021.

Assinale a alternativa correta.
 

Provas

Questão presente nas seguintes provas
4032073 Ano: 2026
Disciplina: Eletroeletrônica
Banca: FEPESE
Orgão: Pref. Campos Novos-SC
Provas:
Assinale a alternativa correta com relação aos esquemas de aterramento.
 

Provas

Questão presente nas seguintes provas
4032072 Ano: 2026
Disciplina: Eletroeletrônica
Banca: FEPESE
Orgão: Pref. Campos Novos-SC
Provas:
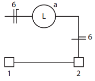
A figura abaixo mostra um circuito para o acionamento de uma lâmpada. 

Enunciado 4513985-1

Sabendo que os interruptores são do tipo paralelo, qual a fiação deve estar presente no eletroduto entre os interruptores 1 e 2?
 

Provas

Questão presente nas seguintes provas
4032071 Ano: 2026
Disciplina: Eletroeletrônica
Banca: FEPESE
Orgão: Pref. Campos Novos-SC
Provas:
Uma instalação elétrica possui tensão alternada de 220 V eficazes entre o fio fase e o fio neutro. Essa tensão é chamada de tensão de fase.

Como é chamada a tensão entre duas fases distintas e qual seria o valor eficaz dessa tensão na instalação elétrica citada?
 

Provas

Questão presente nas seguintes provas
4032070 Ano: 2026
Disciplina: Eletroeletrônica
Banca: FEPESE
Orgão: Pref. Campos Novos-SC
Provas:
Duas lâmpadas incandescentes possuem a especificação de 220 V/100 W.

Qual será a potência das duas lâmpadas somadas se elas forem ligadas em série em uma instalação elétrica de 220 V eficazes?
 

Provas

Questão presente nas seguintes provas
Assinale a alternativa correta sobre a licença à gestante e o direito à amamentação, nos termos da Lei Complementar Municipal nº 03/2000, Estatuto dos Servidores Públicos de Campos Novos.
 

Provas

Questão presente nas seguintes provas
Assinale a alternativa correta sobre a validade do concurso público, com base no Estatuto dos Servidores Públicos de Campos Novos, Lei Complementar Municipal nº 03/2000.
 

Provas

Questão presente nas seguintes provas