Foram encontradas 819 questões.
Estaca por perfuração do solo com uma sonda ou piteira e
revestimento total com camisa metálica, realizando-se o
lançamento do concreto e a retirada gradativa do
revestimento com simultâneo apiloamento do concreto.
Esta é a definição da:
Provas
Questão presente nas seguintes provas
Os aços são classificados de acordo com sua composição
química. São divididos em aços-carbono e aços de baixa
liga. Assinale abaixo a alternativa que contém um tipo de
aço de baixa liga.
Provas
Questão presente nas seguintes provas
Um pilar de concreto, com seção de 20x30cm e
comprimento efetivo de 3,00m, está suportando o
carregamento de uma estrutura. Deseja-se construir mais
um pavimento e para isso é necessário saber qual a carga
suportada por esse pilar sem que ocorra o fenômeno de
flambagem. Sabe-se que o módulo de elasticidade do
concreto é de 28.000MPa. Marque a alternativa que
apresenta a carga máxima aproximada suportada por este
pilar sem que ocorra flambagem. Considere π = 3,14.
Provas
Questão presente nas seguintes provas
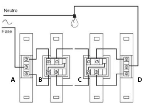
A figura abaixo demostra o esquema de um circuito elétrico. Assinale a alternativa que apresenta o dispositivo de comando B.

Provas
Questão presente nas seguintes provas
- Assistente SocialInstrumental TécnicoEstudo Social, Pareceres, Perícia Social, Relatório Social e Laudo Social
- Assistente SocialInstrumental TécnicoInstrumentos, Estratégias e Técnicas de Intervenção
O Estudo Social é realizado através de entrevistas, visitas
domiciliares, pesquisa documental e bibliográfica,
observações, juntada de documentos, ou seja, uma série
de informações com as quais o profissional
constrói/elabora um saber a respeito da população usuária
dos serviços sociais e institucionais. Sobre o Estudo Social,
é correto afirmar que:
Provas
Questão presente nas seguintes provas
Refere-se à opinião que o/a Assistente Social emite sobre
uma situação estudada, opinião esta baseada na análise
realizada e que desta deverá conter os aspectos mais
pertinentes da situação. Este é o conceito de qual
instrumento interventivo do/a assistente social?
Provas
Questão presente nas seguintes provas
A Atenção Básica é caracterizada como porta de entrada
preferencial do SUS, possui um espaço privilegiado de
gestão do cuidado das pessoas e cumpre papel estratégico
na rede de atenção. Os estados, municípios e o distrito
federal, devem articular ações intersetoriais, assim como a
organização da RAS, com ênfase nas necessidades
locorregionais com o intuito de:
Provas
Questão presente nas seguintes provas
Reconhecer as necessidades de saúde da população sob
sua responsabilidade, organizando as necessidades desta
população em relação aos outros pontos de atenção à
saúde, contribuindo para que o planejamento das ações,
assim como, a programação dos serviços de saúde, parta
das necessidades de saúde das pessoas. Esse é o conceito
de qual das diretrizes previstas na Política Nacional de
Atenção Básica/2017?
Provas
Questão presente nas seguintes provas
Assinale a alternativa que corresponde a uma das
atribuições privativas do/a Assistente Social, previstas no
Art. 5º da Lei de Regulamentação da Profissão.
Provas
Questão presente nas seguintes provas
De acordo com o Código de Ética, assinale a alternativa
que corresponda a um dos Direitos do/a Assistente Social,
previsto no Art. 2, Título II, dos Direitos e das
Responsabilidades Gerais do/a Assistente Social.
Provas
Questão presente nas seguintes provas
Cadernos
Caderno Container