Foram encontradas 461 questões.
Assinale a oração onde a vírgula está empregada de forma incorreta:
Provas
Questão presente nas seguintes provas
Acerca dos Direitos Sociais, tratados na Lei Orgânica do Município de Guarapari, assinale a alternativa correta.
Provas
Questão presente nas seguintes provas
A dengue é transmitida pelo mosquito Aedes aegypti. É uma doença viral que se espalha rapidamente no mundo. Nos últimos 50 anos, a incidência aumentou 30 vezes, com ampliação da expansão geográfica para novos países e, na presente década, para pequenas cidades e áreas rurais. São sinais de choque na dengue, exceto:
Provas
Questão presente nas seguintes provas
696115
Ano: 2015
Disciplina: Atualidades e Conhecimentos Gerais
Banca: IBEG
Orgão: Pref. Guarapari-ES
Disciplina: Atualidades e Conhecimentos Gerais
Banca: IBEG
Orgão: Pref. Guarapari-ES
Acerca de quem nomeou o primeiro cargo de presidente da Câmara Municipal de Guarapari como comendador o Sr. Ismael de Paula Loureiro, assinale a alternativa correta.
Provas
Questão presente nas seguintes provas
Conforme as regras estabelecidas no Art. 156 do Código Tributário Nacional, são definidas as modalidades de extinção do crédito tributário. Assinale a alternativa que “não” esta vinculada a extinção do crédito tributário, conforme o referido artigo do CTN.
Provas
Questão presente nas seguintes provas
O recurso quebra de páginas do Microsoft Word 2010 tem como objetivo inserir uma quebra de página em determinado ponto escolhido pelo usuário, fazendo assim a divisão de conteúdos de uma página para outra. Para realizar este comando você precisa clicar no ponto que deseja inserir a quebra e depois:
Provas
Questão presente nas seguintes provas
O principal desafio dos planejadores de sistemas de transporte público é atrair cada vez mais os usuários do automóvel. Para que isso ocorra, considerando que o automóvel é um meio de transporte rápido, e confortável, é imprescindível que o sistema público de transporte seja de qualidade.
Acerca dos fatores caracterizadores da qualidade no transporte, assinale a alternativa correta:
Provas
Questão presente nas seguintes provas
Considerando o tema Gestão de Qualidade, assinale a alternativa correta referente à Edwards Deming?
Provas
Questão presente nas seguintes provas
A Fibromialgia é uma síndrome reumática de etiologia desconhecida, que acomete predominantemente mulheres. Analise a validade das suposições abaixo referentes aos recursos fisioterapêuticos utilizados no tratamento da fibromialgia e sinalize a opção incorreta.
Provas
Questão presente nas seguintes provas
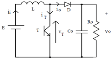
Considerando a tipologia dos conversores cc-cc, ao analisar o circuito a seguir, pode-se afirmar que pertence a:

Provas
Questão presente nas seguintes provas
Cadernos
Caderno Container