Foram encontradas 780 questões.
Disciplina: Engenharia Elétrica
Banca: SELECON
Orgão: Pref. Lucas Rio Verde-MT
Considerem-se a seguir a tabela 2, que mostra alguns valores do fator de correção de corrente para condutores de PVC, e a tabela 3, que mostra alguns valores do fator de correção de agrupamento para condutores embutidos, para responder à questão 37.
Tabela 2
|
Temperatura ambiente (ºC) |
Fator de Correção de Temperatura |
|
10 |
1,22 |
|
15 |
1,17 |
|
20 |
1,12 |
|
25 |
1,06 |
|
30 |
1,00 |
|
35 |
0,94 |
|
40 |
0,87 |
Adaptado de ASSOCIAÇÃO BRASILEIRA DE NORMAS TÉCNICAS, NBR 5410: Instalações elétricas de baixa tensão. 2004.
Tabela 3
|
Número de circuitos |
Fator de Correção de Agrupamento |
|
1 |
1,00 |
|
2 |
0,80 |
|
3 |
0,70 |
|
4 |
0,65 |
|
5 |
0,60 |
|
6 |
0,57 |
|
7 |
0,54 |
|
8 |
0,52 |
|
9 |
0,50 |
|
10 |
0,50 |
Adaptado de ASSOCIAÇÃO BRASILEIRA DE NORMAS TÉCNICAS, NBR 5410: Instalações elétricas de baixa tensão. 2004.
Em um mesmo eletroduto embutido em alvenaria de um projeto de instalação elétrica de baixa tensão, passam dois circuitos monofásicos (circuitos 1 e 2) a 2 condutores e um circuito trifásico (circuito 3) a 3 condutores, todos utilizando condutores isolados em PVC. Esse projeto foi desenvolvido para uma cidade A cuja temperatura ambiente média é em torno de 15°C. A corrente corrigida para tal projeto é de 5,30 A. Caso este projeto seja implementado em uma cidade B, cuja temperatura ambiente média é em torno de 25°C, a sua corrente corrigida será:
Provas
Disciplina: Engenharia Elétrica
Banca: SELECON
Orgão: Pref. Lucas Rio Verde-MT
Uma indústria tinha um consumo de 192 kW com fator de potência 0,96 (indutivo) utilizando um banco de capacitores de 200 kvar. A pandemia fez com que a indústria parasse com metade de seu maquinário consumindo, então, metade da potência total. Considerando que não houve mudanças no banco de capacitores, o fator de potência dessa indústria após a redução será de:
Provas
Disciplina: Engenharia Elétrica
Banca: SELECON
Orgão: Pref. Lucas Rio Verde-MT
Observe-se o circuito da figura 5 a seguir.
Figura 5

O equivalente de Thevenin em relação ao resistor RL é representado, respectivamente, pela tensão de circuito aberto e resistência equivalente:
Provas
Disciplina: Engenharia Elétrica
Banca: SELECON
Orgão: Pref. Lucas Rio Verde-MT
Um galpão com dimensões 10 m x 14 m terá suas luminárias instaladas a 2 m de altura em relação às bancadas de trabalho. Nesse galpão, é exercida uma atividade cuja iluminância mínima é de 750 lux, de acordo com a NBR ISO/CIE 8995:2013. O teto é branco, as paredes são claras e o piso escuro. Foram instaladas 10 luminárias com 4 lâmpadas cada de 5.000 lúmens. De acordo com o método dos lúmens, o fator de utilização da luminária, admitindo-se um coeficiente de depreciação de 0,75, é igual a:
Provas
Disciplina: Engenharia Elétrica
Banca: SELECON
Orgão: Pref. Lucas Rio Verde-MT
- Medidas ElétricasTransformadores para instrumentos, Transformador de potencial e Transformador de corrente
Em uma subestação, o condutor fase passa uma única vez por dentro de um TC do tipo janela. Supondo-se que já exista um sistema eletrônico de aquisição de dados que mede até 500 mA, a razão de transformação de espiras (primário:secundário) desse TC para que uma corrente de 150 A, passando no condutor fase da subestação, seja referente a 75% do calibre desse sistema corresponde a:
Provas
Disciplina: Engenharia Elétrica
Banca: SELECON
Orgão: Pref. Lucas Rio Verde-MT
Em toda uma instalação elétrica de baixa potência, o condutor de neutro também tem a função de proteção. De acordo com a nomenclatura estabelecida pela NBR 5410:2004, o esquema de aterramento empregado nesse tipo de instalação é:
Provas
Disciplina: Engenharia Elétrica
Banca: SELECON
Orgão: Pref. Lucas Rio Verde-MT
Uma máquina síncrona de 320 V, 80 kVA, 8 polos, 60 Hz, ligada em estrela, foi submetida a um ensaio de curto-circuito onde foram medidas correntes de 3,20 A e 80 A, respectivamente, para a corrente de campo e corrente de armadura. Sabendo-se que esse motor tem uma reatância síncrona de 0,8 pu, a corrente de campo que seria medida em um ensaio a vazio é:
Provas
Disciplina: Engenharia Elétrica
Banca: SELECON
Orgão: Pref. Lucas Rio Verde-MT
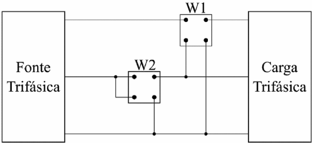
Considere-se a Figura 4 onde dois wattímetros, W1 e W2, ambos ideais, estão instalados em uma carga trifásica alimentada por uma fonte trifásica 380 V, 60 Hz, de sequência positiva. Admita-se que os terminais superiores dos Wattímetros são referentes à medição de corrente e os terminais inferiores são referentes à medição de tensão.
Figura 4

Com base no método dos dois Wattímetros, a soma das medidas de W1 e W2 não será a potência trifásica fornecida pela fonte à carga pois ambos medem, em relação à fonte, a mesma:
Provas
Disciplina: Engenharia Elétrica
Banca: SELECON
Orgão: Pref. Lucas Rio Verde-MT
Deve-se instalar uma lâmpada em um painel para sinalizar perigo no manuseio de uma polidora de tambor. Devido à sua inércia, o tambor cessa seu movimento totalmente após 60 s da desenergização do motor. Suponha-se que a bobina de um relé é energizada ao mesmo tempo em que a contatora que aciona um motor trifásico e que a lâmpada de sinalização está ligada em um dos contatos desse relé. O tipo de relé a ser usado e o tipo de contato para que a sinalização ocorra de acordo com o indicado são, respectivamente:
Provas
Disciplina: Engenharia Elétrica
Banca: SELECON
Orgão: Pref. Lucas Rio Verde-MT
A norma NBR 14136:2012 estabelece as dimensões de plugues e tomadas para uso doméstico no Brasil. Segundo essa norma, a distância entre os terminais de fase e neutro, em uma tomada, tem uma distância média, entre centros, de 19 mm. Supondo-se que a tomada seja feita de material cuja rigidez dielétrica é de 20 MV/m, a diferença de potencial entre seus terminais para que ocorra um arco entre estes deve ser de:
Provas
Caderno Container