Foram encontradas 30 questões.
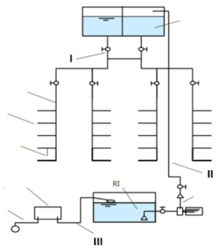
Considere o esquema abaixo, que representa um sistema predial de distribuição de água fria.

Os dispositivos I, II e III indicados no esquema são, respectivamente
Provas
Em certa visita técnica a um edifício, foram detectados defeitos como pequenas rachaduras ou fissuras nas superfícies esmaltadas dos azulejos, cerâmicas e materiais similares, também conhecidos por
Provas
Há 30 anos, o Brasil começava sua revolução contra a Aids.
Alexandre Versignassi Diretor de redação
“A Aids era uma doença variada, e uniformemente fatal”, definiu Drauzio Varella num episódio recente de seu (ótimo) podcast, o Outras Histórias. “À medida que a imunidade ia caindo”, ele segue, “repetiam-se as infecções oportunistas: pneumonias, meningites, lesões cerebrais por toxoplasmose... Você tratava uma infecção e vinha outra, depois outra. Uma hora o doente estava tão debilitado que não sobrevivia”.
Drauzio usa o tempo verbal no passado por um motivo óbvio: Aids sem tratamento é uma página virada no Brasil. Começou há 30 anos, em 1991. Foi quando teve início a compra e distribuição gratuita de remédios contra HIV pelo SUS. Na época, o principal era o AZT, pouco eficaz. Em 1995, porém, viriam os inibidores de protease. Funciona assim: as cópias do vírus emergem capengas das células infectadas. Para ter como invadir novas células, eles precisam amadurecer. A protease é uma enzima que edita as proteínas do HIV, conferindo-lhe poder de fogo. Os inibidores de protease, então, impedem essa “fase de crescimento”. E o vírus fica dormente.
Há diversos inibidores de protease, cada um feito para pegar o vírus numa fase diferente de maturação – combinados com outras classes de medicamentos, eles formam a versão moderna do coquetel antiaids. “Foi uma revolução absurda. Eu tinha doentes internados que estavam virtualmente morrendo. Eles saíram do hospital, e muitos estão vivos até hoje. Uma doença que era uniformemente fatal passou a ser controlável.”
A aquisição dos novos medicamentos pelo SUS não foi simples. Envolveu negociações duras de preços com as farmacêuticas e quebra de patente. Mas deu certo. E produziu frutos fora do Brasil também.
Em 2002, a organização Médicos Sem Fronteiras (MSR) lutava contra a Aids na África do Sul. Com mais de 4 milhões de infectados (10% da população), havia mil mortes por dia em decorrência do HIV. O governo era negacionista. O presidente da época, Thabo Mbeki, dizia que o HIV não causava Aids, então não tinha por que gastar com antirretrovirais.
A MSR, então, comprou cargas de coquetel antiaids do governo brasileiro, a preços baixos, e levou para a África do Sul para administrar em doentes terminais. Um ano depois, 91% dos pacientes tratados por eles estavam vivos e saudáveis. A opinião pública, então, convenceu-se de que era possível vencer a Aids. E em 2003 o governo de lá deu o braço a torcer: passou a distribuir os remédios.
A África do Sul ainda é o epicentro global da doença. Infelizmente, a proporção de infectados até subiu, para 20,4% da população (7,7 milhões) – no Brasil, é de 0,43% (920 mil). O número de mortes, ao menos, baixou brutalmente. Hoje são 200 por dia. Sem o coquetel gratuito, seriam dez vezes mais. Ou seja: uma iniciativa que o Brasil tomou há 30 anos é responsável por salvar vidas até hoje não só aqui, mas na África do Sul também.
Governantes negacionistas vêm e vão. O que fica para sempre são as vitórias do bom senso contra o obscurantismo. Parabéns à imensa maioria dos brasileiros, que agora, na pandemia, confiou na ciência e aderiu às vacinas. Vocês fizeram jus à história do país.
Superinteressante, dez/2021. [texto adaptado]
Neste parágrafo, existem
Provas
Há 30 anos, o Brasil começava sua revolução contra a Aids.
Alexandre Versignassi Diretor de redação
“A Aids era uma doença variada, e uniformemente fatal”, definiu Drauzio Varella num episódio recente de seu (ótimo) podcast, o Outras Histórias. “À medida que a imunidade ia caindo”, ele segue, “repetiam-se as infecções oportunistas: pneumonias, meningites, lesões cerebrais por toxoplasmose... Você tratava uma infecção e vinha outra, depois outra. Uma hora o doente estava tão debilitado que não sobrevivia”.
Drauzio usa o tempo verbal no passado por um motivo óbvio: Aids sem tratamento é uma página virada no Brasil. Começou há 30 anos, em 1991. Foi quando teve início a compra e distribuição gratuita de remédios contra HIV pelo SUS. Na época, o principal era o AZT, pouco eficaz. Em 1995, porém, viriam os inibidores de protease. Funciona assim: as cópias do vírus emergem capengas das células infectadas. Para ter como invadir novas células, eles precisam amadurecer. A protease é uma enzima que edita as proteínas do HIV, conferindo-lhe poder de fogo. Os inibidores de protease, então, impedem essa “fase de crescimento”. E o vírus fica dormente.
Há diversos inibidores de protease, cada um feito para pegar o vírus numa fase diferente de maturação – combinados com outras classes de medicamentos, eles formam a versão moderna do coquetel antiaids. “Foi uma revolução absurda. Eu tinha doentes internados que estavam virtualmente morrendo. Eles saíram do hospital, e muitos estão vivos até hoje. Uma doença que era uniformemente fatal passou a ser controlável.”
A aquisição dos novos medicamentos pelo SUS não foi simples. Envolveu negociações duras de preços com as farmacêuticas e quebra de patente. Mas deu certo. E produziu frutos fora do Brasil também.
Em 2002, a organização Médicos Sem Fronteiras (MSR) lutava contra a Aids na África do Sul. Com mais de 4 milhões de infectados (10% da população), havia mil mortes por dia em decorrência do HIV. O governo era negacionista. O presidente da época, Thabo Mbeki, dizia que o HIV não causava Aids, então não tinha por que gastar com antirretrovirais.
A MSR, então, comprou cargas de coquetel antiaids do governo brasileiro, a preços baixos, e levou para a África do Sul para administrar em doentes terminais. Um ano depois, 91% dos pacientes tratados por eles estavam vivos e saudáveis. A opinião pública, então, convenceu-se de que era possível vencer a Aids. E em 2003 o governo de lá deu o braço a torcer: passou a distribuir os remédios.
A África do Sul ainda é o epicentro global da doença. Infelizmente, a proporção de infectados até subiu, para 20,4% da população (7,7 milhões) – no Brasil, é de 0,43% (920 mil). O número de mortes, ao menos, baixou brutalmente. Hoje são 200 por dia. Sem o coquetel gratuito, seriam dez vezes mais. Ou seja: uma iniciativa que o Brasil tomou há 30 anos é responsável por salvar vidas até hoje não só aqui, mas na África do Sul também.
Governantes negacionistas vêm e vão. O que fica para sempre são as vitórias do bom senso contra o obscurantismo. Parabéns à imensa maioria dos brasileiros, que agora, na pandemia, confiou na ciência e aderiu às vacinas. Vocês fizeram jus à história do país.
Superinteressante, dez/2021. [texto adaptado]
Em 2002, a organização Médicos Sem Fronteiras (MSR) lutava [1] contra a Aids na África do Sul. Com mais de 4 milhões de infectados (10% da população), havia [2] mil mortes por dia em decorrência do HIV. O governo era [3] negacionista. O presidente da época, Thabo Mbeki, dizia [4] que o HIV não causava Aids, então não tinha por que gastar com antirretrovirais.
Em relação aos verbos em destaque,
Provas

Considerando a viga e as cargas às quais está submetida, através de cálculos, é possível verificar as reações resultantes nos apoios A e B. Essas reações são, respectivamente
Provas
Provas
Provas
Provas
Provas
Provas
Caderno Container