Magna Concursos

Foram encontradas 720 questões.

3825698 Ano: 2024
Disciplina: Direito da Criança e do Adolescente
Banca: Consulplan
Orgão: Pref. Miracema-RJ
Provas:
Com a promulgação da Constituição de 1988, o país respira um ar progressista. Nesse bojo, foi editada a Lei nº 8.069/1990, que ficou conhecida como Estatuto da Criança e do Adolescente (ECA). O Estatuto reconhece a realidade das crianças e adolescentes, avança em princípios e valores sobre a dignidade humana – dentre eles, o de proteção integral às crianças e adolescentes. 

(Disponível em: https://www.brasildedireitos.org.br/atualidades/. Acesso em: 17/01/2024.)


De acordo com o ECA, os conselheiros tutelares atuam em parceria com escolas, e os dirigentes de estabelecimentos de ensino fundamental comunicarão ao Conselho Tutelar os casos de, EXCETO: 
 

Provas

Questão presente nas seguintes provas
3825697 Ano: 2024
Disciplina: Pedagogia
Banca: Consulplan
Orgão: Pref. Miracema-RJ
Provas:
O Manifesto dos Pioneiros da Educação Nova lançado em 1932, no contexto da preparação da Assembleia Nacional Constituinte de 1933, com o sugestivo título “A reconstrução educacional no Brasil: ao povo e ao governo”, pode ser considerado o marco inicial da preocupação com um projeto nacional de educação, com visão sistêmica de totalidade. Algumas iniciativas desse momento histórico irão marcar a trajetória do planejamento educacional no Brasil, conectando-se ao momento atual de elaboração do Plano Nacional de Educação (PNE) das quais se pode destacar, com EXCEÇÃO a uma; assinale-a. 
 

Provas

Questão presente nas seguintes provas
3825696 Ano: 2024
Disciplina: Pedagogia
Banca: Consulplan
Orgão: Pref. Miracema-RJ
Provas:
A Constituição de 1988 adota, explicitamente, concepção de educação como preparação para exercício de cidadania, respeito a diversidade e convívio em sociedade plural, com múltiplas expressões religiosas, políticas, culturais e étnicas. No plano internacional, os objetivos de uma educação democrática estão expressos no Pacto Internacional sobre Direitos Econômicos, Sociais e Culturais (PIDESC – promulgado pelo Decreto nº 591, de 6 de julho de 1992) e no Protocolo Adicional à Convenção Americana sobre Direitos Humanos em Matéria de Direitos Econômicos, Sociais e Culturais (Protocolo de São Salvador – promulgado pelo Decreto nº 3.321, de 30 de dezembro de 1999).

(Disponível em: https://redir.stf.jus.br/paginadorpub/. Adaptado.)

Acerca do exposto, o ensino será ministrado em conformidade com Art. 206 da CF, com base nos seguintes princípios, EXCETO: 
 

Provas

Questão presente nas seguintes provas
3825695 Ano: 2024
Disciplina: Pedagogia
Banca: Consulplan
Orgão: Pref. Miracema-RJ
Provas:
Os Parâmetros Curriculares Nacionais (PCNs) propõem uma mudança de enfoque em relação aos conteúdos curriculares: ao invés de um ensino em que o conteúdo seja visto como fim em si mesmo, o que se propõe é um ensino em que o conteúdo seja visto como meio para que os alunos desenvolvam as capacidades que lhes permitam produzir e usufruir dos bens culturais, sociais e econômicos. Neste documento, os conteúdos são abordados em três grandes categorias: conteúdos conceituais, conteúdos procedimentais; e, conteúdos atitudinais. Considere cada uma das categorias de abordagens dos conteúdos contidas nos PCNs, e complete corretamente as afirmativas a seguir.

I. “Os conteúdos _________________expressam um ‘saber fazer’, que envolve tomar decisões e realizar uma série de ações, de forma ordenada e não aleatória, para atingir uma meta.”
II. “Os conteúdos _____________ referem-se à construção ativa das capacidades intelectuais para operar com símbolos, ideias, imagens e representações que permitem organizar a realidade.”
III. “Os conteúdos ______________ permeiam todo o conhecimento escolar. A escola é um contexto socializador, gerador de comportamentos relativos ao conhecimento, ao professor, aos colegas, às disciplinas, às tarefas e à sociedade.”

A sequência está correta em  
 

Provas

Questão presente nas seguintes provas
3825694 Ano: 2024
Disciplina: Pedagogia
Banca: Consulplan
Orgão: Pref. Miracema-RJ
Provas:
Considerando a Lei de Diretrizes e Bases (Lei nº 9.394/1996), está disposto no Art. 61 que se consideram profissionais da educação escolar básica os que, nela se encontram em efetivo exercício e sido formados em cursos reconhecidos, EXCETO:
 

Provas

Questão presente nas seguintes provas
3825693 Ano: 2024
Disciplina: História
Banca: Consulplan
Orgão: Pref. Miracema-RJ
Provas:
De acordo com Santos (1999, p. 7), “é pela história que conhecemos a vida dos homens: como era, como é e o que nela se modificou com o passar do tempo”. Pensar em educação num contexto é pensar esse contexto mesmo: a ação educativa processa-se de acordo com a compreensão que se tem da realidade social em que se está imerso (Romanelli, 1978, p. 23). É de fundamental importância conhecer a história da educação escolar, pois, diante da importância que a educação alcançou, não se pode permitir que essa instituição continue contribuindo de maneira significativa para perpetuar as desigualdades sociais e a exclusão, negando a sua função político-pedagógica. É necessário garantir oportunidades iguais e uma vida digna a todos. Portanto, se faz necessária uma análise da educação oferecida em nosso país desde o Período Colonial até a atualidade. Sobre a educação durante o Período Colonial (1500-1822), NÃO está correto o que se afirma em:
 

Provas

Questão presente nas seguintes provas
3825692 Ano: 2024
Disciplina: Engenharia Civil
Banca: Consulplan
Orgão: Pref. Miracema-RJ
Provas:
No dimensionamento do coletor predial e dos subcoletores em prédios residenciais para esgoto sanitário, deve ser considerado apenas o aparelho de maior descarga de cada banheiro para a somatória do número de Unidades de Hunter de Contribuição (UHC). Nos demais casos, devem ser considerados todos os aparelhos contribuintes para o cálculo do número de UHC. Sendo assim, o coletor predial deverá ter diâmetro nominal mínimo, em milímetros, de:
 

Provas

Questão presente nas seguintes provas
3825691 Ano: 2024
Disciplina: Engenharia Civil
Banca: Consulplan
Orgão: Pref. Miracema-RJ
Provas:

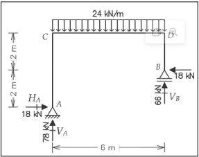
Observe a imagem a seguir:

Enunciado 4752240-1

Uma condição necessária para que uma viga seja deste tipo é que o número de componentes de reação de apoio sejam iguais ao número de equações de equilíbrio. A imagem mostra as forças aplicadas, que constituem carregamentos hipotéticos e reações de apoio correspondentes. A este tipo de estrutura dá-se o nome de:

 

Provas

Questão presente nas seguintes provas
3825690 Ano: 2024
Disciplina: Engenharia Civil
Banca: Consulplan
Orgão: Pref. Miracema-RJ
Provas:

Observe a imagem a seguir:

Enunciado 4752239-1

Sabe-se que a rede de drenagem pluvial é um sistema de canais e tubulações projetado para coletar e direcionar a água da chuva, prevenindo inundações e alagamentos em áreas urbanas. Essa infraestrutura é crucial para o gerenciamento adequado das águas pluviais. Sob a rede deve-se assentar os tubos em material, conforme especificado na imagem. Podemos afirmar que o material poderá ser:

 

Provas

Questão presente nas seguintes provas
3825689 Ano: 2024
Disciplina: Engenharia Civil
Banca: Consulplan
Orgão: Pref. Miracema-RJ
Provas:
Deve-se conhecer os diversos tipos de materiais de construção para poder identificá-los em obra, bem como suas funções no empreendimento. O tipo de acabamento liso, que consiste em uma mistura de cimento e água, normalmente na proporção 5:1 (água/cimento em volume), aplicada sobre uma superfície de argamassa e espalhada com o uso de uma desempenadeira com movimentos circulares é:
 

Provas

Questão presente nas seguintes provas