Foram encontradas 720 questões.
Disciplina: Engenharia Elétrica
Banca: Consulplan
Orgão: Pref. Miracema-RJ
Observe a linha elétrica a seguir:

Uma linha elétrica refere-se a um sistema de condutores, geralmente fios ou cabos, utilizados para transmitir eletricidade de um ponto a outro. Essas linhas desempenham um papel crucial na distribuição de energia elétrica, desde as instalações de geração até os pontos de consumo, como residências, empresas e indústrias. Na imagem mostrada, a linha elétrica corresponde a:
Provas
Provas
Disciplina: Legislação Municipal
Banca: Consulplan
Orgão: Pref. Miracema-RJ
Provas
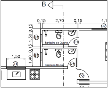
Observe a imagem a seguir:

A área de azulejo a ser empregada nas paredes dos banheiros, tendo em vista que serão assentados até o teto, bem como o pé-direito é de 2,80 m; a porta P1 1,00 x 2,10 m; e, o basculante B1 0,70 x 0,70 m, corresponde a:
Provas
Disciplina: Legislação Municipal
Banca: Consulplan
Orgão: Pref. Miracema-RJ
I. Dispor de armação de ferro ou aço polido, fixada nas paredes ou no teto, na qual se prenderão, em suspenso, por meio de ganchos do mesmo material, os quartos de redes para talho.
II. Os ralos deverão ser desinfetados uma vez por semana.
III. Os utensílios de manipulação devem ser desinfetados a cada duas semanas.
IV. Dispor de iluminação artificial.
Está correto o que se afirma apenas em
Provas
Disciplina: Legislação Municipal
Banca: Consulplan
Orgão: Pref. Miracema-RJ
Provas
Disciplina: Legislação Municipal
Banca: Consulplan
Orgão: Pref. Miracema-RJ
I. Promoção é a passagem do servidor, titular de cargo em caráter efetivo, ao nível subsequente, na carreira.
II. Para adquirir direito à promoção, deverá o servidor contar, no nível da carreira, até o último dia do semestre anterior, oito anos no mínimo, de efetivo exercício e, no nível intermediário, quatro anos, no mínimo, de efetivo exercício; e, ser aprovado em seleção competitiva interna, observado o regulamento, com base em prova ou provas relacionadas com as atribuições da classe.
III. Em qualquer caso, a seleção competitiva será precedida de curso de treinamento, nos termos do regulamento.
IV. Ocorrendo empate na apuração da classificação para promoção, dar-se-á o desempate, em favor do candidato de melhor nível de escolaridade, de mais tempo de efetivo exercício no Município.
Está correto, nos termos do Plano de Cargos, Vencimentos e Carreiras dos Servidores Municipais de Miracema, o que se afirma em
Provas
Disciplina: Legislação Municipal
Banca: Consulplan
Orgão: Pref. Miracema-RJ
I. Progressão é a passagem do servidor, titular de cargo em caráter efetivo, ao padrão de vencimento subsequente na carreira.
II. Para obter direito à progressão, observado o regulamento, deverá o servidor cumprir, no padrão de vencimento, o interstício de dois anos de efetivo exercício; e, alcançar conceito favorável de desempenho funcional, no período de interstício.
III. O conceito funcional do servidor, para o efeito de avaliação do desempenho, será considerado favorável se, no período do interstício, o servidor alcançar 60%, no mínimo, do número máximo de pontos adotados no sistema de avaliação e se tiver participado, com aproveitamento, do curso ou cursos de treinamento com duração mínima fixada em regulamento.
IV. O ocupante do cargo em comissão somente poderá concorrer à progressão no cargo de que seja titular, em caráter efetivo.
Está correto, nos termos do Plano de Cargos, Vencimentos e Carreiras dos Servidores Municipais de Miracema, o que se afirma em
Provas
Disciplina: Legislação Municipal
Banca: Consulplan
Orgão: Pref. Miracema-RJ
I. São devidas, a título de indenização, dentre outras, as diárias, a servidor que, a serviço, se afastar do Município em caráter eventual ou transitório, para outro ponto do território nacional, fazendo jus a passagens e diárias, para cobrir as despesas de pousada, alimentação e locomoção urbana.
II. É devida ao servidor, dentre outras, gratificação pelo exercício de cargo de direção, chefia e assessoramento.
III. O servidor, ao completar trinta anos de serviço ou, antes disso, se implementado o interstício necessário para aposentadoria integral, terá direito a adicional por tempo de serviço de 5% incidente sobre o vencimento.
IV. A cada período de cinco anos de efetivo exercício no serviço público, o servidor fará jus a um mês de férias-prêmio, sem prejuízo da remuneração, podendo gozá-las ou contá-las em dobro para fins de aposentadoria ou vantagens dela decorrentes.
Está correto, nos termos do Regime Jurídico dos Servidores Públicos Civis do Município de Miracema, o que se afirma em
Provas
Disciplina: Direito Administrativo
Banca: Consulplan
Orgão: Pref. Miracema-RJ
Provas
Caderno Container