Foram encontradas 40 questões.
Disciplina: Engenharia Eletrônica
Banca: COTEC
Orgão: Pref. Montes Claros-MG
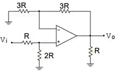
A figura a seguir mostra um circuito de um amplificador operacional. O ganho V0 / Vi é:

Provas
Disciplina: Engenharia Eletrônica
Banca: COTEC
Orgão: Pref. Montes Claros-MG
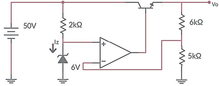
Para o circuito regulador de tensão linear a seguir, desconsiderando a queda de tensão (Vbe) no transistor, marque a alternativa que mostra, respectivamente, a sua tensão de saída (V0) e a corrente do diodo Zener (IZ):

Fonte: O autor, 2024.
Provas
Um saco com balões do mesmo tamanho e material contém 7 balões brancos e 5 balões pretos. A probabilidade de retirar dois balões, consecutivamente, sem reposição, e ambos serem pretos é de
Provas
A Secretaria Municipal de Esporte e Lazer de uma cidade planeja construir um escorregador gigante com o ponto de partida situado a 15 metros de altura. De acordo com as normas de segurança, o ângulo formado pelo escorregador com a horizontal não pode exceder 45 graus. Logo, o comprimento mínimo, em metros, do escorregador é
Provas
INSTRUÇÃO: Leia, com atenção, o texto 02 e, a seguir, responda às questões que a ele se referem.
Texto 02

Disponível em: https://cartunistasolda.com.br/esse-viking-e-uma-figura/. Acesso em: 22 maio 2024.
Analise as afirmativas a seguir, tendo em vista a estrutura de composição das falas presentes no texto.
I - Nas falas do primeiro e segundo quadros, predomina o emprego de verbos no imperativo afirmativo.
II - Na fala do terceiro quadro, verifica-se a presença de um único período, que é composto por três orações.
III - Na fala do segundo quadro, observa-se o emprego de uma conjunção coordenativa aditiva e uma conjunção coordenativa alternativa.
IV - Na primeira fala, constata-se que o verbo “sou” tem a função de ligar o sujeito ao seu predicativo.
V - Na fala do terceiro quadro, nota-se que a vírgula foi usada de acordo com a norma para separar o termo “rapazes”, que está exercendo a função de vocativo.
Estão CORRETAS as afirmativas
Provas
INSTRUÇÃO: Leia, com atenção, o texto 02 e, a seguir, responda às questões que a ele se referem.
Texto 02

Disponível em: https://cartunistasolda.com.br/esse-viking-e-uma-figura/. Acesso em: 22 maio 2024.
Analise as afirmativas a seguir, tendo em vista as ideias que se podem inferir do texto 02.
I - A fala proferida por Hagar, no primeiro quadro, apresenta-se contundente, porém não convincente.
II - A expressão “o horrível”, autodenominação feita por Hagar, em sua primeira fala, não surte o efeito pretendido por ele.
III - A fala do interlocutor de Hagar, no segundo quadro, mostra seu destemor em relação às estratégias argumentativas usadas por Hagar em sua fala, no primeiro quadro.
IV - Hagar mostra-se destemido, pois, já no segundo quadro, percebe que seu interlocutor é uma mulher.
V - Hagar, ante a reação de fragilidade demonstrada por seu interlocutor, conclui que prefere enfrentar um homem a uma mulher.
Estão CORRETAS as afirmativas
Provas
INSTRUÇÃO: Leia, com atenção, o texto 02 e, a seguir, responda às questões que a ele se referem.
Texto 02

Disponível em: https://cartunistasolda.com.br/esse-viking-e-uma-figura/. Acesso em: 22 maio 2024.
A fala de Hagar, no último quadro, mostra o seu comportamento
I - temeroso.
II - narcisista.
III - misógino.
IV - machista.
V - prudente.
Estão CORRETOS os itens
Provas
João Lucas fez um empréstimo de R$ 900,00 em uma financeira, que cobra uma taxa de juros simples de 10% ao mês, e comprometeu-se a saldar a dívida em dois meses. No fim do primeiro mês, João Lucas pagou à financeira uma parcela de R$ 500,00. Considerando esse pagamento, o valor que João ainda deve pagar ao final do segundo mês é
Provas
Durante uma reunião familiar, vovô Paulo registrou os salários mensais de seus 5 netos em uma tabela da seguinte forma:

Fonte: O autor, 2024.
Ao finalizar o registro, ele calculou a média dos salários e encontrou o valor de R$ 3.500,00. Vovó Telma, ao revisar a tabela, percebeu que o salário de um dos netos estava ilegível devido a uma mancha no papel. É CORRETO afirmar que o valor do salário ilegível, em relação aos dados registrados, é
Provas
Uma impressora 3D é capaz de produzir uma peça complexa em exatos 27 minutos. O tempo total necessário para imprimir 15 dessas peças é
Provas
Caderno Container