Foram encontradas 315 questões.
O ensaio de SPT fornece ao engenheiro informações de resistência à penetração através de :
Provas
Questão presente nas seguintes provas
Assinale a alternativa que indica o valor correto do azimute à direita e à esquerda de um alinhamento correspondente ao rumo 30° 05’ 55” NE.
Provas
Questão presente nas seguintes provas
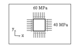
O estado plano de tensão em um ponto de uma estrutura é mostrado no elemento da figura.

A tensão de cisalhamento máxima no plano vale:

A tensão de cisalhamento máxima no plano vale:
Provas
Questão presente nas seguintes provas
Em condições estática a pressão da água em qualquer ponto de utilização na rede predial de distribuição não deve ser superior a:
Provas
Questão presente nas seguintes provas
Em uma instalação predial sanitária pode-se afirmar que:
Provas
Questão presente nas seguintes provas
- Engenharia de Tráfego
- Geotecnia
- Projeto e Execução de Rodovias e FerroviasTerraplenagem
- SolosMecânica dos Solos
O processo de compactação sobre uma camada de solo visa:
Provas
Questão presente nas seguintes provas
Sabe-se que o ponto A dista 1500 m do ponto B, o primeiro encontra-se em uma cota de 317,45 metros e o segundo em uma cota de 332,45 metros. Assinale o valor correto da declividade entre os pontos considerados
Provas
Questão presente nas seguintes provas
De acordo com a norma 6122/96, que trata da execução de fundações, a diferença entre estacas e tubulões é:
Provas
Questão presente nas seguintes provas
Num teste de aderência, uma barra de aço de 12,5 mm de diâmetro (d) é mergulhada 30 cm (L) num bloco de concreto e submetida, após a cura, a uma força de tração (P) de 18 kN em sua extremidade, conforme a figura abaixo. Assumir que a tensão de cisalhamento entre o aço e o concreto está uniformemente distribuída ao longo do comprimento L.
Nestas condições a tensão de cisalhamento entre o aço e o concreto será de aproximadamente:

Nestas condições a tensão de cisalhamento entre o aço e o concreto será de aproximadamente:

Provas
Questão presente nas seguintes provas
- Engenharia de Tráfego
- Geotecnia
- Projeto e Execução de Rodovias e FerroviasTerraplenagem
- SolosMecânica dos Solos
Visando a compactação de um aterro constituído por solo arenoso, podemos afirmar que o melhor processo a ser adotado é:
Provas
Questão presente nas seguintes provas
Cadernos
Caderno Container