Foram encontradas 20 questões.
Sabe-se que existem vários tipos de perspectivas no desenho técnico. Observando as duas figuras, indique o nome da perspectiva que corresponde a elas.

Provas
Dada a seguinte definição:
“É um estudo, ou desenvolvimento de um desenho representado de forma mais simples, aplicada no estágio inicial do projeto, onde são trabalhadas as cotagens para execução do desenho definitivo. Executado à mão livre, utilizando lápis, ou lapiseira de grafite macio”.
Indique em qual dos estágios da classificação do desenho técnico, pelo seu grau de elaboração, essa definição pertence.
Provas
Em desenho técnico temos muitos instrumentos para facilitar e calcular medidas, ajudando assim, a confecção de desenhos. Indique os nomes corretos para os três instrumentos dados:

-
Figura I -------------------------- Figura II -------------------------- Figura III
Provas
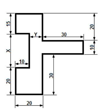
Observe o desenho técnico sabendo que suas dimensões estão em centímetros, indique a alternativa correta para as medidas X e Y.

Provas
Disciplina: Legislação Municipal
Banca: MS CONCURSOS
Orgão: Pref. Patrocínio-MG
Conforme a Lei Complementar nº 062/2009, assinale a alternativa que completa a lacuna.
O servidor nomeado para cargo em comissão pode optar pelo vencimento deste, ou pelo vencimento de seu cargo efetivo acrescido do percentual de , a título de Gratificação de Função.
Provas
Disciplina: Legislação Municipal
Banca: MS CONCURSOS
Orgão: Pref. Patrocínio-MG
Atribua (V) verdadeiro ou (F) falso aos itens e, de acordo com a Lei Complementar nº 061/2009, indique a alternativa correta.
( ) O Plano de Cargos, Carreiras e Vencimentos seguirá, dentre outras a seguinte diretriz: distribuição das atividades administrativas permanentes do Executivo Municipal por cargos públicos.
( ) Atividades e Função são ações de mesma natureza e finalidade em relação ao conjunto de atribuições de um profissional.
( ) Especificação do cargo: conjunto dos requisitos físicos e mentais, responsabilidades e condições de trabalho exigidos dos ocupantes do cargo.
Provas
Disciplina: Legislação Municipal
Banca: MS CONCURSOS
Orgão: Pref. Patrocínio-MG
Considerando o disposto na Lei Complementar nº 060/2009, marque a alternativa incorreta.
Provas
Disciplina: Legislação Municipal
Banca: MS CONCURSOS
Orgão: Pref. Patrocínio-MG
Segundo o Decreto nº 2.813/2011, a contar do primeiro dia do exercício no cargo efetivo, o desempenho do servidor será objeto de avaliações periódicas, durante os três anos de duração do estágio probatório. Até o último dia do vigésimo segundo mês de exercício deverá ocorrer a:
Provas
Disciplina: Legislação Municipal
Banca: MS CONCURSOS
Orgão: Pref. Patrocínio-MG
De acordo com o Decreto nº 3.397/2017, é obrigatória a comunicação à autoridade hierárquica superior, de qualquer irregularidade que tiver ciência, no tocante ao bem público pelo servidor responsável pelo acervo patrimonial, ou por aquele a quem tiver sido confiada a guarda, ou o uso do mesmo. A comunicação deverá ser realizada no prazo máximo de:
Provas
Disciplina: Literatura Brasileira e Estrangeira
Banca: MS CONCURSOS
Orgão: Pref. Patrocínio-MG
Referindo–se a período literário e autor, relacione a Coluna I com a Coluna II e marque a alternativa correta.
Coluna I.
A– Cláudio Manoel da Costa.
B– Gonçalves Dias.
C– Cruz e Sousa.
D– Cecília Meireles.
Coluna II.
1– Romantismo.
2– Simbolismo.
3– Modernismo.
4– Arcadismo.
Provas
Caderno Container