Foram encontradas 60 questões.
Fé, calma e sabedoria contra o caos: o que recomenda o líder indígena Ailton Krenak
Autor de 'Ideias para adiar o fim do mundo', Ailton Krenak debateu-as em BH, durante o Encontro Internacional Arte, Cultura e Democracia no Século 21
Ana Clara Brant
Em 1987, no contexto das discussões da Assembleia Constituinte, o líder indígena, ambientalista e escritor Ailton Krenak fez um gesto que entrou para a história. Em sinal de luto pelo retrocesso na tramitação dos direitos indígenas, ele pintou o rosto de preto com pasta de jenipapo enquanto discursava no plenário do Congresso Nacional, em Brasília. “Se for para repetir esse gesto, tomara que seja com mais gente. Um homem sozinho não consegue nada. Mas não adianta ficar estressado, angustiado. Mesmo diante desse caos, precisamos não perder a fé e a calma. É preciso resolver as coisas com sabedoria”, afirma Krenak, que esteve em Belo Horizonte na quinta-feira passada (22), como convidado do Encontro Internacional Arte, Cultura e Democracia no Século 21, promovido pela Prefeitura.
Apesar do tom sereno, Krenak não esconde a preocupação, sobretudo com relação às mais recentes tragédias ambientais, como as queimadas em curso na Amazônia. “A Amazônia é um bioma complexo e regulador do clima e distribui chuvas, além de reciclar e limpar o oxigênio do planeta. Os governos europeus sabem dessa importância e por isso estão se manifestando, preocupados com a situação”, observa Krenak. Para os povos indígenas, no entanto, a relação é outra. “É como se fosse uma entidade à qual muitos povos se sentem vinculados e na obrigação de protegê-la.”
Embora valorize a preocupação dos governantes europeus, o líder indígena avalia que eles deveriam ter tomado decisões em relação à proteção da Amazônia há muito tempo, como a suspensão das importações de carne de boi, de frango, soja e minério. “A pecuária, a mineração, tudo isso está devastando nossas paisagens, nosso meio ambiente. França, Alemanha e outros países deveriam colocar alguma restrição na hora de importar esses produtos. Já que nosso presidente decidiu avacalhar tudo, ele mesmo poderia fazer algo nesse sentido. Proibir a venda dessas mercadorias, por exemplo”, sugere.
Krenak é pessimista com as perspectivas do governo de Jair Bolsonaro. Particularmente, ele se refere ao presidente como Nero, o imperador romano famoso por ter incendiado Roma. “Vivemos um período crítico, com ameaças aos direitos humanos, à ideia do Estado de direito. Enquanto existir esse governo agredindo o senso comum, desrespeitando tudo e todos, desmantelando a infraestrutura de governança que recebeu, a gente não tem esperança nenhuma de melhorar. Mas temos que seguir firmes, fortes e resistentes”, afirma.
Atualmente morando em Resplendor (MG), às margens do Rio Doce, região de origem dos Krenak, ele lamenta as condições a que seu povo está submetido, principalmente após o rompimento da barragem da Samarco, em 2015. “Ainda estamos sentindo os efeitos. Estamos refugiados dentro de casa, como se fosse um acampamento dentro do nosso próprio território. Temos caminhão-pipa trazendo água, os animais sendo alimentados com ração. Infelizmente, o Rio Doce ainda vai demorar muito para voltar a ser uma fonte de subsistência. Ouso dizer que ele está pior do que o Arrudas.”
Enquanto isso, o líder indígena segue a filosofia de sua etnia, com a “cabeça na terra”, que é o significado da palavra Krenak. “Cada cultura tem a sua maneira de orar. No nosso caso, a gente se ajoelha e coloca a cabeça na terra para se ligar a ela, fazendo contato com esse planeta tão maravilhoso. É assim que temos que continuar.”
Disponível em:
https://www.em.com.br/app/noticia/cultura/2019/08/ 25/interna_cultura,1079473/fe-calma-e-sabedoria-contra-o-caos-o-que-recomenda-lider-indigena.shtml. Acesso em 19/10/2019.
O texto permite deduzir que
Provas
Questão presente nas seguintes provas
O artigo 37 da Constituição Federal trata da organização do Estado e da Administração Pública e apresenta, em seu caput, os princípios aos quais esta última deve obedecer; esses princípios estabelecem a base para uma ética no Serviço Público.
Considerando os princípios da Administração Pública, assinale a opção que NÃO corresponde a um deles.
Provas
Questão presente nas seguintes provas
Fé, calma e sabedoria contra o caos: o que recomenda o líder indígena Ailton Krenak
Autor de 'Ideias para adiar o fim do mundo', Ailton Krenak debateu-as em BH, durante o Encontro Internacional Arte, Cultura e Democracia no Século 21
Ana Clara Brant
Em 1987, no contexto das discussões da Assembleia Constituinte, o líder indígena, ambientalista e escritor Ailton Krenak fez um gesto que entrou para a história. Em sinal de luto pelo retrocesso na tramitação dos direitos indígenas, ele pintou o rosto de preto com pasta de jenipapo enquanto discursava no plenário do Congresso Nacional, em Brasília. “Se for para repetir esse gesto, tomara que seja com mais gente. Um homem sozinho não consegue nada. Mas não adianta ficar estressado, angustiado. Mesmo diante desse caos, precisamos não perder a fé e a calma. É preciso resolver as coisas com sabedoria”, afirma Krenak, que esteve em Belo Horizonte na quinta-feira passada (22), como convidado do Encontro Internacional Arte, Cultura e Democracia no Século 21, promovido pela Prefeitura.
Apesar do tom sereno, Krenak não esconde a preocupação, sobretudo com relação às mais recentes tragédias ambientais, como as queimadas em curso na Amazônia. “A Amazônia é um bioma complexo e regulador do clima e distribui chuvas, além de reciclar e limpar o oxigênio do planeta. Os governos europeus sabem dessa importância e por isso estão se manifestando, preocupados com a situação”, observa Krenak. Para os povos indígenas, no entanto, a relação é outra. “É como se fosse uma entidade à qual muitos povos se sentem vinculados e na obrigação de protegê-la.”
Embora valorize a preocupação dos governantes europeus, o líder indígena avalia que eles deveriam ter tomado decisões em relação à proteção da Amazônia há muito tempo, como a suspensão das importações de carne de boi, de frango, soja e minério. “A pecuária, a mineração, tudo isso está devastando nossas paisagens, nosso meio ambiente. França, Alemanha e outros países deveriam colocar alguma restrição na hora de importar esses produtos. Já que nosso presidente decidiu avacalhar tudo, ele mesmo poderia fazer algo nesse sentido. Proibir a venda dessas mercadorias, por exemplo”, sugere.
Krenak é pessimista com as perspectivas do governo de Jair Bolsonaro. Particularmente, ele se refere ao presidente como Nero, o imperador romano famoso por ter incendiado Roma. “Vivemos um período crítico, com ameaças aos direitos humanos, à ideia do Estado de direito. Enquanto existir esse governo agredindo o senso comum, desrespeitando tudo e todos, desmantelando a infraestrutura de governança que recebeu, a gente não tem esperança nenhuma!$ ^{(C)} !$ de melhorar. Mas temos que seguir firmes, fortes e resistentes”, afirma.
Atualmente morando em Resplendor (MG), às margens do Rio Doce, região de origem dos Krenak, ele lamenta as condições a que seu povo está submetido, principalmente após o rompimento da barragem da Samarco, em 2015. “Ainda estamos sentindo os efeitos. Estamos refugiados dentro de casa, como se fosse um acampamento dentro do nosso próprio território. Temos caminhão-pipa trazendo água, os animais sendo alimentados com ração. Infelizmente, o Rio Doce ainda vai demorar muito para voltar a ser uma fonte de subsistência. Ouso dizer que ele está pior do que o Arrudas.”
Enquanto isso, o líder indígena segue a filosofia de sua etnia, com a “cabeça na terra”, que é o significado da palavra Krenak. “Cada cultura tem a sua maneira de orar. No nosso caso, a gente se ajoelha!$ ^{(D)} !$ e coloca a cabeça na terra para se ligar a ela, fazendo contato com esse planeta tão maravilhoso. É assim que temos que continuar.”
Disponível em:
https://www.em.com.br/app/noticia/cultura/2019/08/ 25/interna_cultura,1079473/fe-calma-e-sabedoria-contra-o-caos-o-que-recomenda-lider-indigena.shtml. Acesso em 19/10/2019.
A respeito do substantivo “gente” empregado em “Se for para repetir esse gesto, tomara que seja com mais gente.” , é correto afirmar que o substantivo
Provas
Questão presente nas seguintes provas
Fé, calma e sabedoria contra o caos: o que recomenda o líder indígena Ailton Krenak
Autor de 'Ideias para adiar o fim do mundo', Ailton Krenak debateu-as em BH, durante o Encontro Internacional Arte, Cultura e Democracia no Século 21
Ana Clara Brant
Em 1987, no contexto das discussões da Assembleia Constituinte, o líder indígena, ambientalista e escritor Ailton Krenak fez um gesto que entrou para a história. Em sinal de luto pelo retrocesso na tramitação dos direitos indígenas, ele pintou o rosto de preto com pasta de jenipapo enquanto discursava no plenário do Congresso Nacional, em Brasília. “Se for para repetir esse gesto, tomara que seja com mais gente. Um homem sozinho não consegue nada. Mas não adianta ficar estressado, angustiado. Mesmo diante desse caos, precisamos não perder a fé e a calma. É preciso resolver as coisas com sabedoria”, afirma Krenak, que esteve em Belo Horizonte na quinta-feira passada (22), como convidado do Encontro Internacional Arte, Cultura e Democracia no Século 21, promovido pela Prefeitura.
Apesar do tom sereno, Krenak não esconde a preocupação, sobretudo com relação às mais recentes tragédias ambientais!$ ^{(A)} !$, como as queimadas em curso na Amazônia. “A Amazônia é um bioma complexo e regulador do clima e distribui chuvas, além de reciclar e limpar o oxigênio do planeta. Os governos europeus sabem dessa importância e por isso estão se manifestando, preocupados com a situação”, observa Krenak. Para os povos indígenas, no entanto, a relação é outra. “É como se fosse uma entidade à qual muitos povos se sentem vinculados e na obrigação de protegê-la.”
Embora valorize a preocupação dos governantes europeus, o líder indígena avalia que eles deveriam ter tomado decisões em relação à proteção da Amazônia!$ ^{(C)} !$ há muito tempo, como a suspensão das importações de carne de boi, de frango, soja e minério. “A pecuária, a mineração, tudo isso está devastando nossas paisagens, nosso meio ambiente. França, Alemanha e outros países deveriam colocar alguma restrição na hora de importar esses produtos. Já que nosso presidente decidiu avacalhar tudo, ele mesmo poderia fazer algo nesse sentido. Proibir a venda dessas mercadorias, por exemplo”, sugere.
Krenak é pessimista com as perspectivas do governo de Jair Bolsonaro. Particularmente, ele se refere ao presidente como Nero!$ ^{(B)} !$, o imperador romano famoso por ter incendiado Roma. “Vivemos um período crítico, com ameaças aos direitos humanos!$ ^{(D)} !$, à ideia do Estado de direito. Enquanto existir esse governo agredindo o senso comum, desrespeitando tudo e todos, desmantelando a infraestrutura de governança que recebeu, a gente não tem esperança nenhuma de melhorar. Mas temos que seguir firmes, fortes e resistentes”, afirma.
Atualmente morando em Resplendor (MG), às margens do Rio Doce, região de origem dos Krenak, ele lamenta as condições a que seu povo está submetido, principalmente após o rompimento da barragem da Samarco, em 2015. “Ainda estamos sentindo os efeitos. Estamos refugiados dentro de casa, como se fosse um acampamento dentro do nosso próprio território. Temos caminhão-pipa trazendo água, os animais sendo alimentados com ração. Infelizmente, o Rio Doce ainda vai demorar muito para voltar a ser uma fonte de subsistência. Ouso dizer que ele está pior do que o Arrudas.”
Enquanto isso, o líder indígena segue a filosofia de sua etnia, com a “cabeça na terra”, que é o significado da palavra Krenak. “Cada cultura tem a sua maneira de orar. No nosso caso, a gente se ajoelha e coloca a cabeça na terra para se ligar a ela, fazendo contato com esse planeta tão maravilhoso. É assim que temos que continuar.”
Disponível em:
https://www.em.com.br/app/noticia/cultura/2019/08/ 25/interna_cultura,1079473/fe-calma-e-sabedoria-contra-o-caos-o-que-recomenda-lider-indigena.shtml. Acesso em 19/10/2019.
Assinale a opção em que o emprego da preposição se deve ao processo sintático denominado regência verbal.
Provas
Questão presente nas seguintes provas
Fé, calma e sabedoria contra o caos: o que recomenda o líder indígena Ailton Krenak
Autor de 'Ideias para adiar o fim do mundo', Ailton Krenak debateu-as em BH, durante o Encontro Internacional Arte, Cultura e Democracia no Século 21
Ana Clara Brant
Em 1987, no contexto das discussões da Assembleia Constituinte, o líder indígena, ambientalista e escritor Ailton Krenak fez um gesto que entrou para a história. Em sinal de luto pelo retrocesso na tramitação dos direitos indígenas, ele pintou o rosto de preto com pasta de jenipapo enquanto discursava no plenário do Congresso Nacional, em Brasília. “Se for para repetir esse gesto, tomara que seja com mais gente. Um homem sozinho não consegue nada. Mas não adianta ficar estressado, angustiado. Mesmo diante desse caos, precisamos não perder a fé e a calma. É preciso resolver as coisas com sabedoria”, afirma Krenak, que esteve em Belo Horizonte na quinta-feira passada (22), como convidado do Encontro Internacional Arte, Cultura e Democracia no Século 21, promovido pela Prefeitura.
Apesar do tom sereno, Krenak não esconde a preocupação, sobretudo com relação às mais recentes tragédias ambientais, como as queimadas em curso na Amazônia. “A Amazônia é um bioma complexo e regulador do clima e distribui chuvas, além de reciclar e limpar o oxigênio do planeta. Os governos europeus sabem dessa importância e por isso estão se manifestando, preocupados com a situação”, observa Krenak. Para os povos indígenas, no entanto, a relação é outra. “É como se fosse uma entidade à qual muitos povos se sentem vinculados e na obrigação de protegê-la.”
Embora valorize a preocupação dos governantes europeus, o líder indígena avalia que eles deveriam ter tomado decisões em relação à proteção da Amazônia há muito tempo, como a suspensão das importações de carne de boi, de frango, soja e minério. “A pecuária, a mineração, tudo isso está devastando nossas paisagens, nosso meio ambiente. França, Alemanha e outros países deveriam colocar alguma restrição na hora de importar esses produtos. Já que nosso presidente decidiu avacalhar tudo, ele mesmo poderia fazer algo nesse sentido. Proibir a venda dessas mercadorias, por exemplo”, sugere.
Krenak é pessimista com as perspectivas do governo de Jair Bolsonaro. Particularmente, ele se refere ao presidente como Nero, o imperador romano famoso por ter incendiado Roma. “Vivemos um período crítico, com ameaças aos direitos humanos, à ideia do Estado de direito. Enquanto existir esse governo agredindo o senso comum, desrespeitando tudo e todos, desmantelando a infraestrutura de governança que recebeu, a gente não tem esperança nenhuma de melhorar. Mas temos que seguir firmes, fortes e resistentes”, afirma.
Atualmente morando em Resplendor (MG), às margens do Rio Doce, região de origem dos Krenak, ele lamenta as condições a que seu povo está submetido, principalmente após o rompimento da barragem da Samarco, em 2015. “Ainda estamos sentindo os efeitos. Estamos refugiados dentro de casa, como se fosse um acampamento dentro do nosso próprio território. Temos caminhão-pipa trazendo água, os animais sendo alimentados com ração. Infelizmente, o Rio Doce ainda vai demorar muito para voltar a ser uma fonte de subsistência. Ouso dizer que ele está pior do que o Arrudas.”
Enquanto isso, o líder indígena segue a filosofia de sua etnia, com a “cabeça na terra”, que é o significado da palavra Krenak. “Cada cultura tem a sua maneira de orar. No nosso caso, a gente se ajoelha e coloca a cabeça na terra para se ligar a ela, fazendo contato com esse planeta tão maravilhoso. É assim que temos que continuar.”
Disponível em:
https://www.em.com.br/app/noticia/cultura/2019/08/ 25/interna_cultura,1079473/fe-calma-e-sabedoria-contra-o-caos-o-que-recomenda-lider-indigena.shtml. Acesso em 19/10/2019.
Assinale a opção que apresenta a separação silábica correta.
Provas
Questão presente nas seguintes provas
A chave fusível é um equipamento destinado à
Provas
Questão presente nas seguintes provas
Relacione, corretamente, os dispositivos empregados na partida de motores, com suas respectivas características, numerando a Coluna II de acordo com a Coluna I.
| Coluna I | Coluna II |
| 1. Chave estrela-triângulo |
( ) Possibilita o controle da corrente de partida pela aplicação de tensão em rampa aos terminais do motor.
|
| 2. Chave série-paralela |
( ) O tipo escalar possibilita o controle da corrente de partida e da velocidade, mantendo a relação tensão e frequência constante.
|
| 3. Softstarter |
( ) Durante a partida, pode reduzir o conjugado e a corrente de partida a 1/3 de seus valores nominais.
|
| 4. Inversor de frequência |
( ) É necessário que o motor seja religável para duas tensões; a menor igual a da alimentação.
|
A sequência correta, de cima para baixo, é
Provas
Questão presente nas seguintes provas
Considere o arranjo de barramento típico de uma subestação do sistema elétrico de potência, mostrado na figura a seguir.

A figura acima representa um arranjo de barra
Provas
Questão presente nas seguintes provas
1440130
Ano: 2019
Disciplina: Atualidades e Conhecimentos Gerais
Banca: UECE
Orgão: Pref. Sobral-CE
Disciplina: Atualidades e Conhecimentos Gerais
Banca: UECE
Orgão: Pref. Sobral-CE
Provas:
No que diz respeito ao município de Sobral, é correto afirmar que
Provas
Questão presente nas seguintes provas
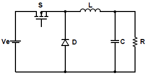
Atente para o que se afirma sobre o conversor CC-CC mostrado na figura abaixo.

I. Quando a chave S for fechada, o diodo D será polarizado reversamente, isolando o estágio de saída da fonte de alimentação.
II. Quando a chave for aberta, a tensão no indutor L polarizará o diodo D diretamente.
III. É um conversor abaixador, isto é, a tensão sobre o resistor R é menor do que a tensão de entrada – Ve.
É correto o que se afirma em
Provas
Questão presente nas seguintes provas
Cadernos
Caderno Container