Foram encontradas 40 questões.
A imagem representa um circuito utilizando um amplificador operacional em uma configuração típica, dentre inúmeras, conforme sua finalidade.

Trata-se do circuito:
Provas
Considerando os circuitos eletrônicos analógicos e digitais que possuem uma terminologia específica que define partes e características dos componentes e sistemas, relacione adequadamente as colunas a seguir.
1. Buffer/Driver.
2. Resistor de pull-up.
3. Saída a coletor aberto.
4. Entrada flutuante ou em flutuação.
( ) Assegura em uma entrada (que pode ser compartilhada) de uma porta lógica – o nível lógico 1.
( ) Sinal em alta impedância, apresentado como entrada de um circuito digital; atua como se estivesse logicamente desconectado ao circuito.
( ) Circuito projetado para fornecer uma corrente de saída alta e/ou tensão também alta se comparadas aos parâmetros normalmente associados aos circuitos lógicos comuns.
( ) Tipo de estrutura de saída de alguns circuitos TTL (Transistor-Transistor Logic), no qual só é usado um transistor com o seu coletor em flutuação.
A sequência está correta em
Provas
Os dispositivos eletroeletrônicos possuem um conjunto de componentes que, conectados, constituem circuitos, que conforme suas funções e propriedades, se aplicam nas mais diversas finalidades. Um desses componentes é o diodo. “Diodos são dispositivos que permitem que a flua em um sentido, mas não no outro. Os diodos possuem dois terminais, denominados anodo e catodo. Quando o está conectado a uma tensão positiva com relação ao , a corrente pode fluir através do diodo. Se a polaridade é revertida, nenhuma corrente fluirá através do diodo. Os diodos mais comuns são os de silício e os de germânio. Os de começam a conduzir com uma tensão aproximada de 0,2 V, enquanto os de conduzem a partir de, aproximadamente, 0,6 V.” Assinale a alternativa que completa correta e sequencialmente a afirmativa anterior.
Provas
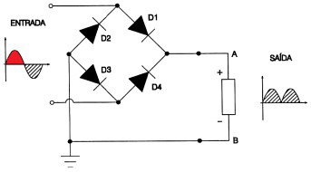
O diagrama da figura representa a configuração da retificação de onda completa em ponte:

No primeiro semiciclo destacado, considerando a tensão positiva no terminal de entrada superior, assinale a alternativa correta em relação à situação da corrente nos diodos.
I. D1 – anodo positivo em relação ao catodo: Bloqueio.
II. D2 – catodo positivo em relação ao anodo: Condução.
III. D3 – catodo negativo em relação ao anodo: Condução.
IV. D4 – anodo negativo em relação ao catodo: Bloqueio.
Está correto o que se afirma apenas em
Provas
Considerando os semicondutores, destaca-se o transístor de efeito de campo – FET, cujas propriedades se diferem de um transistor bipolar. Portanto, quando comparado a um transistor bipolar, é INCORRETO afirmar que:
Provas
Uma instalação elétrica trifásica alimenta alguns motores de indução monofásicos e inúmeros circuitos de iluminação com lâmpadas fluorescentes 220 V que utilizam reatores convencionais. Porém, após um estudo financeiro, observando os valores das contas de energia, foi proposta uma ação para melhorar a eficiência e, possivelmente, a redução na conta de energia. Assinale a ação a ser adotada.
Provas
A partir de um sinal de corrente contínua da saída de uma placa de um circuito eletrônico que fornece tensão de cinco ou zero volts em sua saída, deve-se desenvolver um circuito para acionar um motor elétrico de 1 CV monofásico de corrente alternada. Assinale o componente que deverá ser usado para o acionamento do motor.
Provas
Uma instalação elétrica foi projetada para alimentar um laboratório e, para isso, um nobreak foi utilizado para manter o fornecimento ininterrupto. Sabendo que este nobreak pode ser alimentado por uma bateria externa de 12 V e que no almoxarifado possui os quatro tipos de baterias relacionados a seguir, considerando as recomendações e orientações técnicas do fabricante das baterias, qual deverá ser utilizada?
Provas
Conforme norma técnica de segurança em instalação e serviços de eletricidade, um dos itens de segurança no memorial descritivo deve conter indicação de posição dos dispositivos de manobra dos circuitos elétricos como:
Provas
A manutenção está diretamente relacionada com os custos; dessa forma, é fundamental uma estrutura que os classifique, como planilhas e demais métodos de controle. Portanto, para fins de controle, os custos de manutenção podem ser classificados em três grandes famílias; analise-as.
I. Custos diretos: relacionados com a estrutura gerencial e de apoio administrativo, como custos com análise e estudos de melhorias.
II. Custos indiretos: necessários para manter os equipamentos em operação, incluindo a manutenção preventiva, preditiva e corretiva.
III. Custos de perda: oriundos da perda de produção, causados, como exemplo, por falhas dos equipamentos.
Está correto o que se afirma apenas em
Provas
Caderno Container