Magna Concursos

Foram encontradas 380 questões.

3194016 Ano: 2023
Disciplina: Engenharia Elétrica
Banca: SELECON
Orgão: SAAE Lucas do Rio Verde-MT
Provas:

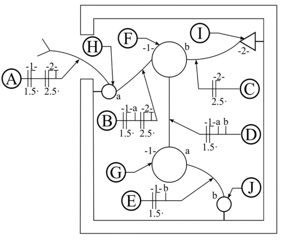
Observe o diagrama unifilar da Figura 1, que representa a instalação elétrica de um pequeno cômodo. Considere que as letras maiúsculas circuladas correspondem à identificação para os eletrodutos e componentes, e as letras minúsculas, aos pontos de iluminação/acionamento.

Figura 1

Enunciado 3459567-1

Para que o diagrama fique de acordo com as normas vigentes, é necessário:

 

Provas

Questão presente nas seguintes provas
3194015 Ano: 2023
Disciplina: Engenharia Elétrica
Banca: SELECON
Orgão: SAAE Lucas do Rio Verde-MT
Provas:

Em um quadro de terminais, conexões frouxas ou corroídas causam perdas devido a:

 

Provas

Questão presente nas seguintes provas
3194014 Ano: 2023
Disciplina: Engenharia Elétrica
Banca: SELECON
Orgão: SAAE Lucas do Rio Verde-MT
Provas:

Um circuito se encontra em uma caixa selada com dois terminais denominados a e b. Em um primeiro momento, foi conectado um resistor de 750Ω entre esses terminais a e b e foi medida uma tensão de 18,75V sobre o resistor e uma corrente de 0,025A circulando por ele. Com uma resistência de 10MΩ, as medições de tensão e corrente foram, respectivamente, 25,00V e 0,00A.

Considere-se que os valores medidos representam todos os dígitos dos respectivos medidores, sem arredondamentos pelo operador. A máxima potência que esse circuito pode fornecer e a carga que solicitará essa potência são:

 

Provas

Questão presente nas seguintes provas
3194013 Ano: 2023
Disciplina: Direito Financeiro
Banca: SELECON
Orgão: SAAE Lucas do Rio Verde-MT
Provas:

A Lei de Responsabilidade Fiscal (LRF) exige que a despesa total com pessoal não exceda determinado percentual da receita corrente líquida e estabelece os limites para cada Poder constituído no contexto de cada ente federado. Sendo assim, é correto afirmar que, conforme a LRF, a despesa total com pessoal não pode ultrapassar:

 

Provas

Questão presente nas seguintes provas
3194012 Ano: 2023
Disciplina: Direito Administrativo
Banca: SELECON
Orgão: SAAE Lucas do Rio Verde-MT
Provas:

A Lei de Licitações e Contratos Administrativos, nº 14.133/2021, ao tratar da duração e da execução dos contratos, determina que:

 

Provas

Questão presente nas seguintes provas
3194011 Ano: 2023
Disciplina: Direito Administrativo
Banca: SELECON
Orgão: SAAE Lucas do Rio Verde-MT
Provas:

Acerca da alteração dos contratos e dos preços, a Lei de Licitações e Contratos Administrativos, nº 14.133/2021, dispõe que os contratos por ela regidos poderão ser alterados unilateralmente pela Administração, com as devidas justificativas, quando:

 

Provas

Questão presente nas seguintes provas
3194010 Ano: 2023
Disciplina: Direito Financeiro
Banca: SELECON
Orgão: SAAE Lucas do Rio Verde-MT
Provas:

De acordo com a Lei de Responsabilidade Fiscal (LRF), em se tratando da dívida e do endividamento, o compromisso de adimplência de obrigação financeira ou contratual assumida por ente da Federação ou entidade a ele vinculada é a definição de:

 

Provas

Questão presente nas seguintes provas
3194009 Ano: 2023
Disciplina: Contabilidade Pública
Banca: SELECON
Orgão: SAAE Lucas do Rio Verde-MT
Provas:

Conforme o Manual de Contabilidade Aplicada ao Setor Público (MCASP), o lançamento de encerramento dos saldos de restos a pagar (processados e não processados), ao final do exercício, deve creditar e debitar as contas dos grupos contábeis 5.3 –Inscrição de Restos a Pagar – e 6.3 – Execução de Restos a Pagar –, em um lançamento de:

 

Provas

Questão presente nas seguintes provas
3194008 Ano: 2023
Disciplina: Contabilidade Geral
Banca: SELECON
Orgão: SAAE Lucas do Rio Verde-MT
Provas:

As informações apresentadas no quadro a seguir referem-se às movimentações apresentadas pela Entidade A, relativas ao exercício social de 2022:

Movimentações

Valores

Aumento de capital social (em moeda corrente)

R$ 11.250,00

Depreciação

R$ 12.000,00

Dividendos pagos

R$ 34.500,00

Aumento em perdas estimadas com crédito de liquidação duvidosa

R$ 1.500,00

Aquisição de propriedades para investimentos

R$15.000,00

Resultado líquido do exercício (lucro)

R$ 20.000,00

Venda de imobilizado

R$ 17.250,00

Aquisição de ativo intangível

R$ 5.250,00

Empréstimos de curto prazo

R$ 25.500,00

Aumento de fornecedores

R$24.600,00

Aumento de contas a receber de clientes

R$ 15.000,00

Aumento de duplicatas descontadas

R$ 9.000,00

Aumento de estoques

R$ 33.750,00

Considerando apenas o exposto no quadro acima e o que diz a Norma Brasileira de Contabilidade NBC TG 03 (R3) – Demonstração dos Fluxos de Caixa –, pode-se afirmar que as atividades:

 

Provas

Questão presente nas seguintes provas
3194007 Ano: 2023
Disciplina: Contabilidade Geral
Banca: SELECON
Orgão: SAAE Lucas do Rio Verde-MT
Provas:

De acordo com a Interpretação Técnica Geral – ITG 2000 (R1) –, a retificação de lançamento é o processo técnico de correção de um registro realizado com erro na escrituração contábil da entidade. Um exemplo de erro em uma operação contábil que pode ser corrigido por meio de um lançamento de estorno é:

 

Provas

Questão presente nas seguintes provas