Foram encontradas 380 questões.
Disciplina: Engenharia Elétrica
Banca: SELECON
Orgão: SAAE Lucas do Rio Verde-MT
Um galpão foi projetado para abrigar uma empresa de manutenção em motores elétricos e, no projeto, constam as seguintes informações:
• comprimento: 25m;
• largura: 15m;
• pé-direito: 6m;
• iluminação da atividade: 1500 lux;
• fluxo luminoso/luminária: 25.000 lúmens;
• fator de depreciação= 0,8;
• coeficiente de utilização= 0,9.
De acordo com os dados, o número aproximado de luminárias nesse projeto é:
Provas
Disciplina: Engenharia Elétrica
Banca: SELECON
Orgão: SAAE Lucas do Rio Verde-MT
O valor da frequência da corrente induzida no rotor de um motor de indução de 10 polos, que gira a 690 rpm em uma frequência de 60 Hz, é, em Hertz, aproximadamente:
Provas
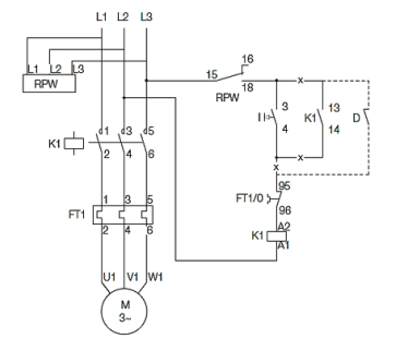
Disciplina: Engenharia Elétrica
Banca: SELECON
Orgão: SAAE Lucas do Rio Verde-MT
Houve necessidade de intervenção em um dos circuitos elétricos de uma estação de tratamento de água e, chegando ao local, o técnico se deparou com a figura a seguir:

Essa figura representa o diagrama de uma partida:
Provas
Disciplina: Engenharia Mecânica
Banca: SELECON
Orgão: SAAE Lucas do Rio Verde-MT
Nos motores de Ciclo Diesel, estando o pistão no ponto morto superior (PMS) e iniciando seu deslocamento para o porto morto inferior (PMI), a câmara de combustão passa a ser preenchida com ar. Esse tempo é chamado de:
Provas
Disciplina: Engenharia Mecânica
Banca: SELECON
Orgão: SAAE Lucas do Rio Verde-MT
Nos aços, a perlita é uma estrutura formada por:
Provas
Disciplina: Engenharia Mecânica
Banca: SELECON
Orgão: SAAE Lucas do Rio Verde-MT
Para medições de dentes de engrenagens, utiliza-se o paquímetro:
Provas
Disciplina: Engenharia Elétrica
Banca: SELECON
Orgão: SAAE Lucas do Rio Verde-MT
Um aerogerador possui uma tensão média de saída de 73,25 volts. Convertendo esse valor para tensão pico a pico, teremos:
Provas
Disciplina: Atualidades e Conhecimentos Gerais
Banca: SELECON
Orgão: SAAE Lucas do Rio Verde-MT
O espaço municipal, inaugurado em 2020, que tem o nome em homenagem à Engenheira Agrônoma Cleusa Inês Ceolin Buzanello, faz referência a um:
Provas
Levando em consideração o critério regional político-administrativo do IGBE (Instituto Brasileiro de Geografia e Estatística), o estado do Mato Grosso está inserido na região:
Provas
Disciplina: Atualidades e Conhecimentos Gerais
Banca: SELECON
Orgão: SAAE Lucas do Rio Verde-MT
A grande festa promovida para comemorar o aniversário do município de Lucas do Rio Verde – MT, em 5 de agosto, recebe o nome de:
Provas
Caderno Container