Foram encontradas 40 questões.
Um eletricista precisa calcular os custos de uma obra com base nos custos individuais dos materiais, das quantidades de material empregadas, do valor unitário da mão de obra e do tempo para execução da obra. Para isso, o programa mais adequado para a realização desses cálculos é o
Provas
Assinale a alternativa correta sobre o equipamento de proteção individual (EPI) de fabricação nacional ou importado.
Provas
Considere a seguinte peça representada em perspectiva isométrica, mostrada na figura a seguir:

A representação em três vistas ortogonais correta para essa peça é:
Provas
Um acoplamento direto do tipo luva elástica utilizado na transmissão entre um motor elétrico e uma bomba centrífuga apresenta desgaste precoce em seu elemento flexível. A causa mais provável da avaria mecânica no acoplamento, dentre as alternativas a seguir, é
Provas
Um circuito elétrico de baixa tensão de uma instalação residencial tem tensão nominal de 127 V, e o circuito é protegido contra choques elétricos por um interruptor diferencial residual com sensibilidade de 30 mA (RMS). Dentre as alternativas a seguir, assinale a que apresenta o maior valor de impedância de um contato direto entre fase e terra que produz a atuação do interruptor diferencial residual que protege esse circuito.
Provas
O efeito fisiológico da passagem da corrente elétrica através do corpo humano ou por parte dele é conhecido como
Provas
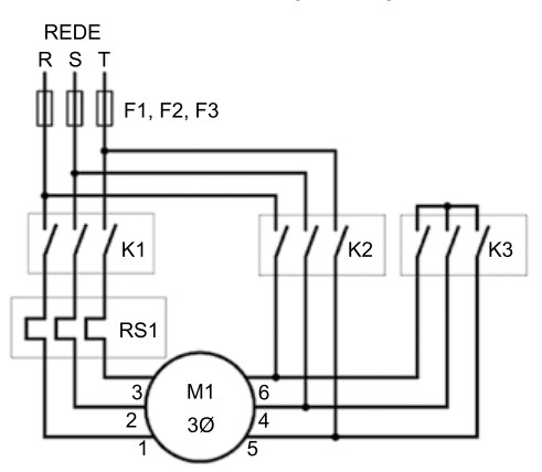
Considere o diagrama de força do acionamento semiautomático de um motor de indução trifásico, no qual a tensão de linha (entre fases) da rede de alimentação trifásica é de 380 V, mostrado na figura a seguir:

Para ser aplicado a esse acionamento, o motor de indução deve ter as seguintes tensões de operação:
Provas
Um motor de indução trifásico de 4 polos possui em seu estator 48 ranhuras, e seu enrolamento é executado em camada única, concêntrico, com 6 grupos de 4 bobinas cada grupo. O passo das bobinas de cada grupo (em espaço entre ranhuras) é 10-12-14-16. O enrolamento possui ligação série, e a tensão nominal do motor é de 220 V / 380 V.
Nessa condição, é possível afirmar que a tensão nominal de cada bobina desse enrolamento é igual a
Provas
Um motor de indução trifásico com potência mecânica nominal de 2,7 kW opera alimentado por uma rede trifásica com tensão de linha de 220 V. Sabendo-se que o fator de potência do motor em potência nominal é igual a 0,80 e que o rendimento do motor em potência nominal é de 90%, é correto afirmar que o valor da corrente nominal do motor é aproximadamente igual a
Provas
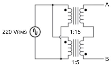
Considere a associação de transformadores apresentada na figura a seguir:

A tensão entre os pontos A e B é igual a
Provas
Caderno Container