Foram encontradas 1.493 questões.
Caberá ao Estado, em benefício dos projetos de assentamento (Art. 209 da Constituição do Estado do Amapá):
I – criar programas especiais de créditos, assistência técnica e extensão rural.
II – executar obras de infraestrutura física e social.
III – estabelecer programas de fornecimento de insumo básico e de serviços de mecanização agrícola.
IV – implantar a justiça social.
Assinale a alternativa CORRETA.
Provas
- Transmissão de DadosCaracterísticas de TransmissãoLatência e Jitter
- Transmissão de DadosPadrões IEEE 802IEEE 802.11: Wireless LAN
- Transmissão de DadosTransmissão de Multimídia, Streaming e VozQoS: Quality of Service
- Transmissão de DadosTransmissão de Multimídia, Streaming e VozVoIP: Voice over IP
Considere as afirmações sobre a implementação de VoIP (Voz sobre IP) em uma rede Wi-Fi do tipo 802.11:
I - Possui qualidade superior à implementada em uma rede wi-fi 802.16.
II - Pode ficar sujeita a diversos tipos de interferência nas transmissões de radiofreqüência.
III – pode ocorrer um atraso entre o envio e o recebimento de um pacote, que compromete a inteligibilidade da voz.
Assinale a alternativa CORRETA.
Provas
A QUESTÃO A SEGUIR DEVE SER RESPONDIDAS CONFORME AS INTERPRETAÇÕES DE RICARDO ANTUNES NA OBRA “ADEUS AO TRABALHO? ENSAIO SOBRE AS METAMORFOSES E A CENTRALIDADE DO MUNDO DO TRABALHO”.
Marque a opção que apresenta o que consiste a dualidade contraditória de tendências presentes no mundo do trabalho nas sociedades de capitalismo avançado.
Provas
A economia ambiental é um sub-ramo das Ciências Econômicas, que tem o objetivo de desenvolver mecanismo para alocação eficiente de recursos naturais. O custo de oportunidade dos recursos ambientais em regra não é observado no mercado por meio do sistema de preços.
Qual das alternativas abaixo, se refere ao valor que o indivíduo atribui para preservar os recursos naturais escassos para serem utilizados no futuro próximo?
Provas
Em leitões recém nascidos adota-se o uso de medicamento no manejo, a fim de suprir a deficiência de determinado elemento no leite da porca cujo desenvolvimento dos leitões é seriamente comprometido.
Qual dos elementos abaixo é responsável por esta carência?
Provas
Os métodos de irrigação podem ser caracterizados pelas diferentes formas como a água é conduzida e aplicada na área de cultivo.
Sobre esse aspecto, analise os itens abaixo:
I – Permite a fertirrigação e favorece a concentração do sistema radicular da cultura no “bulbo” ou “faixa” molhada do emissor.
II – O vento é o principal fator climático que interfere no uso desta irrigação.
III – A aplicação da água é feita por meio de bacias ou tabuleiros, de tamanho variado, limitado por diques ou taipas.
IV – Há necessidade de instalação de filtros para limpeza da água, uma vez que as obstruções constituem no maior problema desse método de irrigação.
V – O emissor deve ser selecionado de modo que sua precipitação média não supere a velocidade de infiltração básica do solo, nas condições da cobertura vegetal existente, para evitar o encharcamento do terreno e as perdas por escoamento superficial.
Assinale a opção CORRETA
Provas
Embora proibidos pela Portaria n. 53, de 01 de março de 1979, do Ministério do Interior, os lixões ainda são uma forma muito utilizada de disposição de resíduos no Brasil. Marque a opção correta que mostra os principais problemas associados a esse tipo de disposição:
Provas
Sobre o estudo da lubrificação industrial, considere os itens abaixo
I - A lubrificação tem como principais objetivos: a redução do desgaste, a suavização dos movimentos, a refrigeração evitando o superaquecimento e a remoção de partículas.
II – O processo de lubrificação a óleo pode ser realizado de diferentes formas: por gravidade, por salpico, por capilaridade, por imersão e por sistema forçado.
III – São dispositivos para lubrificação à graxa: pistola, copo stauffer, pincel (espátula) e enchimento.
IV - Na lubrificação por névoa, o óleo é pulverizado e levado em um fluxo de ar até as partes a serem lubrificadas.
Marque a alternativa CORRETA.
Provas
Quanto à classificação das placentas cório alantóides, podemos afirmar que na vaca, cabra e ovelha a placenta é
Provas
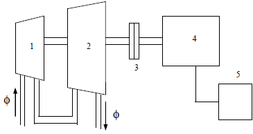
Em relação a figura da máquina térmica abaixo, analise as descrições seguintes.

Fonte: Engenharia Mecânica de Piracicaba (http://web.eep.br/~alcindo/)
I – O item 1 é o primeiro Estágio por onde entra vapor com alta temperatura e alta pressão;
II – O item 2 é o segundo Estágio por onde entra água a baixa temperatura e baixa pressão;
III - O item 3 refere-se a um elemento de conexão denominado de flange;
IV – O item 4 é uma máquina geradora de energia elétrica;
V- O item 5 é um equipamento denominado de Excitatriz do Gerador.
Em relação às descrições acima, marque a opção CORRETA.
Provas
Caderno Container