Foram encontradas 50 questões.
Sobre os transformadores de corrente (TCs), utilizados com a finalidade de medição e proteção em sistemas elétricos de potência, assinale a alternativa INCORRETA.
Provas
Uma indústria possui consumo médio de 15 kW e fator de potência de 0,8. O valor da potência do banco de capacitores que deve ser instalado nessa indústria para corrigir o fator de potência para 0,92 é de Considere:
acos(0. 8) = 36, 9°
acos(0. 92) = 23, 0°
tg(36, 9°) = 0. 75
tg(23, 0°) = 0. 42
Provas
Assinale a alternativa que apresenta o resultado da simplificação da expressão booleana:
\( \overline{(A+BC)\cdot (D+ED)} \)
Provas
Em relação aos relés diferenciais de corrente, aplicados na proteção de equipamentos em sistemas de distribuição, é correto afirmar que
Provas
Um engenheiro eletricista recebeu um equipamento cujos dados do fabricante são os seguintes: 5 MVA, 25 kV e impedância de 0,3 pu.
Qual o valor de impedância desse equipamento na nova base, sabendo que ele será conectado a um sistema de distribuição de 100 MVA e 500 kV?
Provas
Sobre as muflas, utilizadas em sistemas elétricos em tensão de distribuição, é correto afirmar que
Provas
São tipos de falhas em transformadores de potência, EXCETO
Provas
Com base no circuito da figura a seguir, assinale a alternativa que apresenta a expressão da corrente i1(t), sabendo que vs(t) = 80 cos(2000t) V.
Considere:
\( tg^{-1}(\dfrac{4}{3})=53,13º\\tg^{-1}(\dfrac{5}{3})=59,03º\\tg^{-1}(\dfrac{3}{4})=36,87º \)
Provas
Assinale a alternativa que apresenta o valor de α para que o circuito da figura a seguir seja válido.

Provas
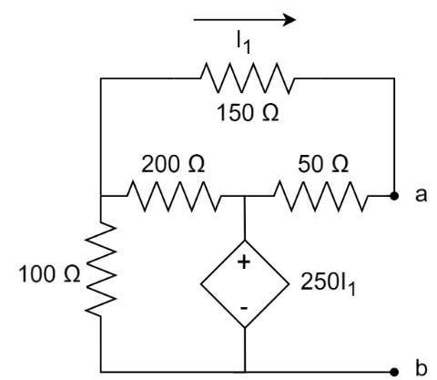
A partir do circuito representado na figura a seguir, calcule a tensão e a resistência do equivalente de Thévenin vista pelos terminais a e b e assinale a alternativa com os valores corretos.

Provas
Caderno Container