Foram encontradas 50 questões.
O escorregamento de um motor de indução trifásico de 4 polos e velocidade de rotação do rotor de 1695 rpm, ligado a uma rede elétrica de frequência de 60 Hz, é de
Provas
A partir do circuito representado na figura a seguir, assinale a alternativa que apresenta o valor de V2.

Provas
A chave do circuito da figura a seguir ficou na posição “a” por muito tempo. Em certo instante de tempo (t = 0s), a chave foi comutada, instantaneamente, para a posição “b”. A tensão Vc, sobre o capacitor de 2\( \mu \)F, para t \( \ge \) 0s é dada por
Provas
Com base no circuito representado na figura a seguir, calcule o módulo da potência média fornecida pela fonte de corrente, sabendo que is(t) = 4 cos(5000t) mA, e assinale a alternativa que apresenta o valor correto.

Provas
Considerando o circuito representado na figura a seguir, assinale a alternativa que apresenta o valor da corrente I1 sobre o resistor de 12 \( \Omega \).

Provas
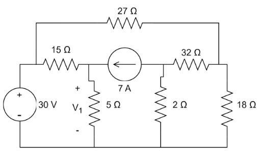
A partir do circuito representado na figura a seguir, utilize o teorema da superposição, calcule o valor da tensão V1 sobre o resistor de 5 \( \Omega \), sabendo que essa tensão corresponde apenas à contribuição da fonte de tensão, e assinale a alternativa que apresenta a tensão correta.

Provas
Assinale a alternativa que apresenta corretamente a conversão do seguinte código binário para o seu equivalente hexadecimal: 1111000010100011.
Provas
Considere um transformador monofásico ideal de 10 kVA, 5 kV/100 V. Se uma carga de 1000 kW e fator de potência igual a 0,5 for ligada ao lado de baixo (secundário) desse transformador, a corrente do lado primário será de
Provas
A respeito dos transformadores de potencial (TPs), utilizados com a finalidade de medição e proteção em sistemas elétricos de potência, assinale a alternativa INCORRETA.
Provas
Qual é a faixa de valores decimais com sinal que pode ser representada em um byte?
Provas
Caderno Container