Foram encontradas 50 questões.
Um componente passivo com dois terminais possui os seguintes valores de tensão e corrente medidos em seus terminais, para \( t \ge 0 \) s:
\( v = 100te^{-10t}V\\i=10te^{10t}A \)
O máximo valor de potência entregue a esse elemento é de
Provas
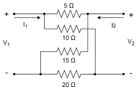
Com base no quadripolo da figura a seguir, assinale a alternativa que apresenta o valor do parâmetro b12.

Provas
Assinale a alternativa que apresenta a função no domínio do tempo da seguinte função:
\( F(s)=\dfrac{280}{s^2+14s+245} \)
Provas
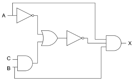
Um engenheiro eletricista foi chamado para otimizar o circuito lógico de um equipamento, como mostra a figura a seguir:

Nesse caso, a expressão lógica simplificada da saída X é
Provas
Durante um ensaio em bancada, um engenheiro eletricista se depara com a montagem do circuito como mostrada na figura a seguir:

Para documentar o funcionamento desse circuito, o engenheiro descreve sua tabela verdade. Assinale a alternativa que apresenta uma linha correta dessa tabela verdade.
Provas
Um engenheiro eletricista precisou analisar um sinal de 60 Hz com ruído de 120 Hz, ambos de amplitude e fase constantes ao longo do tempo. Para tanto, ele mediu o sinal por meio de um equipamento com taxa de amostragem de 256 pontos por ciclo e decidiu utilizar meio ciclo do sinal coletado para a análise. Sabendo que o equipamento utiliza a transformada de Fourier para a análise espectral, é correto afirmar que
Provas
A partir do circuito representado na figura a seguir com amplificador operacional ideal, trabalhando em sua região linear, é correto afirmar que o ganho desse circuito (v0/vs) é de:

Provas
Um engenheiro eletricista foi encarregado de projetar a iluminação do seu ambiente de trabalho. A sala dele possui 20 m2 e, de acordo com as diretrizes da instituição na qual trabalha, é necessário que a iluminância seja de 300 lux. Sabendo que as lâmpadas adquiridas na última licitação são de 15 W, com eficiência luminosa de 80 lumens por watt, qual é o número mínimo de lâmpadas a serem instaladas nesse ambiente?
Provas
Considere as seguintes correntes de fase que alimentam uma carga conectada em estrela:
\( Ia = 30 \angle 0º A \\ Ib = 0A \\ Ic = 30 \angle 120ª A \)
O valor da componente de sequência zero desse sistema é
Provas
Ao elaborar a documentação de um circuito eletrônico, um engenheiro eletricista descreve que um amplificador de potência opera em classe “B”. Com essa descrição, é correto inferir que
Provas
Caderno Container