Foram encontradas 120 questões.
A respeito de transmissão e de distribuição de energia elétrica, julgue os itens subseqüentes.
Os níveis de tensão nominal em baixa tensão padronizados no Brasil incluem 250 V e 100 V.
Provas

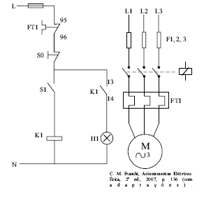
Considerando o circuito de comando e o circuito de força de um motor de indução trifásico, mostrado na figura acima, julgue os itens a seguir.
Após a partida, sem que fosse pressionado qualquer botão, ou alterada qualquer parte nos circuitos, o motor diminui sua velocidade e pára. Considerando que a rede elétrica não apresentou problema e que o motor estava girando a vazio, é correto afirmar, nesse caso, que um dos fusíveis do circuito de força queimou.
Provas

Considerando o circuito de comando e o circuito de força de um motor de indução trifásico, mostrado na figura acima, julgue os itens a seguir.
No diagrama de comando, a alimentação ocorre entre fase e neutro. Nesse caso, a fase é protegida por fusível.
Provas

Considerando o circuito de comando e o circuito de força de um motor de indução trifásico, mostrado na figura acima, julgue os itens a seguir.
O selo do contactor é indicado no circuito por H1.
Provas

Considerando o circuito de comando e o circuito de força de um motor de indução trifásico, mostrado na figura acima, julgue os itens a seguir.
Pressionando-se o botão S1, energiza-se a bobina do contactor K1.
Provas
Na montagem do circuito elétrico referente a um experimento de laboratório, deve-se utilizar dispositivo de proteção que pode ser escolhido entre fusível e disjuntor. Um usuário optou por usar somente fusíveis. Com relação a essa situação, julgue os próximos itens.
Caso o experimento fosse para simular os esquemas de proteção em um quadro geral de uma instalação elétrica, o fusível poderia desempenhar a mesma função de um disjuntor DR. Possivelmente, neste caso, a preferência pela escolha do fusível tenha sido em razão do preço reduzido, embora quando este queime, tenha que ser substituído.
Provas
Na montagem do circuito elétrico referente a um experimento de laboratório, deve-se utilizar dispositivo de proteção que pode ser escolhido entre fusível e disjuntor. Um usuário optou por usar somente fusíveis. Com relação a essa situação, julgue os próximos itens.
Suponha que um dos circuitos montados por um usuário é o de circuitos de comando de motores. Neste tipo de circuito, ele não poderá usar fusível do tipo diazed.
Provas
Na montagem do circuito elétrico referente a um experimento de laboratório, deve-se utilizar dispositivo de proteção que pode ser escolhido entre fusível e disjuntor. Um usuário optou por usar somente fusíveis. Com relação a essa situação, julgue os próximos itens.
Se o objetivo é proteger o circuito contra sobrecarga, deve-se usar somente fusível.
Provas
Um estudante executa um programa referente a um aplicativo de processador de texto, aplicando um clique duplo sobre um ícone duas vezes. Considere as seguintes instruções efetuadas pelo processador para esta tarefa:
I as informações dentro do processador são processadas;
II o programa armazenado no disco rígido é transferido para a memória;
III o processador carrega as informações do programa da memória RAM.
A respeito dessas informações, julgue os itens que se seguem.
O processador processa as informações conforme o programa. Este pode ser um código referente a uma planilha, ou a um jogo eletrônico, entre outros.
Provas
Um estudante executa um programa referente a um aplicativo de processador de texto, aplicando um clique duplo sobre um ícone duas vezes. Considere as seguintes instruções efetuadas pelo processador para esta tarefa:
I as informações dentro do processador são processadas;
II o programa armazenado no disco rígido é transferido para a memória;
III o processador carrega as informações do programa da memória RAM.
A respeito dessas informações, julgue os itens que se seguem.
A seqüência correta de execução das instruções é III, I e II.
Provas
Caderno Container