Foram encontradas 100 questões.
Um engenheiro foi requisitado para a construção de um filtro, utilizando apenas um circuito RL em série e uma fonte de tensão de entrada (vi ) senoidal de frequência variável, com o objetivo de que componentes de frequência acima de 50 rad/s na tensão de saída (v 0 ) fossem atenuadas. Para tanto, o engenheiro montou o circuito ilustrado na Figura 1, cujo respectivo diagrama de bode da função de transferência do circuito é apresentado na Figura 2. 
Considerando essa situação hipotética, julgue o item.
A função de transferência do filtro montado e ilustrado na Figura 1, H(s) = vo/vi pode ser definida como
Provas
Um engenheiro foi requisitado para a construção de um filtro, utilizando apenas um circuito RL em série e uma fonte de tensão de entrada (vi ) senoidal de frequência variável, com o objetivo de que componentes de frequência acima de 50 rad/s na tensão de saída (v 0 ) fossem atenuadas. Para tanto, o engenheiro montou o circuito ilustrado na Figura 1, cujo respectivo diagrama de bode da função de transferência do circuito é apresentado na Figura 2. 
Considerando essa situação hipotética, julgue o item.
Sabendo-se que o engenheiro utilizou um indutor L de 200 mH para montagem do filtro apresentado na Figura 1, o resistor R utilizado foi de 5 Ω.
Provas
- EletrotécnicaCircuitos de Corrente Contínua em Eletrotécnica
- EletrotécnicaCircuitos Elétricos em Eletrotécnica

Para determinar os parâmetros de um transformador monofásico de 2 kV/200 V, 10 kVA, um fabricante resolveu submeter o dispositivo aos ensaios de curto-circuito e de circuito aberto. Os dados obtidos no enrolamento primário no ensaio de curto-circuito, realizado com corrente nominal e enrolamento secundário curto-circuitado, foram: P = 50 W e tensão aplicada ao primário (
1) igual a 35 V. Já os dados obtidos no enrolamento secundário no ensaio a vazio, realizado com tensão nominal aplicada ao secundário (
2 ) e os terminais primários em aberto, foram: P = 80 W e
2= 2A. Os parâmetros Req e Xeq são, respectivamente, a resistência e a reatância equivalentes, assim como BM e GC são, respectivamente, a susceptância e a condutância equivalentes, conforme ilustrado na figura acima, relativamente ao primário.
Com base nessa situação hipotética, julgue o item subsequente.
Pode-se estimar, dos ensaios realizados, que, aproximadamente, Req = 2 Ω e Xeq = 6,7 Ω, relativos ao secundário.
Provas

Em um determinado sistema elétrico, um transformador de 220/110 V foi utilizado para alimentar uma carga com impedância (Zc) igual a 50∠ 60º Ω, conforme ilustrado na figura acima. A tensão de entrada (
1) era igual a 220 ∠0 º V e o transformador era ideal.
Com base nesse caso hipotético, julgue o item
A corrente Î1 está 60º atrasada em relação a
1 e seu valor absoluto é igual a 1,1 A.
Provas
- EletrotécnicaCircuitos de Corrente Contínua em Eletrotécnica
- EletrotécnicaCircuitos Elétricos em Eletrotécnica

Para determinar os parâmetros de um transformador monofásico de 2 kV/200 V, 10 kVA, um fabricante resolveu submeter o dispositivo aos ensaios de curto-circuito e de circuito aberto. Os dados obtidos no enrolamento primário no ensaio de curto-circuito, realizado com corrente nominal e enrolamento secundário curto-circuitado, foram: P = 50 W e tensão aplicada ao primário (
1) igual a 35 V. Já os dados obtidos no enrolamento secundário no ensaio a vazio, realizado com tensão nominal aplicada ao secundário (
2 ) e os terminais primários em aberto, foram: P = 80 W e
2= 2A. Os parâmetros Req e Xeq são, respectivamente, a resistência e a reatância equivalentes, assim como BM e GC são, respectivamente, a susceptância e a condutância equivalentes, conforme ilustrado na figura acima, relativamente ao primário.
As perdas por efeito Joule no núcleo devido às correntes parasitas são representadas pelo parâmetro GC, o qual pode ser estimado por meio do ensaio de circuito aberto.
Provas
- EletrotécnicaCircuitos de Corrente Contínua em Eletrotécnica
- EletrotécnicaCircuitos Elétricos em Eletrotécnica
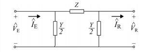
Em um modelo de linha de transmissão, conforme
ilustrado na figura a seguir,
E e
R são as tensões nos
terminais emissor e receptor, respectivamente, ÎE e ÎR são as
correntes nos terminais emissor e receptor, respectivamente,
e Z e Y são as impedâncias total série e admitância total shunt,
respectivamente. A linha de transmissão tem um
comprimento de 200 km.


Com base nessa situação hipotética, julgue o item seguinte.
Ao ser aplicada uma tensão no terminal emissor da linha de transmissão, deixando o terminal receptor em aberto, a tensão
R será a metade da tensão aplicada no terminal emissor.
Provas
- EletrotécnicaCircuitos de Corrente Contínua em Eletrotécnica
- EletrotécnicaCircuitos Elétricos em Eletrotécnica
Em um modelo de linha de transmissão, conforme
ilustrado na figura a seguir,
E e
R são as tensões nos
terminais emissor e receptor, respectivamente, ÎE e ÎR são as
correntes nos terminais emissor e receptor, respectivamente,
e Z e Y são as impedâncias total série e admitância total shunt,
respectivamente. A linha de transmissão tem um
comprimento de 200 km.


Com base nessa situação hipotética, julgue o item seguinte.
A impedância por unidade de comprimento da linha de transmissão é igual a j0,05 Ω/km e a admitância por unidade de comprimento é igual a j0,5 m℧/km
Provas

Em um determinado sistema elétrico, um transformador de 220/110 V foi utilizado para alimentar uma carga com impedância (Zc) igual a 50∠ 60º Ω, conforme ilustrado na figura acima. A tensão de entrada (
1) era igual a 220 ∠0 º V e o transformador era ideal.
Para elevar o fator de potência da carga para 1, faz-se necessária a alocação de um banco capacitivo em paralelo com Zc , com potência reativa de módulo 121 √3 var.
Provas

Em um determinado sistema elétrico, um transformador de 220/110 V foi utilizado para alimentar uma carga com impedância (Zc) igual a 50∠ 60º Ω, conforme ilustrado na figura acima. A tensão de entrada (
1) era igual a 220 ∠0 º V e o transformador era ideal.
O fator de potência da carga é de 0,5 adiantado.
Provas

Em um experimento realizado em laboratório, montou-se o circuito ilustrado na figura acima, o qual é composto por uma fonte CC de tensão (v) de 45 V, conectada aos resistores R1 = 10Ω, R2 = 50Ω, R3 = 20Ω, R4=100Ω, R5 = 10Ω e R6 = 5Ω. Assumindo que os M1,M2 e M3 são ideais, julgue o seguinte item.
Pela forma como está conectado ao circuito, o medidor M3 consiste em um voltímetro, cuja indicação de tensão é de, aproximadamente, 6,7 V.
Provas
Caderno Container