Foram encontradas 690 questões.
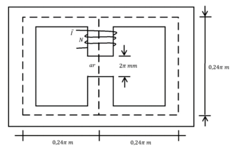
Na figura apresenta um circuito magnético onde flui uma corrente I=4 A, através do enrolamento de N=525 espiras no braço central.

Considerando que a área de seção reta de todo o perfil é constante e igual e 10-3 cm2 e que a permeabilidade relativa do núcleo é !$ μ_R= 6000 !$ e que a permeabilidade do ar é !$ μ _{ar}= 4 \pi \times 10^{-7} !$, os fluxos magnéticos !$ ∅ _i !$ em cada braço lateral são iguais a
Provas
Questão presente nas seguintes provas
A Disartria é decorrente de lesão no Sistema Nervoso Central e/ou Periférico, que gera comprometimento das cinco bases motoras da fala, a saber: respiração, fonação, ressonância, articulação e prosódia. Assinale a alternativa que apresenta as afirmativas corretas quanto aos principais tipos de comprometimento neurológico e a Disartria ocasionada.
1-A Disartria Hipocinética ocorre por comprometimento das estruturas do gânglio basal.
2-A Disatria Hipercinética é causada por uma lesão no Neurônio Motor Inferior.
3-A Disartria do tipo Flácida está associada a uma lesão no sistema extrapiramidal, principalmente no gânglio basal e suas conexões.
4-Disartria Atáxica é caracterizada por lesões cerebelares.
5-A Disartria do tipo Espástica por uma lesão no Neurônio Motor Superior Bilateral.
Provas
Questão presente nas seguintes provas
Leia os fragmentos de textos e responda às duas questões a seguir:
Segundo a publicação online do Amazonas atual, em 23 de janeiro de 2018: "É pequeno o risco de surto da febre amarela no Amazonas, informa a Secretaria de Estado de Saúde. Nos últimos quatro anos, apenas 5 casos de febre amarela foram confirmados no Estado e todos na zona rural. No Amazonas, o vírus circula somente em área silvestre... A baixa probabilidade de surto se deve à ampla cobertura vacinal, que é acima de 80% da população. O Amazonas é considerado área endêmica para a febre amarela". Disponível em: http://amazonasatual.com.br/risco-de-surto-de-febre-amarela-no-amazonas-e-pequeno-diz-susam/. Acesso em 12 de maio de 2018.(adaptado).
De acordo com a publicação online da Agência Brasil em 12/6/2017 "... O número de vítimas de febre amarela no estado do Rio já chega a 21 este ano e os novos casos ocorreram mais próximos à capital... Os dados foram divulgados pela Secretaria Estadual de Saúde... Em outros oito municípios foram registrados casos de febre amarela em macacos". Fonte: Vladimir Platonow- repórter da Agência Brasil. Rio de Janeiro. Disponível em: http://agenciabrasil.ebc.com.br/geral/noticia/2017. Acesso em 09/9/2017. (adaptado).
Pesquisa de Iniciação Científica analisa a mortalidade por Diabetes Mellitus no Amazonas (8 de junho de 2015).
O diabetes em conjunto com a hipertensão arterial é responsável por elevados números de hospitalizações, mortalidade e de amputações de membros inferiores. http://confap.org.br/news/pesquisa-de-iniciacao-cientifica-analisa-a-mortalidade-por-diabetes-mellitus-noamazonas/Acesso em 21/5/2018.
O hormônio hipoglicemiante, insulina, está relacionado ao distúrbio hormonal conhecido como diabetes melito, em que a pessoa apresenta taxas elevadas de glicose no sangue, a ponto de gerar glicosúria.
A pele humana é um órgão complexo, responsável por diversas funções. Além de proteger o corpo de agentes físicos, químicos e biológicos, ela é responsável pela sensibilidade tátil e pela manutenção da temperatura corporal. Esse maior órgão do corpo é constituído por epiderme e derme.
Assinale a alternativa correta, em que há o (s) tipo(s) de tecido (s) encontrado (s) na derme:
Provas
Questão presente nas seguintes provas
A Síndrome de Down é uma patologia de origem genética resultante da trissomia do cromossomo 21. Muitos autores relatam falta de sincronia entre o desenvolvimento cognitivo e o de linguagem nesses indivíduos. Quanto à linguagem em crianças com Síndrome de Down é INCORRETO afirmar que:
Provas
Questão presente nas seguintes provas
Nódulo vocal é considerado a lesão mais comum em crianças, que podem chegar a afonia. A conduta de eleição nesse caso é:
Provas
Questão presente nas seguintes provas
Uma subestação de energia elétrica é um conjunto de equipamentos industriais interligados entre si com os objetivos de controlar o fluxo de potência, modificar tensões e alterar a natureza da corrente elétrica assim como garantir a proteção do sistema elétrico. A interligação dos equipamentos pode ser feita de diversas maneiras, resultando em diversos arranjos. Assinale a opção que cita três nomenclaturas corretas de arranjos típicos de subestação de energia elétrica.
Provas
Questão presente nas seguintes provas
A seguinte figura representa o histograma de frequência absoluta das notas de uma determinada matéria. As notas foram agrupadas em 10 classes de amplitude igual a 1, sendo que a primeira classe contém as notas no intervalo [0 1[

Com relação a este histograma são feitas as seguintes afirmativas:
I - A mediana encontra-se na quarta classe.
II - A moda encontra-se na quinta classe.
III - O terceiro quartil encontra-se na oitava classe.
É correto o afirmado em
Provas
Questão presente nas seguintes provas
Pode-se definir pesquisa como o procedimento racional e sistemático que tem como objetivo proporcionar respostas aos problemas que são propostos. A pesquisa é requerida quando não se dispõe de informação suficiente para responder ao problema, ou então quando a informação disponível se encontra em tal estado de desordem que não possa ser adequadamente relacionada ao problema. (GIL, 1998. p.17).
Assinale a alternativa que corresponde à correta definição dos elementos da pesquisa:
Provas
Questão presente nas seguintes provas
"Como as próprias palavras indicam, ética e moral referem-se ao conjunto de costumes tradicionais de uma sociedade e que, como tais, são considerados valores e obrigações para a conduta de seus membros." CHAUÍ, Marilena. Convite à filosofia. São Paulo, Ática. 2010.
Muitos filósofos construíram e debateram os conceitos de ética e moral, estabelecendo proximidades e divergências de pensamento. Dentre eles, o filósofo francês Henri Bergson (1859 - 1941), desenvolveu uma perspectiva que busca compreender a relação entre dever e cultura ou entre dever e história.
Assinale a alternativa que apresenta a compreensão bergsoniana sobre ética e moral.
Provas
Questão presente nas seguintes provas
A fotossíntese é um processo fotoquímico que consiste na produção de energia através da luz solar e fixação do carbono proveniente da atmosfera.
Considere as afirmativas a seguir:
I. Fotossíntese é o processo de transformação da energia luminosa em energia química. O termo fotossíntese significa síntese pela luz;
II. A importância da ocorrência da fotossíntese se deve à promoção da captura do gás carbônico e da renovação do oxigênio atmosféricos;
III. A fotossíntese desestabiliza o fluxo de matéria e energia nos ecossistemas;
IV. A fotossíntese ocorre nos cloroplastos, onde é encontrado o pigmento clorofila, responsável pela cor verde dos vegetais.
São afirmativas corretas:

Provas
Questão presente nas seguintes provas
Cadernos
Caderno Container