Foram encontradas 700 questões.
As figuras a seguir representam, em gráfico cartesiano, como as componentes escalares horizontal (vx) e vertical (vy) da velocidade de um projétil lançado do solo horizontal variam em função do tempo, entre o instante do lançamento e o instante em que retorna ao solo, supondo a resistência do ar desprezível.

2 segundos após o lançamento, o módulo da componente tangencial da aceleração do projétil é igual a
Provas
A figura mostra a trajetória de um raio de luz monocromática ao atravessar um prisma imerso em ar; o raio incide em uma das faces laterais, com ângulo de incidência de 60° , e emerge normalmente à face lateral oposta.

Considere o índice de refração do ar igual a 1.
O índice de refração do prisma para essa luz é
Provas
A figura a seguir mostra, representados por segmentos orientados, o vetor velocidade v→ e o vetor aceleração a→de uma partícula correspondentes a um mesmo instante, sendo
|v→| = 12 m/s,
|a→| = 4m/s2 , e
cos θ = 3/5.

Suponha que a trajetória dessa partícula seja circular.
Nesse caso, seu raio é igual a
Provas
Uma superfície plana, articulada em uma de suas extremidades ao piso horizontal de uma sala, é mantida inclinada em relação ao piso por um calço vertical de altura h, como ilustra a figura.

Abandona-se um bloco sobre a superfície, sendo o coeficiente de atrito estático entre o bloco e a superfície igual a 0,25.
Para que o bloco permaneça em repouso, a distância x do calço à extremidade articulada ao piso deve valer, no mínimo,
Provas

O alcance do projétil nesse disparo é igual a
Provas
As figuras mostram cinco pequenas esferas de aço que se encontram à mesma altura h do solo, mas cada uma com uma velocidade diferente.

Assinale a opção que indica as esferas que, a partir desse instante, passarão a se mover na direção resultante das forças que atuam sobre elas.
Provas
I. Meia vida de um radionuclídeo é o tempo necessário para que metade dos átomos radioativos se desintegre.
II. Vida média de um radionuclídeo é a expectativa média de vida dos átomos de uma espécie radioativa.
III. A relação entre meia vida e a constante de decaimento – λ de um radionuclídeo é dada por λ=ln2/meia vida.
IV. Meia vida, constante de desintegração ou vida média são quantidades necessárias à caracterização de um radionuclídeo.
Está correto o que se afirma em
Provas
Provas
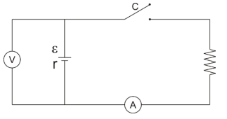
No circuito esquematizado na figura, um gerador de força eletromotriz ε e resistência interna r alimenta um resistor de 15Ω.
Com a chave C aberta o voltímetro (ideal) -V- indica 48V. Com a chave C fechada o amperímetro (ideal) -A- indica 3A.

A resistência interna do gerador r é igual a
Provas
Nas bases de um cilindro oco de seção uniforme e com 1m de comprimento há duas lentes convergentes, idênticas, ambas de distâncias focais iguais a 40cm. As lentes têm o mesmo eixo principal que coincide com o eixo do cilindro.
Esse sistema é disposto de tal modo que um feixe de raios solares incide sobre a lente (1) paralelamente ao eixo do cilindro, como ilustra a figura.

Esses raios luminosos, depois de atravessarem as duas lentes, convergem para um ponto do eixo distante d do centro óptico da lente (2).
A distância d é igual a
Provas
Caderno Container