Foram encontradas 1.386 questões.
Um circuito RL série é composto por uma fonte de tensão alternada de 90 V eficazes, um resistor com resistência de !$ \sqrt{450} \Omega !$ e uma reatância indutiva pura de !$ \sqrt{450} \Omega !$ . Nessas condições, a dissipação de potência é igual ao seguinte valor:
Provas
A potência de curto-circuito no ponto de entrega de energia de uma concessionária, em média tensão, de uma determinada instalação é de 200 kVA.
I. Dados do Transformador de Entrada: 100 kVA; A13,8- Y220 kV
Para que a reatância reduzida do sistema seja igual a j 0,5 p.u., é necessário que os valores de tensão e potência de bases adotados na entrada da instalação sejam, respectivamente, iguais a:
Provas
Uma rede de distribuição aérea na configuração estrela alimenta o quadro de distribuição de uma dada instalação elétrica. Essa rede tem o seu cabo do neutro rompido. Após a ocorrência dessa falta, as cargas dessa instalação elétrica pode ser submetida ao seguinte evento:
Provas
Em um sistema trifásico, uma tensão V8 é dada em função de seus componentes simétricos. Para !$ \alpha (1 \angle 120^{ \circ}) !$, o valor de V8 é igual a:
Provas
Em um sistema elétrico do tipo estrela -estrela desequilibrado a quatro fios existe uma corrente de neutro !$ \vec{I}_N !$ que pode ser decomposta em seus componentes simétricos de sequências zero, positiva e negativa, !$ \vec{I}_0, \vec{I}_1 !$ e !$ \vec{I}_2 !$ respectivamente. A equação que relaciona essas correntes corretamente é:
Provas
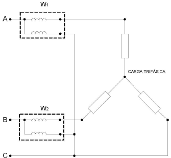
A figura abaixo apresenta uma montagem composta de dois wattímetros, W1 e W2 que permite medir a potência de uma carga trifásica.

Para esta configuração a potência
Provas
A velocidade do campo magnético girante de um motor de indução de 4 polos e 60Hz é, em rpm, de:
Provas
Um técnico deseja medir a potência solicitada por uma impedância indutiva ligada a uma fonte senoidal. Como não dispunha de um wattímetro, o técnico mediu a diferença de potencial no indutor com um voltímetro e a corrente desse circuito com um amperímetro e, em seguida, multiplicou os valores das duas medidas. A respeito desse procedimento, pode-se afirmar que o resultado dessa multiplicação corresponde à potência:
Provas
A figura abaixo, mostra um sistema trifásico estrela-estrela a três fios, composto de uma carga trifásica de 60 kW com fator de potência 0,86 indutivo e uma carga monofásica ligada à duas fases, com potência de 20 kW e fator de potência igual a unidade.

O fator de potência do total das cargas é igual a
Provas
Em uma instalação industrial, um alimentador elétrico sofreu um curto-circuito. A corrente de falta desse curto-circuito é dada pela expressão !$ { \Large { 3V_1^{(F)} \over Z_{EQU}^0 + Z_{EQU}^1 + Z_{EQU}^2 }} !$, onde:
I. !$ V_1^{(F)} !$ é a tensão de sequência positiva, e
II. !$ Z_{EQU}^0,\,Z_{EQU}^1 !$ e !$ Z_{EQU}^2 !$ são as impedâncias nas sequências zero, positiva e negativa são, respectivamente.
Essa expressão define uma corrente de falta
Provas
Caderno Container